- 学习实用小功率开关稳压电源的设计
- 输入滤波电路的设计
- 采用单端正激型电路结构
- 依靠自馈电线圈泄放变压器中的磁场能量,实现磁通复位
1电路结构选择
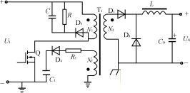
开关稳压电源与传统的线性稳压电源相比具有体积小、重量轻、效率高等优点,已成为稳压电源的主流产品。为使电源结构简单、紧凑,工作可靠、减少成本,小功率开关稳压电源常采用单端反激型或单端正激型电路。与单端反激型相比,单端正激型开关电流小、输出纹波小、更容易适应高频化。用电流型PWM控制芯片UC3843构成的单端正激型开关稳压电源的主电路如图1所示。

图1主电路的结构
实用的单端正激型开关稳压电源必须加磁通复位电路,以泄放励磁电路的能量。如图1所示,开关管Q导通时D1导通,副边线圈N2向负载供电,D4截止,自馈电线圈Nf电流为零;Q关断时D1截止,D4导通,Nf经电容C1滤波后向UC3843供电,同时原边线圈N1上产生的感应电动势使D3导通,并加在RC上。由于变压器中的磁场能量可通过Nf泄放,而不像一般的RCD磁通复位电路消耗在电阻上,这可减少发热,提高效率。
2电源技术规格
输入电压:AC110/220V;
输入电压变动范围:90V~240V;
输入频率:50/60Hz;
输出电压:12V;
输出电流:2.5A;
工作频率的选择:UC3843的典型工作频率为20kHz~500kHz。开关频率的选择决定了变换器的许多特性。开关频率越高,变压器、电感器体积越小,电路的动态响应也越好。但随着频率的提高,诸如开关损耗,门极驱动损耗,输出整流管的损耗会越来越突出,而且频率越高,对磁性材料的选择和参数设计要求会越苛刻,另外,高频下线路的寄生参数对线路的影响程度难以预料,整个电路的稳定性,运行特性以及系统的调试会比较困难。本电路中,选Rt=1.8kΩ,Ct=10nF。由UC3843A定时电阻,电容与振荡器频率的关系曲线图,可得开关频率为f=85kHz,周期T=11.8μs;
占空比:设计无工频变压器的单端正激型开关电源时,一般占空比D最大不超过0.5,这里选择Dmax=0.5。则Tonmax=T·Dmax=5.9μs。
[page]
3电源设计
3.1变压器和输出电感的设计
根据电源规格、输出功率、开关频率,选择PQ26/25磁芯,磁芯截面积Se=1.13cm2,磁路有效长度le=6.4cm,磁芯材料为MXO2000,饱和磁通密度Bs=0.4T。取变压器最大工作磁感应强度Bmax=Bs/3=0.133T,则电感系数AL值为:
AL=(0.4πμrSe/le)10-6=4.44(μH/N2)
变压器原边线圈匝数为:
N1=UImin×Tonmax/Bmax×Se式中UImin为最小直流输入电压??悸堑浇涣魇淙氲缪刮?10V±20%,则交流输入电压最小值约为90V,即UImin=90×=127V。代入得N1=49.9,取50匝。原边线圈电感为:L1=N12AL=11.1mH。副边线圈匝数为:N2=
式中UDF、UL分别为整流二极管D1和输出电感L上的压降,取UDF+UL=0.7V,代入得N2=10匝。
副边线圈电感为:L2=N22AL=444μH。
开关管断开时N1两端会产生感应电动势,为了保证开关管正常工作,将感应电势限制到eL≈300V。自馈电线圈要向UC3843提供VCC=12V工作电压,按电容C1上电压UC1=16V考虑,可保证足够供电给UC3843,由Nf=(Uc1/eL)N1可得Nf=2.67取3匝。变压器副边电流为矩形波,其有效值I2=Io·=1.77A,导线电流密度取4A/mm2,所需导线截面为1.77/4=0.44mm2,选用截面积为0.1521mm2的导线(Φ0.49)三根并绕。同样可选择原边导线,原边电流有效值I1=Io·=0.354A,所需导线截面为0.354/4=0.0885mm2,选用截面积为0.09621mm2的导线(Φ041)。
取输出电感的电流变化ΔIL=0.2Io=0.5A,则输出电感为:L=Tonmax
式中U2min为副边线圈最小电压,U2min=(Uo+UDF+UL)/Dmax=25.4V,取UDF=0.5V,Uomax=13V,代入可得L=140μH。根据输出电感上电流IL=Io,所需导线截面应为:2.5/4=0.625mm2,选择截面积为0.6362mm2的导线(Φ096)。
3.2开关管、整流二极管、续流二极管的选择
由于开关管断开时原边线圈N1两端的感应电动势限制到eL≈300V,输入交流电压经全波整流电容滤波后,直流输入电压的最大值UImax=240×=339V,所以整流二极管所承受的最高反向电压UD1P=eL(N2/N1)=60V,续流二极管所承受的最高反向电压UD2P=UImax(N2/N1)=68V。流过整流二极管和续流二极管的最大电流ID1P=ID2P=Io+0.5ΔIL=2.75A。根据以上计算选择肖特基半桥MBR20100CT,平均整流电流20A,反向峰值电压100V。
开关管承受的最大电压Udsp=339+300=639V。变压器励磁电流的最大值ITrP=(UImax/L1)Tonmax=180mA,开关管最大电流IdsP=(ID1PN2/N1)+ITrP=0.73A。根据以上计算,选用功率MOSFET2SK792,漏源击穿电压BVDS=900V,最大漏极电流IDmax=3A。
3.3反馈电路的设计
电流反馈电路采用电流互感器检测开关管上的电流,原理如图2所示。电流互感器的输出分为电流瞬时值反馈和电流平均值反馈两路,R2上电压反映电流瞬时值,开关管上的电流增大会使UR2增大,当UR2大于1V时,UC3843芯片输出脉冲关断。调节R1、R2分压比可改变开关管的限流值,实现电流瞬时值的逐周期比较,这属于限流式?;?。输出脉冲关断,实现对电流平均值的?;ぃ馐粲诮亓魇奖;?。两种过流?;せノ钩?,使电源更为安全可靠。采用电流互感器采样使控制电路与主电路隔离,同时与电阻采样相比降低了功耗,有利于提高整个电源的效率。
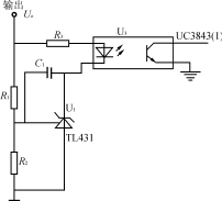
电压反馈电路如图3所示,输出电压通过集成稳压器TL431和光耦反馈到UC3843(1)脚,调节R1、R2分压比可设定和调节输出电压,达到较高的稳压精度。如果输出电压Uo升高,集成稳压器TL431阴极到阳极的电流增大,使光耦输出三极管电流增大即UC3843(1)脚对地的分流变大,UC3843输出脉宽相应变窄,输出电压Uo减小。同样地,如果输出电压Uo减小,可通过反馈调节使之升高。

图2电流反馈电路

图3电压反馈电路
[page]

图4变压器过热?;さ缏?/div>

图5输出过电压?;さ缏?/div>

图6空载?;さ缏?/div>
3.4保护电路的设计
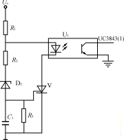
图4为变压器过热?;さ缏?,R3=R4,NTC为粘贴在变压器上的负温度系数的热敏电阻,常温下RNTCR2,运放U1构成滞环比较器。正常工作时,NTC阻值较大,运放U+<U-,输出为零;当温度上升到设定值时,运放U1输出为高电平,送到PWM控制芯片使输出脉冲关断。
图5为输出过电压?;さ缏贰N妊构蹹Z的击穿电压稍大于输出电压额定值,输出正常时,DZ不导通,晶闸管V门极电压为零,不导通。当输出过压时DZ击穿,V受触发导通,使光耦输出三极管电流增大,通过UC3843控制开关管关断。
图6为空载?;さ缏?。为了防止变压器绕组上电压过高,同时也为了使电源从空载到满载的负载效应较小,开关稳压电源输出端一般不允许开路。图6中R2R3,给运放同相输入端提供固定的小电压U+。R8为取样负载电流的分流器,当外电路未接负载RL时,R8上无电流,运放反相输入端电压U-=0,因而U+>U-,运放输出电压较高,使三极管V1饱和导通,将电源内部的假负载R7自动接入。当电源接入负载RL时,R8上的压降使U->U+,运放输出电压为零,V1截止,将R7断开。
[page]
3.5输入滤波电路的设计
输入滤波电路具有双向隔离作用,它可抑制从交流电网输入的干扰信号,同时也防止开关电源工作时产生的谐波和电磁干扰信号影响交流电网。电路如图7所示,是一种复合式EMI滤波器,L1、L2和C1构成第一级滤波,共模电感TR和电容C2、C3进行第二级滤波。C1主要用来滤除差模干扰,选用高频特性较好的薄膜电容。电阻R给电容提供放电回路,避免因电容上的电荷积累影响滤波器的工作特性。C2、C3跨接
在输出端,能有效抑制共模干扰。为了减小漏电流C2、C3宜选用陶瓷电容器。
[page]
4实验结果
图8~图10为输入电压220V的条件下,输出端的负载状况分别为空载、半载和全载时,输入端的功率波形图。由这3个图可以看出,输入功率是个脉冲序列,周期为10ms,即每半个工频周期电源输入端通过整流桥为输入平滑滤波电容充一次电。测量输入功率时串联于输入端的采样电阻为2.0Ω,因此功率为图示值除以2。半载时输出功率为:12.3662/10=15.29W,全载时输出功率为:12.2552/5=30.04W。电路正常工作时,漏极电压波形如图11所示。
(1)输出电压
在各种不同的负载状况下,当输入电压从90V变化到250V时,相应输出电压测试结果如表1所示:
(2)效率
实测各种负载状况下的效率如表2所示。
表2各种负载状况下的效率
(3)输出纹波电压
实测输出纹波电压峰峰值半载时为40mV;满载时为50mV。
5结语
介绍了一种实用的30W开关稳压电源电路的设计过程,该电源采用单端正激型电路结构,输出纹波较小,依靠自馈电线圈泄放变压器中的磁场能量,实现磁通复位,可减少发热,提高效率,而且去磁绕组匝数少,减小了变压器体积。应用电流型PWM控制器UC3843,提高了电源的动态响应速度,引入了过压、过流、过热、空载等保护,使电路能可靠工作。总之,该电源体积小、重量轻、纹波较小,效率较高,输出电压稳定度高,源效应和负载效应较小,保护电路较为完善,适用于功率小、要求体积小、效率高的场合。

图7输入滤波电路
3.4保护电路的设计
图4为变压器过热?;さ缏?,R3=R4,NTC为粘贴在变压器上的负温度系数的热敏电阻,常温下RNTCR2,运放U1构成滞环比较器。正常工作时,NTC阻值较大,运放U+<U-,输出为零;当温度上升到设定值时,运放U1输出为高电平,送到PWM控制芯片使输出脉冲关断。
图5为输出过电压?;さ缏贰N妊构蹹Z的击穿电压稍大于输出电压额定值,输出正常时,DZ不导通,晶闸管V门极电压为零,不导通。当输出过压时DZ击穿,V受触发导通,使光耦输出三极管电流增大,通过UC3843控制开关管关断。
图6为空载?;さ缏?。为了防止变压器绕组上电压过高,同时也为了使电源从空载到满载的负载效应较小,开关稳压电源输出端一般不允许开路。图6中R2R3,给运放同相输入端提供固定的小电压U+。R8为取样负载电流的分流器,当外电路未接负载RL时,R8上无电流,运放反相输入端电压U-=0,因而U+>U-,运放输出电压较高,使三极管V1饱和导通,将电源内部的假负载R7自动接入。当电源接入负载RL时,R8上的压降使U->U+,运放输出电压为零,V1截止,将R7断开。
[page]
3.5输入滤波电路的设计
输入滤波电路具有双向隔离作用,它可抑制从交流电网输入的干扰信号,同时也防止开关电源工作时产生的谐波和电磁干扰信号影响交流电网。电路如图7所示,是一种复合式EMI滤波器,L1、L2和C1构成第一级滤波,共模电感TR和电容C2、C3进行第二级滤波。C1主要用来滤除差模干扰,选用高频特性较好的薄膜电容。电阻R给电容提供放电回路,避免因电容上的电荷积累影响滤波器的工作特性。C2、C3跨接

图8空载时输入功率波形

图9半载时输入功率波形

图10满载时输入功率波形

图11漏极电压Uds波形
在输出端,能有效抑制共模干扰。为了减小漏电流C2、C3宜选用陶瓷电容器。
[page]
4实验结果
图8~图10为输入电压220V的条件下,输出端的负载状况分别为空载、半载和全载时,输入端的功率波形图。由这3个图可以看出,输入功率是个脉冲序列,周期为10ms,即每半个工频周期电源输入端通过整流桥为输入平滑滤波电容充一次电。测量输入功率时串联于输入端的采样电阻为2.0Ω,因此功率为图示值除以2。半载时输出功率为:12.3662/10=15.29W,全载时输出功率为:12.2552/5=30.04W。电路正常工作时,漏极电压波形如图11所示。
(1)输出电压
在各种不同的负载状况下,当输入电压从90V变化到250V时,相应输出电压测试结果如表1所示:
表1各种负载状况下的输出电压
| 输入电压(V) | 输出电压(V) | ||
|---|---|---|---|
| 空载 | 半载(10Ω) | 满载(5Ω) | |
| 90 | 12.455 | 12.360 | 12.242 |
| 110 | 12.459 | 12.368 | 12.247 |
| 220 | 12.467 | 12.375 | 12.255 |
| 250 | 12.471 | 12.381 | 12.262 |
(2)效率
实测各种负载状况下的效率如表2所示。
表2各种负载状况下的效率
| 负载 | 空载 | 半载(10Ω) | 满载(5Ω) |
|---|---|---|---|
| 输入功率(W) | 3.00 | 20.03 | 36.02 |
| 输出功率(W) | 0 | 15.29 | 30.04 |
| 效率(%) | 0 | 76.34 | 83.40 |
(3)输出纹波电压
实测输出纹波电压峰峰值半载时为40mV;满载时为50mV。
5结语
介绍了一种实用的30W开关稳压电源电路的设计过程,该电源采用单端正激型电路结构,输出纹波较小,依靠自馈电线圈泄放变压器中的磁场能量,实现磁通复位,可减少发热,提高效率,而且去磁绕组匝数少,减小了变压器体积。应用电流型PWM控制器UC3843,提高了电源的动态响应速度,引入了过压、过流、过热、空载等保护,使电路能可靠工作。总之,该电源体积小、重量轻、纹波较小,效率较高,输出电压稳定度高,源效应和负载效应较小,保护电路较为完善,适用于功率小、要求体积小、效率高的场合。
特别推荐
- ROHM新型接近传感器面世:VCSEL技术赋能工业自动化精准感知
- 为智能电动汽车赋能!纳芯微NSR2260x-Q1系列攻克复杂电源挑战
- 射频性能再升级,大联大品佳推出基于达发AB1585AM的头戴式蓝牙耳机方案
- 从零售到医疗:安勤四尺寸触控电脑满足多元自助服务场景
- 覆盖全球导航系统:Abracon新品天线兼容GPS/北斗/Galileo/GLONASS四大星座
技术文章更多>>
- 意法半导体CEO将重磅亮相摩根士丹利TMT大会,释放战略信号
- 采购无忧:贸泽电子备货瑞萨新品,覆盖全系列嵌入式应用
- 创新强基,智造赋能:超600家企业齐聚!第106届中国电子展打造行业盛宴
- 安森美获Aura半导体授权,强化AI数据中心电源生态
- 东芝携150年创新积淀八赴进博,以科技赋能可持续未来
技术白皮书下载更多>>
- 车规与基于V2X的车辆协同主动避撞技术展望
- 数字隔离助力新能源汽车安全隔离的新挑战
- 汽车模块抛负载的解决方案
- 车用连接器的安全创新应用
- Melexis Actuators Business Unit
- Position / Current Sensors - Triaxis Hall
热门搜索
友情链接(QQ:317243736)
我爱方案网 ICGOO元器件商城 创芯在线检测 芯片查询 天天IC网 电子产品世界 无线通信模块 控制工程网 电子开发网 电子技术应用 与非网 世纪电源网 21ic电子技术资料下载 电源网 电子发烧友网 中电网 中国工业电器网 连接器 矿山设备网 工博士 智慧农业 工业路由器 天工网 乾坤芯 电子元器件采购网 亚马逊KOL 聚合物锂电池 工业自动化设备 企业查询 工业路由器 元器件商城 连接器 USB中文网 今日招标网 塑料机械网 农业机械 中国IT产经新闻网 高低温试验箱
?
关闭
?
关闭





