中心议题:
- 开关电源的共模和差模噪声路径模型
- 开关电源电路主要元件的高频模型
- 开关电源共模和差模噪声的电路模型
开关型变换器噪声的干扰路径为干扰源和被干扰设备提供了耦合条件,对其共模干扰和差模干扰的研究尤为重要。本文主要分析了电路主要元器件的高频模型以及共模和差模噪声的电路模型,为开关电源PCB 的EMC 优化设计提供有益的帮助。
开关电源的共模干扰和差模干扰对电路的影响是不同的,通常低频时差模噪声占主导地位,高频时共模噪声占主导地位,而且共模电流的辐射作用通常比差模电流的辐射作用要大得多,因此,区分电源中的差模干扰和共模干扰是很有必要的。
为了区分出差模干扰和共模干扰,我们首先需要对开关电源的基本耦合方式进行研究,在此基础上我们才能建立差模噪声电流和共模噪声电流的电路路径。开关电源的传导耦合主要有:电路性传导耦合、电容性耦合、电感性耦合以及这几种耦合方式的混合。
1 共模和差模噪声路径模型
开关电源中由于高频变压器原副边绕组之间存在的耦合电容CW、功率管与散热器之间存在的杂散电容CK、功率管自身的寄生参数以及印制导线之间由于相互耦合而形成的互感、自感、互容、自容、阻抗等寄生参数而构成共模噪声和差模噪声通路,从而形成共模和差模传导干扰。在对功率开关器件、变压器以及印制导线的电阻、电感、电容的寄生参数模型进行分析的基础上,可获得变换器的噪声电流路径模型。
2 电路主要元器件的高频模型
功率开关管的内部寄生电感、电容影响到电路的高频性能,这些电容使得高频干扰漏电流流向金属基板,而且功率管与散热器之间存在着一个杂散电容CK ,出于安全的原因,散热器通常是接地的,这就提供了一条共模噪声通路。
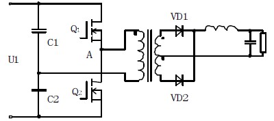
在PWM变换器工作时,伴随着开关器件的工作,也相应产生了共模噪声。如图1 所示,对于半桥变换器,开关管Q1 的漏级电压始终为U1,源级电位随开关状态的改变而在0 和U1/2 之间变化;Q2 的源极电位始终为0,漏极电位在0 和U1/2之间变化。为使开关管和散热器能保持良好接触,往往在开关管底部与散热器之间加上绝缘垫片或者抹上导热性能良好的绝缘硅胶。这使得A 点对地之间相当于存在一个并联耦合电容CK。当开关管Q1、Q2 的状态发生改变,使A 点电位发生变化时,就会在CK 上产生噪声电流Ick,如图2 所示。该电流由散热器到达机壳,而机壳也即大地与主电源线存在耦合阻抗,形成图2中虚线所示的共模噪声通路。于是,共模噪声电流在地与主电源线的耦合阻抗Z 上产生压降,形成共模噪声。

图1 半桥变换器示意图

图2 开关管对地电容形成的共模电流回路[page]
隔离变压器是一种广泛使用的电源线干扰抑制措施。其基本作用是实现电路之间的电气隔离,解决由地线环路带来的设备间相互干扰。对于理想的变压器,它只能传送差模电流而不能传送共模电流,这是因为对于共模电流,它在理想变压器的两个端子之间的电位相同,因此不能在绕组上产生磁场,也就不能够有共模电流通路了,从而起到了抑制共模噪声的作用。
而实际的隔离变压器原边和副边之间有一个耦合电容CW,这个耦合电容是由于变压器的绕组之间存在非电介质和物理间隙所产生的,它为共模电流提供了一个通路。
如图2 所示,A 点是电路中电压变化最强的区域,它也是产生噪声的最强的区域。伴随着电路的高频开关工作,该点的高频电压通过变压器初次级之间的分布电容Cps、电源线对地线的阻抗、变压器次级印制线自身的阻抗、电感、电容等参数,而形成变压器的共模噪声路径。
普通隔离变压器对共模噪声有一定的抑制作用,但因绕组间分布电容使它对共模干扰的抑制效果随频率升高而下降。普通隔离变压器对共模干扰的抑制作用可用初次级间的分布电容和设备对地分布电容之比值来估算。通常初次级间的分布电容为几百pF,设备对地分布电容为几~ 几十nF,因而共模干扰的衰减值在10~20 倍左右,即20~30dB。为了提高隔离变压器对共模噪声的抑制能力,关键是要耦合电容小,为此,可以在变压器初次级间增设屏蔽层。屏蔽层对变压器的能量传输无不良影响,但影响绕组间的耦合电容。带屏蔽层的隔离变压器除了能抑制共模干扰外,利用屏蔽层还可以抑制差模干扰,具体做法是将变压器屏蔽层接至初级的中线端。对50Hz 工频信号来说,由于初级与屏蔽层构成的容抗很高,故仍能通过变压器效应传递到次级,而未被衰减。对频率较高的差模干扰,由于初级与屏蔽层之间的容抗变小,使这部分干扰经由分布电容及屏蔽层与初级中线端的连线直接返回电网,而不进入次级回路。
因此,对变压器的高频建模非常重要,特别是变压器的许多寄生参数,例如:漏感,原副边之间的分布电容等,它们对共模EMI 电平的高低有着显着的影响,必须加以考虑。实际中,可以使用阻抗测量设备对变压器的主要参数进行测量,从而获得这些参数并进行仿真分析。
半桥电路中的直流电解电容Cin有相应的串联等效电感ESL 和串联等效电阻,这两个参数也影响到电路的高频性能,一般情况下ESL 大约在几十nH 左右。在实际分析中,无源元件,如电阻器、电感器和电容器的高频等效寄生参数可用高频阻抗分析仪测得,功率器件的高频模型可以从电路仿真软件的模型库中得到。
另外一个对电路的高频噪声影响较大的因素是印制板上印制导线(带状线)的相互耦合,当一个高幅度的瞬变电流或快速上升的电压出现在靠近载有信号的导体附近,就将产生干扰问题。印制导线的耦合情况通常用电路和导线的互容和互感来表征,容性耦合引发耦合电流,感性耦合引发耦合电压。PCB 板层的参数、信号线的走线和相互之间的间距对这些参数都有影响。
建立印刷电路板走线高频模型和提取走线间寄生参数的主要困难是决定印刷板线条单位长度的电容量和单位长度的电感量。通常有三种方法可以用来决定电感、电容矩阵元件:(1)有限差分法(FDM);(2)有限元法(FEM);(3)动量法(MOM)。
当单位长度矩阵被精确的决定以后,通过多导体传输线或部分元等效电路(PEE C)理论,就可以得到印刷电路板走线的高频仿真模型。Cadence 软件是一种强大的EDA 软件,它的SpecctraQuest 工具可以对PCB 进行信号完整性和电磁兼容性分析,用它也可以对印刷电路板走线进行高频建模,实现对给定结构的PCB 进行参数提取,并且生成任意形状印制导线走线的电感、电容、电阻等寄生参数矩阵,然后利用PEEC 理论,就可以进行EMC 仿真分析。
3 共模和差模噪声的电路模型
通常电路中的共模干扰和差模干扰是同时存在的,共模干扰存在于电源的任意一个相线与大地之间,差模干扰存在于相线与相线之间。法国Grenoble 电技术实验室的Teuling、Schnaen 和Roudet 基于由MOSFET 构成的400W、开关频率为100KHz 的斩波电路实验模型的研究表明,低频时差模干扰占主导地位;高频时,共模干扰占主导地位,这说明开关电源的差模干扰和共模干扰对电路的影响程度是不同的;另一方面,线路寄生参数对差模干扰和共模干扰的影响也不同,由于线间阻抗与线———地阻抗不同,干扰经长距离传输后,差模分量的衰减要比共模大。因此,为了解决开关电源的传导噪声问题,需要首先区分共模和差模干扰,这就需要建立共模和差模噪声路径,然后对它们分别进行仿真和分析,这种方法便于我们找到电磁干扰问题的根源,便于问题的解决。
[page]
在工程上可以用电流探头来判断电源是共?;故遣钅U贾鞯嫉匚?,探头先单独环绕每根导线,得出单根导线的感应值;然后再环绕两根导线,探测其感应情况,如果感应值是增加的,则线路中的干扰电流是共模的,反之是差模的。在理论分析中,针对不同的系统,需要分别建立它们的共模和差模噪声电流模型,在我们上述分析的基础上,综合考虑功率器件的高频模型和印制导线相互耦合关系,我们得到了半桥QRC 变换器的共模和差模干扰电路模型,它示于图3。图中的LISN(Line ImpedenceStabilizing network) 是EMC 检测规定的线性阻抗固定网络。因为对于50Hz 工频信号LISN 的电感表现为低阻抗,电容表现为高阻抗,所以对工频信号LISN 基本不衰减,电源可以经LISN 输送到半桥变换器中。而对于高频噪声,LISN 的电感表现为大阻抗,电容可以视为短路,所以LISN 阻止了高频噪声在待测设备和电网之间的传送,因此,LISN 起到了为共模和差模干扰电流在所需测量的频段(典型值为100KHz ~30MHz)提供一个固定的阻抗(50ohm)的作用。

图3 半桥QR C 变换器的噪声模型
在上图中,共模噪声电流分别从两套LISN 出发,经过电路开关器件、变压器、PCB 印制导线、副边电路,又回到LISN 形成共模噪声电流回路。差模噪声电流则在两套LISN、印制导线、开关器件、变压器之间形成回路。共模噪声和差模噪声可以分别取自两套LISN的电阻上电压的之差的一半或之和的一半。
即:

所以:

用同样的方法,可以很方便的得到其它拓扑的传导干扰电路模型。



