- 单相电子电度表的电源设计
- 三相电度表电源设计
- 单相纯计量表采用低成本的串联阻容降压电路
- 对三相四线供电时不能缺零线,对三相三线供电时不能缺公共地线
随着国家电力产业的蓬勃发展,以及电力行业推行“一户一表”制,使得早期使用的机电式电度表越来越不适应市场要求,而电子式电度表由于具有计量准确、可远程抄表和分时计量等特点,且产品的可靠性也占有优势,因而市场见好。据报道每年仅国内就约有五千万只的需求。由于电度表属于不间断工作的电力计量产品,对计量准确性、可靠性和EMC特性等有严格要求,因而其电源部分则是电子电度表设计的关键之一。
电度表有详细的设计、生产和检测标准,如GB/T17215-19981级和2级静止式交流有功电度表(对应的国际标准为IEC1036:1996),GB/T15284-1994多费率(分时)电度表,DL/T698-1999低压电力用户集中抄表系统技术条件、DL/T614-1997多功能电能表等。这些标准分别对与电度表电源设计有关的整机功耗,输入电压范围,EMC测试等方面提出了详细要求。下面分别探讨简单的单相纯计量表、单相多功能表、三相电度表的电源设计方法和应注意的问题。
单相电子电度表的电源设计
单相电子电度表中纯计量表和多功能电表,对电源的需求有所不同。
1单相纯计量表的电源设计
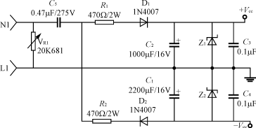
单相纯计量表一般只含有一个基本的计量单元,一个电子计度器,一个发光二极管和脉冲输出口等,整机耗电一般不超过50mW,采用低成本的串联阻容降压电路即可满足整个电度表的供电需求;有的计量IC只需要单一+5V电源供电,如ADE7755等,如图1所示。而有的计量IC需要±5V或±2.5V双电源供电,如BL0932、SA9602M等,如图2所示。

图1单电源供电

图2双电源供电
输入电路的电阻R1(或R1、R2)要采用品质较好的金属膜电阻或水泥电阻,功率2~5W,阻值100~820Ω;降压电容C2(或C5)采用高质量的高压金属化聚丙烯电容,一般0.22~0.47μF,耐压应≥AC250V,电容的容量过大会引起视在功率超标。
当计量脉冲驱动计度器时,计度器的步进电机瞬间会吸收较大的电流,如果输出滤波电容量不足时,将引起电压波动,影响计量的准确度,尤其电度表在大电流输入时,计量脉冲的频率更快,供电电压更易受到影响,所以还应选择较大的输出滤波电容,保证在大电流计量工作时,不影响计量精度。一般情况下主电路滤波电容取1000μF~2200μF,并且要用长寿命(>2000h)的电解电容以提高可靠性,同时也应考虑发光二极管、脉冲输出口有计量脉冲输入时,瞬间也会吸收部分电流,对电源电压的稳定性也有影响。
2单相多功能电度表的电源设计
单相多功能电度表的基本单元一般包含计量,CPU,显示等。对电源来说,主要考虑的是电度表需要几路电源,各路的电压、功率需求;有些电表可能还有外接控制线或通讯线,对这些引出线应有安全隔离要求。由于该电度表上所用的元器件和集成电路等远比单相纯计量表要多,所需功率也较大,根据标准要求,电压线路的静态功耗对不同类电度表应≤1.5~3W,视在功率≤10VA,一般采用低成本的线性变压器供电即可。有的供电局对电子电度表功耗提出了更加严格的要求,比如静态功耗要<1W,而对输入电压波动范围要求在(70%~130%)Un,甚至更大。
[page]
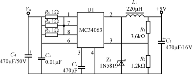
如果保证在最低输入电压70%Rn时电表能输出正常的工作电压,按线性变压器特性,则在额定输入电压Un时,输出电压会较高,如果输出电压整流滤波后采用一般的线性稳压器供电,将会使整机功耗加大;而在最高输入电压时,将会使变压器温升增大,线性稳压电路损耗加大,发热量也会增大;针对整机耗电较大的电子电度表,其解决办法一是可以采用较好材质的硅钢片,如Z11型硅钢片;二是低压输出稳压电路采用一个低成本的高效率DC/DC变换电路,即可使整机功耗显著降低,还可在宽输入电压范围内,稳定、高效地工作。这些DC/DC电路可以采用简单的低成本MC34063、LM2574等DC/DC变换器,采用MC34063设计的+5V输出DC/DC变换器如图3所示。

图3DC/DC变换器
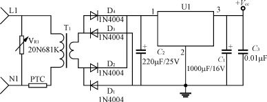
现在,大部分供电部门为防止由于电网零线接错而损坏电度表或人为采用过压供电方法破坏电度表等问题,已要求新安装的单相电度表能够承受高压(如380V电压)一定时间(如4h)而不损坏,如果单相表的输入电路不加处理,输入的高压将会使电度表在短时间内烧毁。只要在变压器输入端串联一只合适的PTC热敏电阻作过流保护,让外部电压主要加在PTC热敏电阻上,则可保证线性变压器不致发热、损坏。为保证不发生误动作,热敏电阻的不动作电流应参考电度表的实际交流输入电流选取,并留有50%余量,居里温度应≥80℃;在最高工作温度下,最大负荷工作时,电表不能被保护,而在最低工作温度下,输入端加入380V交流电时,电度表内的PTC应在很短时间内起?;ぷ饔茫Vさ绫聿槐凰鸹?,电路图如图4所示。

图4单相多功能电度表电源
三相电度表电源设计
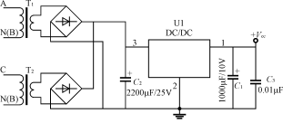
三相电度表有三相三线,三相四线,输入电压有3×(220~240)V/380~400V、3×57V/100V等。三相电度表供电电路可以参考单相电度表电源的设计方法,对于三相四线供电电路,可以在每一相线对零线之间接1只线性变压器,共3只线性变压器;对三相三线可以取一相如Β相作为公共地线,A、C相对Β相接2只线性变压器。这些变压的副边单独整流后再将输出的正极接在一起、负极接在一起,经电容滤波后,再通过DC/DC变换器输出稳定电压,向电度表供电,如图5所示。

图5三相电度表线性电源
这种供电方式体积和重量较大,成本也较高,显然按以上电路连接时,对三相四线供电时不能缺零线,对三相三线供电时不能缺公共地线,如B相;另外,有的供电局用户要求,三相电度表输入端任意两线有电压输入时都能工作,则图5的设计便不能达到目的;当采用三相电度表专用开关电源??楣┑缡?,可解决以上问题,其内部结构图如图6所示。

图6三相电度表专用开关电源???br />
这种三相电度表专用开关电源??椋寤?2mm×75mm×22mm,输入电压范围宽,在60~480V范围内,任意二线、三线、四线输入都可工作,带有输入过压、输出过流?;すδ?,电源的EMC特性也较好,另外还有体积小、重量轻、效率高、损耗小等优点,它的每相供电的自身损耗均<0.4W,已经过我公司三年批量试用,具有良好效果。
电子电度表的电源设计应合理选择元、器件,以提高产品的可靠性,并降低成本;主机应选择低压供电、低功耗的电路以降低整机功耗;另外,合理地布置元、器件及PCB布线等,对提高电度表的EMC性能有极其重要意义。





