- 太阳电池串联均压控制系统原理
- 太阳电池串联均压控制模型和试验结果
- 采用双向功率流动CUK变换器
- 采用传统的电压外环,电流内环的双闭环控制方案
为适应不同负载所需的电压等级,实际使用中以多块太阳能电池串联。为实现系统高效率运行,需要研究系统总输出功率与各太阳能电池电气参数之间的关系。有关资料表明,多块太阳能电池串联系统的输出功率与各太阳能电池端电压密切相关:当各太阳能电池板端电压相等时的的输出功率较端电压不相等时有很大提高。
由太阳能电池的直流模型可知,太阳能电池是一个复杂的非线性系统,其特性受自身工艺参数,太阳电池温度,外界光照条件等诸多因素影响。图1是两块太阳能电池I—V曲线(Uoc是开路电压,Is是短路电流)。本文从两块太阳能电池串联系统出发,探讨系统的输出功率在各太阳能电池端电压的变化趋势。

图1太阳能电池特性曲线
双向功率流动CUK变换器
在DC--DC变换器中,用具有单向导电性的晶体管和场效应管做开关,只能实现功率的单方向流动,而实际各太阳能电池板开路电压差别正负是随机的。需要一种可以实现功率双方向流动DC--DC变换器。
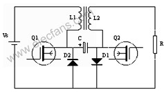
功率双向流动CUK变换器(图2)与传统的单向功率流动CUK变换器不同的是:在原来开关管Q1和二极管D1两端分别反向并联二极管D2和开关管Q2如图3所示。这个电路具有对称性,输入输出电流方向可正可负。右边负载R换为下正上负电压源Vs,左边电压源Vs换为负载R,则功率从右向左倒流[2]。

图2 功率双向流动CUK变换器
[page]
工作原理
1主电路
在上述双向功率流动的CUK变换器的基础上,组成了双太阳能电池串联均压系统的主电路,如图3所示。其中:PANELA PANELB分别为两块相串联的太阳能电池板,L1,L2为紧耦合电感,C为能量交换电容,G1G2为开关管,D1D2为快恢复二极管,R1R2为开关管漏极电流取样电阻,R为负载电阻。

图3 系统主电路原理图
2控制电路
系统控制框图如图4所示。调节系统以美国德州仪器公司(TEXASINSTRUMENTS)的脉宽调制芯片TL494为核心,采用传统的电压外环,电流内环的双闭环控制方案。TL494是一种电压型脉宽调制芯片,内置两个误差放大器。这里使用其中一个做为电流内环。

图4 控制框图
两块太阳能电池板端电压Ua,Ub对地极性相反,同时加到电压环输入端。经过电压环比例积分环节和绝对值运算,送到TL494的误差放大器反相输入端(2脚),作为电流环的给定,同时电压环比例积分调节器的输出经放大后决定封锁G1或G2。即作为极性开关,采样电流送至TL494的误差放大器同相输入端(1脚)。TL494的13脚上拉为高电平,设置为推挽输出方式,调制脉冲输出端8脚和11脚输出脉冲频率为振荡器频率1/2的PWM的方波,经图腾柱电路放大后,推动开关管Q1和Q2。
系统投入运行后,假设Ua>Ub,电压环比例积分调节器的输出高电平封锁Q2的驱动电路,TL494的调制脉冲输出端A(8脚)输出PWM方波无效,只有Q1导通,功率从PANEL A流向PANELB,Ua下降,Ub上升,最终Ua=Ub。反之,Ua<Ub,电压环比例积分调节器的输出高电平封锁Q1的驱动电路,TL494的调制脉冲输出端B(11)脚输出PWM方波无效,只有Q2导通,功率从PANELB流向PANELA,Ua上升,Ub下降,最终亦Ua=Ub。
实验结果
实验电路参数如下:
控制系统投入前,Ua=17.1v,Ub=15.5v,I=75.1ma,R=434欧姆。
控制系统投入后,Ua=16.0v,Ub=16.1v,I=81.7ma。R=434欧姆
实际测得负载电流比投入调节系统前增大约10%,由P=I2*R,考虑控制系统自身少量开关损耗,可以认为整个系统输出功率比投入调节系统前增大约20%,整个串联太阳能电池系统效率明显改善。
本文以功率可双向流动的CUK变换器调节两组串联太阳能电池功率流动,实现端电压均衡,提高了输出功率;证明了多块太阳能电池板串联系统的输出功率与各太阳能电池板端电压密切相关。在目前太阳能电池光电转换效率还比较低的实际情况下(平均转换效率还不到18%),这一实验结果对太阳能电池利用系统应该具有一定的实践借鉴意义.



