- 电源??槌跫抖撕痛渭抖说脑擞?/strong>
- 连续传导模式(CCM)功率因数校正
- 各??榈墓ぷ髯刺?/strong>
- 增大总线电容
- 采用零电压开关拓扑
- 调整次级电压的二极管由MOSFET代替
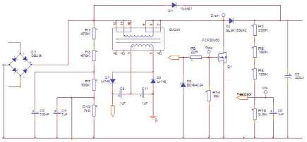
功率因数校正级(PFC),加上总线或DC链路电容,对于许多无法单独优化的不同因素来说是十分关键的。现在,大部分电源都采用了有源PFC电路,亦即升压转换器,确保输入电流与输入电压同相,使输入端的正弦波失真最小化,从而减小传导EMI,实现宽输入范围(85VAC~265VAC)。而且,这个升压转换器会根据输入电压调节自己的占空比和输入电流,并把总线电容的电压调节到350V~400V。然而,如果升压转换器不是有源的(例如在启动状态),电流可能流经输入整流器,进入升压电感和二极管,再到空的总线电容,最终产生很大的浪涌电流。要避免这一问题,需要额外的限流电路,否则可能触发电网熔丝。
在高可靠性或关键任务应用中,由于对保持时间和节电保护的要求更严格,因此总线电容必须增大,这使得浪涌电流变得更大。在某些情况下,需要一个NTC电阻,但在“热”启动(如停电)时,NTC仍然很热,不能提供?;ぁ8軩IN-EN61204标准,测试方法针对两种情况:70%的额定输入电压,20ms;以及40%的额定输入电压,100mS。第二种情况对没有有源PFC的电源而言可谓相当棘手。
脉宽调制级(PWM)是主要的转换器级。其中DC电压被斩波为更高频率的方波,因此利用更小的变压器就可以转换到另一个电压级并提供隔离。并非所有的拓扑都采用占空比变化的方波,有些拓扑采用的是变频,还有的则是改变两个脉冲序列之间的相位。这一级主要确定转换器的效率和负载调节。转换器效率十分重要,首先它关系电源的运行成本;其次是必须通过机箱冷却来散除产生的热量;第三是热组件越大,就越昂贵,占用空间也越大。这三个因素与电源的使用寿命成本关系重大。

图1工业电源的各个不同级及每级的主要特性
[page]
转换器拓扑的选择对效率和辐射EMI都至关重要,因为功率开关越倾向于硬开关,产生的dI/dt和dV/dt就很大,同时电流和电压就越高,这会导致开关频率谐波的大量产生。在各种拓扑中,谐振或准谐振拓扑都颇具优势但较难设计,尤其是谐振拓扑,很难在宽泛的负载范围上实现。下文中描述的LLC拓扑具有在宽负载范围内有限的开关频率变化以及软开关,很容易解决这一问题。
PWM级也是所有必须?;すδ艿暮诵乃凇T诘缌髂J阶黄鞯那榭鱿?,逐周期限流器可保护电源免受大部分输出问题的伤害,这些问题通常与热关断有关。
同步整流级(SR)把变压器产生的交流电压转换回直流电压。由于电压很低,电流往往相当高,故整流器的传导损耗必须最小化。若采用硅PN结二极管可以获得0.7V的正向电压,则采用肖特基二极管可达到0.4V。要获得更低的电压级就需采用MOSFET,这时电压级由导通阻抗RDS(ON)和输出电流决定,且比前两种情况要低得多。但因为MOSFET是有源器件,故需要一个适当的栅极驱动信号来完成,如果设计良好,这一级的功耗可大幅度减小,从而进一步提高效率。此外,利用先进的低电感封装技术,设计还可以非常紧凑耐用。
连续传导模式(CCM)功率因数校正
输入整流器(图2中没有EMI滤波器)产生的输入电压被馈入到PFC电感中,此时后者的次级线圈为PFC控制IC提供供电电压。电感前面的电阻/电容网络可对输入电压进行采样。电感之后是带栅极?;さ缏返牡缭纯兀琍FC整流器为StealthTM二极管。接下来使用一个电阻分压器来感测和调节PFC级的输出电压,反馈回路至此结束。总线电容也如图2所示,而二极管D1是一个额外的保护器件。

图2PFC级的原理示意图
这里采用的控制器是FAN4810,该器件包含了先进的平均电流“升压”型功率因数校正实现电路,电源因此能够完全满足IEC1000-3-2规范的要求。它还包含了TriFaultDetect功能,有利于确保不会因PFC中单个组件的故障造成不安全事件。1A的栅极驱动器又极大降低了对外部驱动器电路的需求。此外,它的功率要求很低,既提高了效率也降低了组件成本。该PFC还带有峰值限流、输入电压中断?;すδ?,还有一个过压比较器,可在发生负载突然减小事件时关断PFC部分。时钟输出信号可用来同步下游的PWM级,以减少系统噪声。
图3中,绿色曲线的较厚区域代表电流纹波,PFCIC在峰值输入电压下消耗电流较多,过零时没有电流。粉色曲线代表整流器输入电压,蓝色曲线为输出电压。

图3CCMPFC的行为
[page]
LLC拓扑
提高电源效率的方法之一是采用零电压开关拓扑。在这种拓扑中,电路中的电源开关在电压极低时导通。对于钳位感应开关MOSFET,导通损耗PONLOSS可由下式粗略求得:

IL为流经MOSFET的负载电流,VDS(SW)为MOSFET导通前的漏源电压,tON为导通时间,而fSW则为开关频率。
在硬开关拓扑中,VDS(SW)是总线电压,对带有PFC前端级的应用来说一般约为400V。对于零电压开关,该电压被降至MOSFET二极管的正向电压降,在1V左右,从而极大地减小了导通开关损耗。
图4所示为LLC谐振转换器的??槭疽馔肌F浜诵淖榧切痴裢纾谑淙攵说缪共ㄐ魏土魅胧淙攵说牡缌髦洳辔恢秃?,加载在输入端的电压波形是方波,利用半桥或全桥电路很容易就可以从PFC输出电压中产生。

图4LLC谐振转换器??槭疽馔己土愕缪箍夭ㄐ?br />
如果忽略桥式电路中死区时间效应以及更高阶谐波的出现,那么流入谐振网络的电流可近似表示为正弦波。由于流入谐振电路的电流滞后于电压基波,当MOSFET处于导通状态时,电流从两个方向流入,如图4所示。MOSFET在电流流经体二极管时导通,导致“零”电压开关。这种方法带来的一个额外好处是导通时产生的EMI较低,这是因为高dv/dt和di/dt转换时间要短得多,而且通常没有标准硬开关应用中不可避免的反向恢复效应。
由于谐振电路的输出是周期性的,因此需要对之进行整流。这可以采用如图4所示的全波整流器或一个带中心抽头(centre-tap)的整流器来完成。
最后,AC-DC电源中的谐振网络基本上都会采用一个变压器。该变压器执行两项任务:其一是提供初级端和次级端之间必需的安全隔离;其二是通过它的匝数比控制电源的总体电压转换比率。
[page]
为了避免Q1和Q2同时导通的风险,需要一定的死区时间。以Q1的关断波形为例。流经开关的电流很大,接近峰值电流。关断期间的电压摆幅为满总线电压,因此关断步骤是无损耗的。
要确保Q2的零电压开关,Q1的漏源电容完全充电十分重要,这意味着充电时间不应该超过死区时间。若总线电压为VBUS,开关时电流为ISW,有效漏源电容为CDSeff,则电容的充电时间tSW可由下式计算出:
VBUS由设计条件事先确定。如果CDSeff为零,Q2就会如预期地实现零电压开关。如果CDSeff非常大,Q2为硬开关工作。轻载下ISW很小,当负载足够小时,最终也会发生Q2硬开关。
有时可为每个MOSFET并联一个电容。如果其容量选择适当,就可以降低关断损耗,同时又不影响较轻负载下的零电压开关性能。
LLC谐振转换器是让谐振转换器与一个电感串联。这样一来,谐振电路中就有两个电感和一个电容,故名为L-L-C。图5显示了一个实例电路的增益特性。

图5LLC谐振转换器增益曲线实例
在工作区域,电压增益首先随着频率的增加而降低,这确保了零电压开关所需的相位滞后??刂频缏吠ü谋淦德世锤谋湎低吃鲆?。最小增益和最大增益之间的差距相当小,因此谐振转换器需要很窄的DC电压输入范围。在这个电源设计中,由PFC级提供窄输入电压范围,建议采用连续传导模式PFC级。
利用PFC级,LLC转换器的输入可设置在400V左右。如果所需输出电压为12V、匝数比为40:1,则额定负载下需要1.2的DC增益。无论负载情况如何,频率始终不变。
为便于说明,假设输入电压提高到480V,则控制电路需把增益降至1.0,以保持12V的输出电压。在这种情况下,频率会在115kHz(满负载)和130kHz(20%负载)之间变化,从图中可看出何时决定不同负载下的增益曲线与增益为1.0的线在哪个频率下相交。利用前述应用中采用的前端PFC级,在缺输入半波的情况下需要一些额外的增益,即所谓的“保持”时间要求。
同步整流
次级端的同步整流级是利用新的FPP06R001??槔垂菇ǖ?,如图6所示。

图6同步整流器??槿绾瘟釉诒溲蛊鞯拇渭抖松?br /> [page]
用来调整次级电压的二极管通常由MOSFET代替,该??榘苏ぜ骱凸β蔒OSFET,采用外引脚极宽的小型单列直插封装,可减小寄生电感和电阻。
利用模块来代替分立式组件可以提高效率、减小EMI并简化总体设计。??橹蠱OSFET的RDS(ON)比分立式解决方案中的小10%,总体封装阻抗小16%,振铃因此减少,从而减小了EMI。栅极驱动器回路的尺寸很小,这又进一步减小了EMI辐射,增强了抗干扰能力,尤其是对漏极上的dv/dt干扰。由于两个棘手回路的布局都已在模块内完成,所以对设计人员而言总体设计变得较简单。
图7解释了让栅极驱动器靠近功率MOSFET为什么如此有用。栅极驱动器的非零输出阻抗ZDRV必须通过寄生阻抗Zstray1和Zstray2,以及栅极阻抗Rg来控制MOSFET,尤其是关断。这时,漏极上的高dV/dt加上栅极路径上的高阻抗,可能引起MOSFET的寄生导通。而利用极短的连线和功能强大的栅极驱动器,几乎可以实现完美的开关。

图7栅极驱动器电路中的寄生阻抗
通过分析功率MOSFET上的电压级,可以创建栅极驱动器信号,确定开关导通的准确时序。一旦完全导通,开关上的电压降可利用公式RDSON×IOUT算出,因此RDSON越低,电压降就越低,功耗也越低(这时开关损耗忽略不计)。确定正确的功率开关导通和关断时间是非常重要的,这样就可避免体二极管的传导,后者会造成电流换向,最终增大电压降。
下表比较了在输出功率为400W(24V,17A)、结温为100℃时,采用不同整流器获得的结果:

有意思的是,输出整流器的功耗只与输出电流有关,而与输出电压无关。输出电流越高,同步整流解决方案就越有优势。肖特基二极管的实际限制在10A左右,超出这个限值,整流器的功耗会变得相当大,这是因为正向电压在某种程度上依赖于电流。不过,对于较高的输出电压,肖特基二极管可能更好,因为电流更小并且无需驱动电路。
电源系统
在欧盟指令下,一种新的电源效率测量方法已被采用,可在25%、50%、75%和100%的额度输出功率下对输入输出功率进行测量。利用这种方法,电源效率可达到93.8%。

图8初级端和次级端??椴捎孟嗤某叽纾欣谑迪址浅>傅幕到饩龇桨?div>要采购开关么,点这里了解一下价格!




