- 对补偿式电力稳压器的主要要求
- 稳压器的构成与工作原理
- 稳压器的选择与使用
- 通过“多路全桥功率电路”来控制取得正负补偿电压
- 用固态继电器群组成无触点单元
- 经过主控板进行判断与处理输出控制指令
我国自上世纪80年代第1台大功率补偿式稳压器问世以来,通过20年的发展创新,对补偿系列产品已经形成了相当规模的生产能力,并使产品结构、质量等方面得到了迅速的发展,已成为当今大功率稳压源的主流产品之一。然而,中国的电源市场广阔、发展不平衡,特别是加入WTO以后势必将面临严峻考验,本文就5型稳压器(新一代SBW5型大功率补偿式电力稳压器)极为重要的几个突出优点及研制电源系统的组成进行简要的阐述。
市场对补偿式电力稳压器新的主要要求:
1)高可靠性,安全第一,要求平均无故障时间≥50000h。
2)具有较宽的稳压范围,负载调整率及较快的动态响应。
3)功率大于20kVA的稳压器应采用分相补偿调节。
4)对电网的谐波污染和高频电磁干扰应尽可能地减小。
5)具有防雷,防浪涌和其它防患措施。
6)免维护,有??亟涌?,可实现无人值守。
5型稳压器的构成与工作原理
5型系列稳压器是潘登公司在原有稳压器技术基础上进行更新改造的产品,主要面向电信、电力、移动基站等行业。归纳起来它有以下3个显著特点:
1)针对中国电网的特点,全部采用分相补偿调节设计,补偿量30%。
2)采用微电子元器件,磁路控制及计算机自动控制技术于一体的高新技术,改造了传统的碳刷、触点、机械传动调压补偿方式。
3)具有防雷等安全措施及遥控遥测功能,实现无人值守与智能化管理。
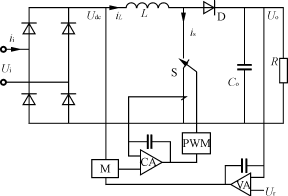
原理框图如图1所示。

图1原理框图
从图1不难看出5型稳压器与传统补偿式稳压器的主要区别在于“补偿”方法上。补偿式稳压技术的关键就是补偿电压的调节方式,它直接关系到稳压器的安全可靠性、动态响应、稳压精度、稳压范围、波形失真等性能指标。众所周知,常规机械补偿式稳压器是利用伺服电机和机械传动系统与园盘式或柱式调压器组成的交流稳压装置。
[page]
因为是机械传动,所以对电源动态响应速度慢,而且对装置平衡和碳刷架压力有严格要求,因此使用时间一长,结构变形松动,容易发生调压器短路而造成不良后果,同时碳刷的磨损会产生火花而引起干扰,污染电网与影响其它设备(特别是带有微电脑的设备)的正常工作。
而新一代5型稳压器调压系统是“多路补偿变压器组合群体”,通过“多路全桥功率电路”来控制多个无触点开关的通断取得正负补偿电压,属高新技术的电子开关调压系统装置,整个调压系统无碳刷、无触点、无机械运动,这样大大提高了稳压器运行过程中的可靠性,而且响应速度、精度、稳压范围都得到了极大的改善与提高,达到免维护的目的。
从图1可以看到由多台补偿变压器组成主控单元,用固态继电器群组成无触点单元,控制电路由采样系统、主控板及各种显示、?;さ缏纷槌?。当输入电压波动或负载电流发生变化时,通过采样系统获取反馈电压,经过主控板进行判断与处理输出控制指令,在电压过零同步脉冲的作用下使相应的晶闸管??榻油ɑ蚬乇?,使对应补偿变压器投入工作,改变了补偿电压Δu值从而快速达到了稳定输出电压的目的。
图2是一相主控补偿单元电路的原理图。图中T1、T2、T3是三个独立的补偿变压器,根据稳压精度及输入电压的范围要求来选择变压器的台数(一般为3~4台,这里选择3台),次级绕组的补偿电压可设置为7V、14V、28V(或5V、10V、20V)等,当顺极性(或反极性)全部投入时可以获得最大正负补偿电压为49V,当最小补偿电压取7V时,稳压精度为3%。

图2主控补偿单元
S1~S12是固态继电器,其中S1~S4与T1、S5~S8与T2、S9~S12与T3分别组成三个功率全桥电路。其工作过程如下:若由于输入电压Ui升高等原因造成输出电压Uo高于额定值,要求T1、T2、T3中1个(2个或3个)工作,产生反极性电压抵消Ui升高的那部分电压,如经主控板判断需要T1投入时,可触发S1、S4道通。当Uo低于额定值时,需要T1产生顺极性电压补足Ui所缺的那部分电压,可触发S2、S3道通。以此类推,如果Ui升高或降低较多时,可使T1、T2、T3同时投入工作,产生较高的反极性或顺极性补偿电压,使输出电压始终稳定在稳压精度以内。
由于5型稳压器补偿电压调节系统中的开关器件都是电力电子器件,远比传统式电磁感应继电器的动态响应快得多,而且开关器件都为触发电路及电力电子器件组成的电路???,因此具有较强的抗干扰能力,这对于电信、移动基站的精密电子仪器、计算机或数字微电子设备是理想的交流稳压仪器。
作为供电电源的稳压器对可靠性的要求比任何用电设备、电器都要高,本设备由于无碳刷、无触点、无机械传动,从而减少了故障点,提高了设备的平均无故障时间。
稳压器的选择与使用
1)该系列产品补偿调节有统调与分调两种形式。若需要集中稳压而且功率较大的,推荐选用分调式的,因为分调式稳压器是A、B、C相分相采样,分相调节,这样能保证各相电压的稳压精度;而统调式因为仅取一相采样而集中统调,因此无论如何也保证不了其他二相的稳压精度。
2)不仅要求稳压器对当地电网的适应性,如:稳压范围、抗干扰能力以及对非线性负载的适应能力等,而且还要求稳压器自身没有波形畸变,不产生高频干扰和对电网形成污染。尤其对供电质量较差的单位,至少要有30%的稳压范围才能适用,并要求稳压器在最低输入电压情况下还能保持额定最大输出功率。
3)稳压器不能离负载太远,越近越好,并建议一台设备配一台稳压器,注意不要在配电室里面搞大容量的集中稳压,这样非但起不到稳压作用,而且可能带来更多的麻烦。
4)大功率稳压器的可靠性是第一位的,因此除了必要的过压、欠压?;ね?,有些功能如自动上电、缺相?;さ瓤梢圆槐乜悸牵蛭嘁桓龉δ鼙愣嘁桓龉收系?,当然防雷装置是必不可少的。无人值守时应有??匾2夤δ堋A硗?,不必过分追求稳压器的精度,因为越是高精密电子仪器,其本身就具有良好的工作电源,因此稳压器的响应与精度方面不会对其构成较大影响,而稳压器的干扰问题,恰恰是不可忽视的。




