- 线性恒流稳压器驱动LED
- 电感型转换器驱动LED
- 可使用TRIAC调光的LED驱动方案
- LED日光灯驱动方案
- LED路灯照明解决方案
市场上典型的LED驱动器包括两类,即线性驱动器和开关驱动器;大概的适用范围见图1。如电流大于500mA的大电流应用采用开关稳压器,因为线性驱动器限于自身结构原因,无法提供这样大的电流;而在电流低于200mA的低电流应用中,通常采用线性稳压器或分离稳压器;而在200至500mA的中等电流应用中,既可以采用线性稳压器,也可以采用开关稳压器。
开关稳压器的能效高,且提供极佳的亮度控制。线性稳压器结构比较简单,易于设计,提供稳流及过流保护,且没有电磁兼容性(EMC)问题。

图1 LED驱动器分类
线性恒流稳压器
在低电流LED应用中,电阻型驱动器尽管成本较低且结构简单,但这种驱动器在低电压条件下,正向电流较低,会导致LED亮度不足,且在负载突降等瞬态条件下,LED可能受损;并且电阻是耗能元件,整个方案的能效较低,见下图示例。

图2 电阻型与线性驱动器对比
与电阻型驱动器相比,安森美半导体推出的线性恒流稳压器可以提供稳定电流,在宽电压范围下提供恒定亮度,在高输入电压时?;ED,使其免于过驱动,在低输入电压时提供更高的亮度。而得益于其恒流特性,整个驱动仅需要一个SOT223封装的线性稳压器,结构简单;客户可以减少或消除源自不同供应商提供的不同LED的编码成本,使系统总成本更低。线性稳压器的适合手电,手持应急灯,走廊夜灯等小电流应用。[page]
电感型转换器
线性稳压器输出的弱点是输出能力有限,且不能升压使用。电感型转换器是很好的解决方案,可以实现良好的光亮控制和最佳的总发光效率。选择合适的电感型转换器有助提升效率,而实际无论是升压或是降压,都取决于应用的电源和LED的配置结构。
智能楼宇中的备用电源一般为直流24V,市电断电之后仍需要备用照明长时间的工作,省电是备用照明的重点,此时正是电感型转换器LED驱动器的用武之地。图3说明了如何利用CAT4201从一个24V电源来驱动5只1W的LED。
LED电流由外部电阻R1来设定。CAT4201降压LED驱动器利用两阶段开关作业来提供精确的平均电流。在第一阶段,位于内部的CAT4201FET开关将SW端连接到地,使电流上升并对电感充电。

图3:使用CAT4201驱动5个1W的LED。
电感两端的电压基本上等于24V减去LED的压降。一旦电流达到预定的峰值,内部开关就切断,而电流则继续流过萧特基二极管,直到电感放电为止。当电感的电流降到0时,将重复上述过程,因而电感电流的波形为三角形。本例中,开关频率约为260kHz。LED两端的电容C2将LED的电流突波减到最小。采用大电容会将突波减到更小。
本例中的总转换效率(LED功率除以来自VBAT的功率)可达94%。在调节过程中想要LED电流保持完好,只要VBAT高于LED电压-总VF+3V。低于该电平时,LED电流将线性降低。
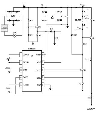
可使用TRIAC调光的LED驱动方案
在日常照明中虽然大功率LED现在还不能大规模取代传统的白炽灯,但它们在室内外装饰、特种照明方面有着越来越广泛的应用,大功率LED被称为“绿色光源”,将向大电流(300mA至1.4A)、高效率(60至120流明/瓦)、亮度可调的方向发展。
传统的TRIAC(双向晶闸管)调光控制器是用来调节电阻性的负载(例如是白炽灯或卤素灯),而目前市场上的LED驱动器解决方案,在作TRIAC调光控制的时候,会产生120Hz的闪烁及/或不能实现100:1的对比度。LM3445离线式LED驱动器解决方案,适用于任何使用TRIAC(三端双向可控硅)壁挂式调光器的LED照明应用,而且能够提供宽范围的,稳定的亮度平滑调整,并不会产生闪烁的变化。

图4 LM3445驱动电路
LM3445TRIAC调光LED驱动器,应用电压范围从80VAC到270VAC,导通角检测器/译码器可以实现宽全范围的(100:1)调光,内置3000Ω泄流电阻确保TRIAC信号译码无误,正在申请注册专利的调控架构可确保恒定的纹波电流以延长LED的工作寿命,可调节输出电流高至1A,可通过主/从操作方式控制多条灯串的亮度。
去LED照明电源社区看看
[page]
LED日光灯驱动方案
大功率LED照明需要的是低电压、大电流的驱动器件,其发光的强度由流过LED的电流决定,电流过强会引起LED的衰减,电流过弱会影响LED的发光强度,LED的驱动需要提供恒流电源,以保证大功率LED使用时的安全性,并得到理想的发光强度。因此,在LED照明领域,要体现出节能和长寿命的特点,选择LED驱动IC至关重要,没有好的驱动IC的匹配,LED照明的优势无法体现。
下图是18W日光灯的应用方案。它以独特的电路结构,采用峰值电流检测为大功率LED提供恒定的供电电流。另外,PT4107还为使用者提供良好的调光措施(变阻器SW1:5K的可调),并为系统提供了安全可靠的过流、过温?;ぃ岣吡苏鱿低车目煽啃?。

图5 PT4107驱动线路
本方案整体供电效率可达80%以上,典型为85-88%;可调节毫安级到安培级的输出应用;低频可变占空比的数字脉冲调光功能和线性调光功能;多达上百个LED的串/并联使用;内部集成频抖功能改善EMI;外部设定LED过温?;すδ?。最大的特点是成本控制好,使用较少的元件,达到了高效低成本的驱动要求以满足民用照明的需要。

图6 LED驱动线路板
[page]
LED路灯照明解决方案
对于输出功率更高一级的照明路灯的应用(一般要大于100W),设计一个高效率的大功率电源并控制好散热是整个系统的关键点。200W电源解决方案是基于FAN6961电压模式PFC控制器的高功率因数预稳压器,并基于谐振LLC拓扑的隔离型DC/DC转换器构成,输入电压范围可从90VRMS到265VRMB,可产生六路输出,每路最大输出功率为0.7A/48V。FAN6961是8引脚边界模式PFC控制器,能准时调整输出的DC电压,从而达到功率因素修正。
该器件的电源电压高达25V,起动电流低于25uA,工作电流可降低到6mA以下,可以进行零电流检测和逐个周期限流。FAN6961可用于电子灯镇流器,AC/DC开关电源转换器以及适配器和带ZCS/ZVS的反激电源转换器。给出了基于FAN6961的带整流和EMI滤波功能的电路图。

图7:基于FAN6961的带整流和EMI滤波功能的电路图
FSFR2100功率开关也是该方案中的一个重要元件。FSFR2100采用零电压开关(ZVS)技术,能够大幅降低MOSFET和整流器的开关损耗。采用这种技术,此开关无需散热器即可处理高达200W的功率,使用散热器更可处理高达450W的功率。
FSFR2100还集成了所有必需元件以构建可靠及高效的谐振转换器,并在高热效的SiP封装中集成了一个脉冲频率调制(PFM)控制器、一个高压栅极驱动电路和两个快速恢复MOSFET(FRFET),以及软启动、间歇工作模式和重要的?;すδ堋?br />

图8:200WLED照明系统的电源方案原型
该电源方案的主要优势包括:非常紧凑设计;全负载效率大于94%;待机功耗仅为1.2W;EMI很低;可通过PWM信号调光;只有PFC开关需要加散热片,整个系统安全可靠能长时间的使用。





