
[page]
从道理上来说,(2-139)式中反电动势的最大值要比(2-140)式中反电动势的平均值高很多,但由于分布电容的存在,反电动势的上升率并没有计算结果那么高,所以把它等效成一个方波,计算起来更为简单。实际上从能量方面来考虑也是完全可以的。
(2-140)式对于计算漏感 产生的反电动势或其它电感产生的反电动势同样有效。漏感 中存储的能量可根据(2-138)式求得;而流过漏感 的电流,对于反激式开关电源:可认为与励磁电流的大小基本相等,因为,在反激式开关电源中,等效负载电阻等于无限大;对于正激式开关电源:可认为与流过等效负载电阻的电流大小基本相等,因为,在正激式开关电源中,励磁电流相对于流过等效负载电阻的电流,很小。
在电源开关管Q1关断期间,对于反激式开关电源,开关变压器正好通过次级线圈向负载输出能量(给储能滤波电容充电),即等效负载电阻R的值很小,产生反电动势的值也很??;而对于正激式开关电源,此时开关变压器正好没有向负载输出能量,即等效负载电阻R的值非常大,产生反电动势的值也很大。
因此,在t > t6时刻,开关变压器初级线圈产生的反电动势大小,对于正、反激式开关电源来说是不一样的,即:正激式开关电源的负载特性与反激式开关电源的负载特性正好相反。

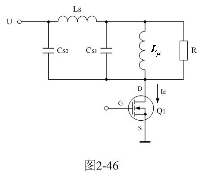
从原理上来说,用图2-44的等效电路来等效开关变压器的工作原理有些过于简单,因为,在图2-44中,当电源开关管Q1突然关断瞬间,漏感 没有放电回路,即负载电阻为无限大,根据(2-140)式,漏感 两端产生的反电动势将非常大;但实际上,在漏感 产生反电动势的时候,它是可以通过漏感两端的分布电容产生并联振荡的,因此,我们可以把图2-44电路进一步改进成如图2-46所示电路。
在图2-46中,Cs1、Cs2都是分布电容,它们对于漏感 来说,既可以产生串联振荡,又可以产生并联振荡。在电源开关管Q1导通瞬间,漏感与分布电容主要是产生串联振荡,因为输入电压开始向串联振荡回路提供能量;在电源开关管Q1关断瞬间,漏感与分布电容主要是产生并联振荡,因为漏感 必须要通过并联回路释放能量。在实际应用中,漏感相对于励磁电感 来说很小,因此如果不考虑漏感的作用,完全可以把Cs1、Cs2看成是一个分布电容。
[page]
由于在变压器线圈中,分布电容和分布电感是由非常多的电容和漏感互相串、并联在一起组成,如要严格地用集中参数完全把它们等效是很难的。至于等效电路是采用串联还是并联,这主要看它在电路中所起的关键作用。例如,在电源开关管接通时,串联电容的作用是主要的;而在电源开关管关断时,并联电容的作用反而是主要的。


从图2-45-c以及(2-140)式可以看出,漏感 产生反电动势的幅度一般都等于或大于输入电源电压的幅度,即加到电源开关管D极的电压最高可达输入电压的两倍,或者更高。这是因为电源开关管的关断时间一般都很短,而漏感释放能量时等效负载电阻很大的缘故。因此,如果不对电源开关管采取?;ご胧?,反电动势很容易就把电源开关管打穿。
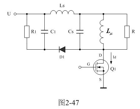
根据(2-140)式,降低漏感反电动势幅度的最有效方法是减小负载电阻 的阻值。图2-47所示电路,就是一种采用减小负载电阻的方法来降低漏感产生反电动势幅度的电路。

图2-47中的D1、R1、C1是抑制漏感以及励磁电感产生反电动势和振铃电压幅度的有效电路。当变压器初级漏感以及励磁电感产生反电动势时,反电动势通过二极管D1对电容器C1进行充电,相当于电容器把反电动势的能量吸收掉,从而降低了反电动势和振铃电压的幅度。
电容器C1在吸收反电动势的能量的过程中,其两端电压也会提高,但它可以通过R1进行放电,使电容器两端的电压基本保持在一个合理的范围。即:电容器C1在吸收反电动势的能量是有条件的,只有反电动势的的幅度超过某个值之后,它才开始吸收。正确选择RC放电的时间常数,使电容器在下次充电时的剩余电压刚好略高于方波电压的幅度,而电容充满电的幅度又低于开关管的耐压幅度,此时电源的工作效率最高。




