- 介绍单击式变压器开关电源
- 单激式变压器开关电源的工作原理
单激式变压器开关电源
变压器开关电源的最大优点是,变压器可以同时输出多组不同数值的电压,改变输出电压和输出电流很容易,只需改变变压器的匝数比和漆包线截面积的大小即可;另外,变压器初、次级互相隔离,不需共用同一个地。因此,变压器开关电源也有人把它称为离线式开关电源。这里的离线并不是不需要输入电源,而是输入电源与输出电源之间没有导线连接,完全是通过磁场偶合传输能量。
变压器开关电源采用变压器把输入输出进行电器隔离的最大好处是,提高设备的绝缘强度,降低安全风险,同时还可以减轻EMI干扰,并且还容易进行功率匹配。
变压器开关电源有单激式变压器开关电源和双激式变压器开关电源之分,单激式变压器开关电源普遍应用于小功率电子设备之中,因此,单激式变压器开关电源应用非常广泛。而双激式变压器开关电源一般用于功率较大的电子设备之中,并且电路一般也要复杂一些。
单激式变压器开关电源的缺点是变压器的体积比双激式变压器开关电源的激式变压器的体积大,因为单激式开关电源的变压器的磁芯只工作在磁回路曲线的单端,磁回路曲线变化的面积很小。
单激式变压器开关电源的工作原理

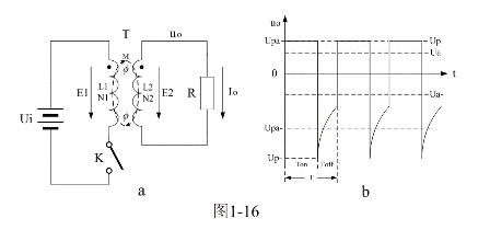
图1-16-a是单激式变压器开关电源的最简单工作原理图。图1-16-a中,Ui是开关电源的输入电压,T是开关变压器,K是控制开关,R是负载电阻。
当控制开关K接通的时候,直流输入电压Ui首先对变压器T的初级线圈N1绕组供电,电流在变压器初级线圈N1绕组的两端会产生自感电动势e1;同时,通过互感M的作用,在变压器次级线圈N2绕组的两端也会产生感应电动势e2;当控制开关K由接通状态突然转为关断状态的时候,电流在变压器初级线圈N1绕组中存储的能量(磁能)也会产生反电动势e1;同时,通过互感M的作用,在变压器次级线圈N2绕组中也会产生感应电动势e2。
因此,在控制开关K接通之前和接通之后,在变压器初、次级线圈中感应产生的电动势方向是不一样的。
所谓单激式变压器开关电源,是指开关电源在一个工作周期之内,变压器的初级线圈只被直流电压激励一次。一般单激式变压器开关电源在一个工作周期之内,只有半个周期向负载提供功率(或电压)输出。当变压器的初级线圈正好被直流电压激励时,变压器的次级线圈也正好向负载提供功率输出,这种变压器开关电源称为正激式开关电源;当变压器的初级线圈正好被直流电压激励时,变压器的次级线圈没有向负载提供功率输出,而仅在变压器初级线圈的激励电压被关断后才向负载提供功率输出,这种变压器开关电源称为反激式开关电源。
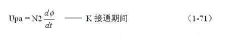
图1-16-b是单激式变压器开关电源输出电压的波形,由于输出电压是由变压器的次级输出,因此,在输出电压uo中完全没有直流成份。输出电压正半波的面积与负半波的面积完全相等,这是单激式变压器开关电源输出电压波形的特点。图1-16-b中,当只输出正半波电压时,为正激式开关电源;反之,当只输出负半波电压时,为反激式开关电源。
顺便指出,图1-16-b中变压器输出电压波形极性的正负,是可以通过调整变压器线圈的饶线方向(相位)来改变的。严格地说,只有当控制开关的占空比等于0.5时,开关电源的输出电压才能称为正、负半周电压,但由于人们已习惯了正、负半周的叫法,所以,只要是有正、负电压输出的电源,我们还是习惯地把它们称为正、负半周。但为了与占空比不等于0.5时的电压波形相区别,我们有时特别把占空比不等于0.5时的电压波形称为正、负半波。因此,有些场合在不影响对正、负半波电压的理解时,或占空比不确定时,我们也习惯地把正、负半波称为正、负半周。
图1-16-a中,在Ton期间,控制开关K接通,输入电源Ui开始对变压器初级线圈N1绕组加电,电流从变压器初级线圈N1绕组的两端经过,通过电磁感应会在变压器的铁心中产生磁场,并产生磁力线;同时,在初级线圈N1绕组的两端要产生自感电动势E1,在次级线圈N2绕组的两端也会产生感应电动势e2;感应电动势e2作用于负载R的两端,从而产生负载电流。因此,在初、次级电流的共同作用下,在变压器的铁心中会产生一个由流过变压器初、次级线圈电流产生的合成磁场,这个磁场的大小可用磁力线通量(简称磁通量),即磁力线的数目 来表示。
如果用 1来表示变压器初级线圈电流产生的磁通量,用 2来表示变压器次级线圈电流产生的磁通量,由于变压器初、次级线圈电流产生的磁场方向总是相反,则在控制开关K接通期间,由流过变压器初、次级线圈电流在变压器铁心中产生的合成磁场的总磁通量 为:
其中变压器初级线圈电流产生的磁通 1还可以分成两个部分,一部分用来抵消变压器次级线圈电流产生的磁通 2,记为 10,另一部分是由励磁电流产生的磁通,记为Δ 1。显然 10 =- 2,Δ 1 = 。即:变压器铁心中产生的磁通量 ,只与流过变压器初级线圈中的励磁电流有关,与流过变压器次级线圈中的电流无关;流过变压器次级线圈中的电流产生的磁通,完全被流过变压器初级线圈中的另一部分电流产生的磁通抵消。[page]
根据电磁感应定律可以对变压器初级线圈N1绕组回路列出方程:

同样,可以对变压器次级线圈N2绕组回路列出方程:

根据(1-61)和(1-62)可以求得:

上式中,Up为正激式开关电源变压器次级输出电压的幅值(图1-16-b中正半周);Ui为正激式开关电源变压器初级线圈N1绕组的输入电压;n为变压比,即:开关变压器次级线圈输出电压与初级线圈输入电压之比,n也可以看成是开关变压器次级线圈N2绕组与初级线圈N1绕组的匝数比,即:n = N2/N1。
由此可知,在控制开关K接通期间,正激式开关电源变压器次级输出电压的幅值只与输入电压和变压器的次/初级变压比有关。
我们再来分析控制开关K关断期间的情况。
在Toff期间,控制开关K关断,流过变压器初级线圈的电流突然为0。由于变压器初级线圈回路中的电流产生突变,而变压器铁心中的磁通量 不能突变,因此,必须要求流过变压器次级线圈回路的电流也跟着突变,以抵消变压器初级线圈电流突变的影响,要么,在变压器初级线圈回路中将出现非常高的反电动势电压,把控制开关或变压器击穿。
如果变压器铁心中的磁通 产生突变,变压器的初、次级线圈就会产生无限高的反电动势,反电动势又会产生无限大的电流,而电流在线圈中产生的磁力线又会抵制磁通的变化,因此,变压器铁心中的磁通变化,最终还是要受到变压器初、次级线圈中的电流来约束的。
因此,在控制开关K关断的Toff期间,变压器铁心中的磁通 主要由变压器次级线圈回路中的电流来决定,即:

式中负号表示反电动势e2的极性与(1-62)式中的符号相反,即:K接通与关断时变压器次级线圈产生的感应电动势的极性正好相反。对(1-64)式阶微分方程求解得:

式中C为常数,把初始条件代入上式,就很容易求出C,由于控制开关K由接通状态突然转为关断时,变压器初级线圈回路中的电流突然为0,而变压器铁心中的磁通量 不能突变,因此,变压器次级线圈回路中的电流i2一定正好等于控制开关K接通期间的电流i2(Ton+),与变压器初级线圈回路中励磁电流被折算到变压器次级线圈回路电流之和。所以(1-65)式可以写为:

(1-66)式中,括弧中的第一项表示变压器次级线圈回路中的电流,第二项表示变压器初级线圈回路中励磁电流被折算到变压器次级线圈回路的电流。
图1-16-a单激式变压器开关电源输出电压uo等于:

由(1-67)式可以看出,当t = 0时,即:K关断瞬间,输出电压有最大值:

(1-68)式中的Up-就是反击式输出电压的峰值,或输出电压最大值。由此可知,在控制开关K关断瞬间,当变压器次级线圈回路负载开路时,变压器次级线圈回路会产生非常高的反电动势。理论上需要时间t等于无限大时,变压器次级线圈回路输出电压才为0,但这种情况一般不会发生,因为控制开关K的关断时间等不了那么长。
从(1-63)和(1-67)式可以看出,开关电源变压器的工作原理与普通变压器的工作原理是不一样的。当开关电源工作于正激时,开关电源变压器的工作原理与普通变压器的工作原理基本相同;当开关电源工作于反激时,开关电源变压器的工作原理相当于一个储能电感。[page]
如果我们把输出电压uo的正、负半波分别用平均值Upa、Upa-来表示,则有:


根据电磁感应定律可以对变压器次级线圈N2绕组回路列出方程:


分别对(1-71)和(1-72)两式进行积分得:


由此我们可以求得,单激式变压器开关电源输出电压正半波的面积与负半波的面积完全相等,即:
(1-75)式就是用来计算单激式变压器开关电源输出电压半波平均值Upa和Upa-的表达式。上面(1-73)、(1-74)、(1-75)式中,我们分别把Upa和Upa-定义为正半波平均值和负半波平均值,简称半波平均值,而把Ua 和Ua- 称为一周平均值。从图1-16-b可以看出,Upa正好等于Up,但Upa-并不等于Up- ,Upa- 小于Up- 。
半波平均值Upa和Upa-,以及一周平均值Ua 和Ua- ,对于分析开关电源的工作原理是一个非常重要的概念,下面经常用到,在这里务必记清楚。
在开关电源中,正激电压和反激电压是同时存在的,但在单激式开关电源中一般只能有一种电压用于功率输出。这是因为单激式开关电源一般都要求输出电压可调,即:通过改变控制开关的占空比来调整开关电源输出电压的大小。如:在正激式开关电源中,只有(1-75)式等号左边Upa电压向负载提供功率输出,通过改变控制开关的占空比,可以改变其输出电压的平均值;在反激式开关电源中,只有(1-75)式等号右边Upa-电压向负载提供功率输出,通过改变控制开关的占空比,可以改变其输出电压的半波平均值。
在(1-75)式中,如果把等号左边的Upa看成是正激电压,则等号右边的Upa-就可以看成是反激电压,反之则反。在正激式开关电源中,由于只有正激电压Upa向负载提供功率输出,所以反激电压Upa-就相当于一个附属产品需要另外回收;在反激式开关电源中,由于只有反激电压Upa-向负载提供功率输出,所以正激电压Upa就相当于用来对能量进行存储,以便于给反激电压Upa-提供能量输出。[page]
如果(1-75)式中正激电压没有电流输出,就不能把正激电压看成是正激式输出电压,我们应该把它看成是反激式输出电压的一个过程,就是为反激式输出电压存储能量。这样定义虽然有点勉强,但主要目的还是为了让我们增强对开关电源工作原理的理解。
这是因为,(1-75)式中无论是正激电压Upa或是反激电压Upa-,都是由流过变压器初级线圈的励磁电流产生的磁通,通过互感的作用所产生的。但励磁电流产生的磁通并不直接向正激电压Upa提供能量输出,因为(1-71)、(1-72)、(1-73)、(1-74)等式中的磁通 并不是由正激电压产生的,而是由励磁电流自己产生的。励磁电流产生的磁通 虽然通过电磁感应会产生正激电压,但不产生正激电流输出,即:励磁电流对正激式输出电压不提供功率输出。不管正激式输出功率或电流多大,变压器初级线圈中的励磁电流或磁通的变化只与输入电压和变压器的初级电感量有关,而与正激式输出功率或电流大小无关。
这是因为我们把变压器铁心中的磁通 分成了两个部分,即:励磁电流产生的磁通和正激电流产生的磁通,来进行分析的缘故。正激输出电流产生的磁通与流过变压器初级线圈电流产生的磁通,方向相反,互相可以抵消,而剩下来的磁通正好就是励磁电流产生的;因此,只有励磁电流产生的磁通才会产生反激式输出电压和电流。正激式输出电压只与变压器的输入电压和变压器的初、次级线圈的匝数比有关,两种电压输出机理是不完全一样的。
在变压器开关电源中,正激式输出电压的计算比较简单,而反激式输出电压的计算相对来说很复杂,因此,如果没有十分必要,最好采用半波平均值的概念和(1-75)式,通过计算正激电压的半波平均值,来推算反激式输出电压的半波平均值。因此,(1-75)式主要还是用来计算反激式输出电压的半波平均值的。
另外,还需特别注意:(1-75)式中,正激电压的幅值或半波平均值是不会跟随控制开关的接通时间Ton或占空比D的改变而改变的;而反激电压的幅值或半波平均值则要跟随控制开关的接通时间Ton或占空比D的改变而改变,占空比D越大,反激电压的幅值或半波平均值就越高。正激式开关电源与反激式开关电源的区别不只是输出电压极性的不同,更重要的是变压器的参数要求不一样;在正激式开关电源中,反激式输出电压的能量与正激式输出电压的能量相比,一般都比较小,有时甚至可以忽略。
根据(1-63)式与半波平均值的定义,可以求得正激式开关电源输出电压为:


根据(1-70)式和(1-75)式,可以求得反激式开关电源输出电压为:


由(1-76)、(1-77)和(1-78)、(1-79)式看出:
当开关电源工作于正激式输出状态的时候,改变控制开关K的占空比D,只能改变输出电压(图1-16-b中正半周)的平均值Ua ,而输出电压的幅值Up不变;当开关电源工作于反激式输出状态的时候,改变控制开关K的占空比D,不但可以改变输出电压uo(图1-16-b中负半周)的幅值Up- ,而且也可以改变输出电压的平均值Ua- 。
这里还需提请注意,在决定反激式开关电源输出电压的(1-78)式中,并没有使用反激输出电压最大值或峰值Up-的概念,而式使用的Up正好是正击式输出电压的峰值,这是因为反激输出电压的最大值或峰值Up-计算比较复杂((1-68)式),并且峰值Up-的幅度不稳定,它会随着输出负载大小的变化而变化;而正击式输出电压的峰值Up则不会随着输出负载大小的变化而变化。





