- 为了满足更新能源标准的需要,电源设计采用新拓扑
- 软开关转换器较谐振转换器更有优势,其中不对称PWM半桥转换器性能更优
- 介绍不对称半桥转换器的基本工作原理
- 介绍针对飞兆针对不对称半桥转换器设计的集成式功率开关
- 介绍飞兆如何采用系统级封装解决SMPS设计中的可靠性和“绿色”问题
解决方案:
- 软开关转换器与谐振转换器比较有以下优势:
对谐振元件的参数的要求较低
开关频率固定,EMI问题更易解决 - FSFA2100把栅极驱动器、控制电路、MOSFET集成在一起,大幅减小终端应用噪声干扰
- FSFA2100在设计中整合了多项自我?;すδ埽扌瓒钔獾脑?/strong>
- FSFA2100在待机模式下采用间歇模式工作,很容易满足国际能源署的1瓦倡议
- FSFA2100提供了一个非常适合于具成本效益软开关转换器设计的基本平台
引言
电源能效对环境的影响问题越来越受到世界范围的关注,致力于自然资源?;さ娜蚋鞴捅曜蓟贫ɑ挂严嗉掏瞥龈飨畲胧乒愀吣苄У缭?。加州能源委员会 (CEC) 已针对外置电源制定了强制性能效标准,全球其它实施自愿性规范计划的地区也开始考虑推出强制性标准,以推动电源效率的提高。这些规范都驱使电源设计人员采用新的拓扑,比如谐振转换器和软开关转换器。
谐振开关技术在整个开关周期内都采用谐振工作模式,而软开关技术只在开关转换期间才采用谐振工作模式,以软化开关器件的开关特性。一旦开关转换结束,转换器又恢复到常见的脉宽调制 (PWM) 模式。由于只在开关转换期间才涉及到谐振工作模式,因此其谐振元件的参数不象谐振转换器中的那么重要。此外,开关频率是固定的,这使得EMI滤波器的优化更为容易。
在各种类型的软开关转换器中,不对称PWM半桥转换器因其结构简单且固有零电压开关 (ZVS) 能力而获得设计人员的青睐。本文描述了不对称半桥转换器的基本工作原理,并介绍了一种相比普通分立式MOSFET及PWM控制器解决方案具有显著优势的集成式功率开关。此外还阐释了这种专门为软开关转换器而设计的功率开关如何降低设计总成本和元件数目、减小尺寸和重量,同时提高效率、产能和系统可靠性。
不对称半桥转换器的基本工作原理
图1所示为不对称PWM半桥转换器的电路简图及其波形。图2给出了详细的开关波形。当上面的开关 (Q2) 导通时,DC隔直电容 (CB) 不仅是负载的供电电源,还作为隔直电容防止变压器饱和。一般而言,不对称PWM半桥转换器包含三级,如图1所示,即方波发生器、能量传送网络和整流器网络。
方波发生器通过驱动开关Q1和Q2产生一个方波电压 (Vd)?;谎灾?,下面和上面的MOSFET的占空比应该分别为D和1-D。这时,两次转换之间一般有一个很小的死区时间。
能量传送网络包含一个DC隔直电容和一个变压器。这个网络利用DC隔直电容 (CB) 消除方波电压 (Vd) 的DC偏移,然后通过变压器把纯AC方波电压传送到次级端。由于存在泄漏电感,变压器初级端电流Ip滞后于加在变压器初级端上的电压,这就让MOSFET得以零电压导通。如图2所示,在其中一个开关断开之后,Ip对MOSFET输出电容进行充电 (或放电),最终开关电压从一个输入电轨变化到另一个 (从Vin到地或从地到Vin)。接着,Ip继续流经反向并联的体二极管。只要体二极管导通,相应的MOSFET就能够零电压导通。这种软开关方案不仅可降低开关损耗,还能减小电磁干扰 (EMI)。
整流器网络利用整流二极管和低通LC滤波器对AC电压进行整流,最后产生DC电压。这个整流器网络可采用全波的桥式结构或中心抽头式结构。

方波发生器 能量传送网络 整流器网络
图1. 不对称PWM半桥转换器电路简图及其波形

图2. 不对称半桥转换器的详细开关波形
针对不对称半桥转换器设计的集成式功率开关
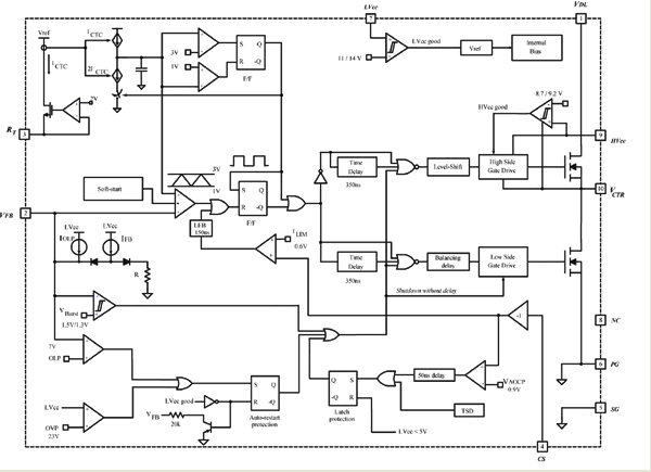
飞兆半导体的集成式“Green FPS”功率开关FSFA2100系列是专门针对不对称半桥转换器设计而开发的一种技术。这种技术在单个器件中整合了PWM控制器、高端驱动和SuperFET,只需要极少数量的外部元件。图3所示为其内部??槭疽馔肌T诖蠊β首黄饔τ弥?,PCB版图设计一向是棘手部分,因为在布局时,为了把噪声干扰降至最低,必需让栅极驱动器和控制电路尽可能地靠近MOSFET。FSFA2100把栅极驱动器及控制电路与MOSFET集成在一起,使这些器件之间的距离最小化,从而大幅减小了终端应用的噪声干扰。此外,这样做也减少了宝贵的设计时间,使生产力得以提高。

图3 内部??槭疽馔?br />
采用系统级封装解决SMPS设计中的可靠性和“绿色”问题
今天,大多数电子厂商都要求SMPS设计具有高度可靠性,这促使电源设计人员在设计中采用?;し桨咐捶婪陡髦止收系姆⑸热绻?、过压、输出短路、输出二极管短路和过热。不过,这种保护可能需要大量额外的电路,从而增加成本。而FSFA2100在设计中整合了多项自我?;すδ?,无需额外的元件,故不仅可增强可靠性还能降低成本。
软开关转换器的另一个问题是,轻载时,由于初级端电流不足以完成MOSFET输出电容的充电/放电,可能无法实现软开关。这样一来,在SMPS必须满足要求低待机功耗的功效或“绿色”标准时,问题就出现了。
FSFA2100在待机模式下采用间歇模式工作,很容易满足国际能源署 (IEA) 的1瓦倡议。该规范要求把待机功耗降至1瓦以下。在间歇模式中,功率开关能够交替启动和禁止开关工作,以降低有效开关频率,这种方法可减小MOSFET中的开关损耗和变压器中的滞徊损耗。
小结
由于在SMPS中采用软开关拓扑能够提高效率及降低EMI,设计人员在自己的电源设计中开始不断采用这种新兴方案。传统上,设计人员使用分立元件加控制器的解决方案来实现软开关。但现在,集成了SuperFET和PWM IC的功率开关可以提供一个非常适合于具成本效益软开关转换器设计的基本平台。通过集成?;すδ懿⒉捎眉湫ぷ髂J?,功率开关技术可大大提高可靠性,同时又降低功耗,满足“绿色”标准的严格要求。





