中心论题:
- 绝缘门极双极型晶体管(IGBT)具有MOSFET和GTR两者的优点
- 分析IGBT的驱动条件
- 介绍几种常见的IGBT驱动电路
- 分析新型驱动电路的特点
解决方案:
- IGBT的驱动条件:保证低阻抗放电回路及正确的正负偏压,驱动电路应对IGBT有自?;ず涂垢扇殴δ埽焙涂刂频缏费细窀衾?/strong>
- 采用高速光耦实现控制电路与主电路的隔离,采用推挽式输出方式降低驱动电路的输出阻抗
- 新型实用驱动电路具有IGBT过电流保护功能,可有效实现对IGBT的?;?/strong>
引言
绝缘门极双极型晶体管(Isolated Gate Bipolar Transistor)简称IGBT。也称绝缘门极晶体管。由于IGBT 内具有寄生晶闸管,所以也可称作为绝缘门极晶闸管,它是八十年代中期发展起来的一种新型复合器件。由于它将MOSFET 和GTR 的优点集于一身,既具有输入阻抗高、速度快、热稳定性好和驱动电路简单的优点,又有通态电压低耐压高的优点,因此发展很快,倍受欢迎,在电机驱动、中频和开关电源以及要求快速、低损耗的领域,IGBT有取代MOSFET和GTR 的趋势。但在IGBT 实际应用中一个要重点考虑的问题是其栅极驱动电路设计的合理与否,在此我们自行设计了一种简单而实用的驱动电路,并取得了很好的效果。
IGBT 的驱动条件
IGBT 的驱动条件与它的静态和动态特性密切相关。栅极的正偏压+VGE、负偏压-VGE 和栅极电阻RG 的大小,对IGBT 的通态电压、开关时间、开关损耗、承受短路能力以及dVCE/dt等参数都有不同程度的影响。门极驱动条件与器件特性的关系如表1 所示。
表1 门极驱动条件与器件特性的关系

1、 正偏压+VGE 的影响
当VGS 增加时,通态电压下降,IGBT 的开通能量损耗下降,但是VGE 不能随意增加,因为VGE 增加到一定程度之后对IGBT 的负载短路能力及dVCE/dt 电流有不利影响。
2、 负偏压-VGE 的影响
负偏压也是很重要的门极驱动条件,它直接影响IGBT 的可靠运行。虽然-VGE 对关断能耗没有显著影响,担负偏压的增高会使漏极浪涌电流明显下降,从而避免过大的漏极浪涌电流使IGBT 发生不可控的擎住现象。
3、 门极电阻RG 的影响
门极电阻增加,使IGBT 的开通与关断能耗均增加,门极电阻减小又使di/dt 增大,可能引发IGBT 误导通,同时RG 上的能耗也有所增加。所以通常RG 一般取十几欧到几百欧之间。
因此,为了使IGBT 能够安全可靠得到通和关断,其驱动电路必须满足一下条件:
1. 由于是容性输入阻抗,IGBT 对门极电荷集聚很敏感,因此要保证有一条低阻抗值得放电回路。
2. 门极电路中的正偏压应为+12—15V,负偏压-2—-10V。
3. 驱动电路应与整个控制电路在电位上严格隔离。
4. 门极驱动电路应尽可能简单实用,具有对IGBT 的自?;すδ埽⒂薪锨康目垢扇拍芰?。
常见的IGBT 驱动电路
1、采用脉冲变压器隔离驱动IGBT
电路如图1 所示,这种电路结构简单,应用了廉价的脉冲变压器实现IGBT 主电路与控制电路的隔离。其性能的好坏取决于脉冲变压器的制作,应尽量减小脉冲变压器的漏感抗,并采用高铁氧体铁心,最高工作频率可达40KHz。

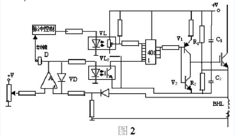
2、采用光耦合器及CMOS 驱动IGBT
电路图如图2 所示,该电路自身带过流?;すδ埽怦詈掀鹘龀蹇刂频缏酚肭缏犯衾?,4011 的四个与非门并联工作提高了驱动能力,互补晶体管V1、V2 降低驱动电路阻抗,通过R1、C1 与R2、C2 获得不同的正、反向驱动电压,以满足各种IGBT 对栅极驱动电压的要求。该电路由于受光耦合器传输速度的影响,其工作频率不能太高,同时受4011 型CMOS电路最高工作电压的限制,使+VGE 和-VGE 的幅值相互牵制,并受到限制。

3、 用专用混合集成驱动电路
目前,国外很多生产IGBT 器件的公司,为了解决IGBT 驱动的可靠性问题,纷纷推出IGBT专用驱动电路,如美国MOTOROLA 公司的MPD 系列、日本东芝公司的KT 系列、日本富士公司的EXB 系列等。这些驱动电路抗干扰能力强,集成化程度高,速度快,?;すδ芡晟?,可实现IGBT 的最优驱动,但一般价格比较昂贵,对于普通用户很难接受。
新型实用驱动电路
该电路具有以下特点:
1. 该电路能够产生+15V 和-5V 电压,保证了IGBT 的可靠导通与关断。
2. 该电路采用高速光耦实现了控制电路与主电路的隔离。
3. 该电路具有IGBT 过电流?;すδ埽芄挥行У谋;GBT。
4. 该电路采用推挽式输出方式,从而降低了驱动电路的输出阻抗。
5. 适用于多种型号IGBT 的可靠驱动。
电路图如图3 所示,采用由高速光耦H11L1、NPN 和PNP 型三极管组成推挽式输出电路。变压器副边输出交流18V 电压,经整流桥变成直流,470uF/50V 的电容滤波,作为IGBT 驱动电路的工作电压。当IGBT 的电流小于设定过电流信号的时候,比较器负输入端电压小于正输入端设定的电压值,此时比较器输出高电平。当IGBT 的电流大于设定过电流信号的时候,比较器负输入端电压大于正输入端设定的电压值,此时比较器输出低电平。当比较器输出信号与控制信号相与后送到高速光耦合器。正常情况下比较器输出高电平,当控制信号位高电平时,与门输出高电平使光耦合器导通,晶体管N1 基极没有电流而关断,此时电流可经R3、N2 的基射极、R6、Z3、Z4、Z2 形成三极管N2 的基极电流,N2 开通,由于Z2 是15V 稳压管,输出电压嵌位在+15V,驱动IGBT 导通;反之,党控制脉冲信号为低电平时,与门输出低电平使光耦合器截止,三极管N1 存在极基电流而导通,N1 的集电极电压变低,N2截止,电流经R4、Z4、R6、P1、N1 形成P1 管的极基电流,P1 导通,输出电压钳位在-5V,使IGBT 关断。当IGBT 处于过电流状态时,比较器输出低电平,此时无论控制信号位高电平还是低电平,与门始终输出低电平,由以上可知此时驱动电路一直输出-5V 电压而使IGBT 一直处于关断状态,从而对IGBT 的过电流进行了有效的?;?。
结论
该IGBT 驱动电路简单、实用,经我们长期的实验证明,该电路经济、实用、安全、可靠普遍适用于各种型号的IGBT,为普通的IGBT 用户节省资金的情况下带来了很大的方便。具有很大的应用前景。





