中心议题:
- 以三相电路瞬时无功功率理论为基础,建立有源滤波器模型
- 应用MATLAB对其在某煤矿主提升机谐波治理方面的应用进行仿真验证
解决方案:
- 采用有源滤波器,可根据每个设备负载无功的变化进行动态补偿
- 谐波源模块是根据主提升机房实际谐波测试数据建成
- 在低通滤波器能完全滤出交流分量的前提下,选用的阶数应尽可能低,截止频率尽可能高
引言
以往在煤矿电网谐波治理方面,通常是并接无源滤波器组,对电网进行固定式补偿。由于提升机为短时循环工作制的负载,一个提升机循环分为加速、等速、减速和休止几个工作状态,各阶段所需功率均不同,另外,许多分散设备的运行周期也有差异,而电容器组只能输出恒定无功功率,导致有时无功不够,有时过补现象的产生。采用有源滤波器,可根据每个设备负载无功的变化进行动态补偿,使设备运行和电网始终处于最佳状态。
有源滤波器包括三个部分:谐波检测、驱动电路和主电路。有源滤波器的关键是谐波电流的检测与补偿控制,本文以三相电路瞬时无功功率理论为基础,建立了有源滤波器模型,并应用MATLAB对其在某煤矿主提升机谐波治理方面的应用进行了仿真验证。
MATLAB仿真模型的建立
本文的设计使用了MATLAB的POWERLIB工具箱、DSP 工具箱和SIMULINK仿真???以建立该有源滤波器各部分的仿真模型。
有源滤波器的仿真模型
该有源滤波器主要由谐波电流检测电路、驱动电路、主电路、电容器和变压器5大部分组成。变压器的设置主要是为调节有源电力滤波器交流侧电压之用。其原理如图1所示。其中的谐波源??槭歉葜魈嵘渴导市巢ú馐允萁ǔ傻摹?br />

图1 有源滤波器原理图
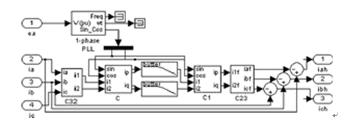
谐波检测电路的仿真模型
谐波检测电路如图2所示。

图2 谐波检测电路模型
该方法中,需要用到与a相电网电压ea同相位的正弦信号sin(wt)和对应的余弦信号-cos(wt),它们由一个单相锁相环得到。
因为APF要求实时性高,能随时跟踪谐波电流的变化,而低通滤波器是整个系统中决定实时性的一个重要因素。因此在选用LPF时,一定要兼顾动态响应速度与截止频率,应遵从以下原则:在低通滤波器能完全滤出交流分量的前提下,选用的低通滤波器阶数应尽可能低,截止频率尽可能高。本文选用巴特沃斯LPF,其阶数取为2,截止频率fc选为20Hz。
由于基于ip、iq运算方式的谐波检测方法只有sin(wt)、cos(wt)参与计算,电压的谐波成分不参与计算,因此,无论电网电压是否畸变,本方法都能有效地检测出谐波电流。这也是该方法优于基于p、q运算方式的谐波检测方法的一个原因。
该方法电路简单,但是对硬件的精度要求很高,为了降低对硬件精度的要求,提高系统的稳定性和控制精度,可在LPF后增加PI调节器。
驱动电路的仿真模型
由于并联型有源滤波器产生的补偿电流应实时跟随其指令电流信号的变化,要求补偿电流发生器有很好的实时性,因此,电流控制采用跟踪型PWM控制方式。目前跟踪型PWM控制的方法主要有两种,即瞬时值比较方式和三角波比较方式。本文采用三角波比较方式。
主电路的仿真模型
有源电力滤波器的主电路是一个电压型PWM变流器,其直流侧电容值为1200F,由于容量小,故功率器件选用了电力MOSFET。
仿真结果分析

图3 未加载有源滤波器时的电流波形和谐波

图4 加载有源滤波器后的电流波形和谐波
抑制谐波的关键在于滤波器能够实时地、准确地、快速地检测出谐波。本文所提出的根据瞬时无功功率理论检测谐波电流的方法, 能够较好地满足以上要求。由仿真的波形图(见图3和图4) 可以总结出该有源滤波器具有如下特点:
(1) 从得到的仿真结果可以看出,有源滤波器对主提升机房供电电源中的谐波有着明显的抑制作用,使流入电网的电流波形得到明显改善,电源电流的畸变率由原来的29.68%下降到3.31%,达到了补偿和抑制谐波的目的。
(2) 有源滤波器的主电路采用MOSFET管,由于MOSFET管具有良好的可控性, 因此,该滤波器可以快速地反应波形的变化,这使得有源滤波器有良好的跟踪性, 可实时地滤除谐波。
(3) 从有源滤波器的总体结构来看,该有源滤波器结构简单,根据瞬时无功功率理论,可以设计出谐波检测电路或应用DSP 芯片来实现电流检测。这样,不仅提高了运算的速度,而且降低了滤波器的损耗,经济上是可行的。
结语
本文所设计的有源电力滤波器可以有效抑制电力电子装置所产生的谐波,它与无源滤波器相比,具有更好的补偿特性,在一些谐波成分复杂、多变的场合更具有优势。实践表明,MATLAB仿真软件可以很容易地应用于电力系统仿真领域,是电力系统分析的有利工具。






