中心论题:
- 根据欧洲光伏工业协会(EPIA)的数据预测,2010年太阳能发电量的增幅可达4倍
- 简述太阳能供电系统的组成及发展方向
- 逆变器是光伏发电系统中的关键部件,DC/AC的转换效率和电池充电的效率取决于逆变器的输入电压
- 提高最大输出功率需要有效的算法及性能良好的控制器
解决方案:
- 寻找最大功率点的常用算法:最大功率点跟踪(MPPT)算法和不同负载情况下的动态算法
- 用于逆变器的浮点数字信号控制器(DSC)—TMS320F2833x可以满足若干实时处理的需要,有效执行精密的算法,从而提高DC/AC转换的效率并实现电路?;さ墓δ?/strong>
太阳能和其它可再生能源将逐渐替代石油、煤炭等化石能源。据预测,到2050年各种一次性能源在世界能源消费构成中所占的比例将为:天然气13%、煤20%、核能10%、水电5%、可再生能源(含太阳能、风能、生物质能等)50%。太阳能以其储量的“无限性”、存在的普遍性、开发利用的清洁性、安全性以及逐渐显露出的经济性等优势,将成为人类理想的替代能源。
根据欧洲光伏工业协会(EPIA)的数据显示,2010年太阳能发电量的增幅可达4倍,达 5550 兆瓦。如图1所示,为欧洲光伏工业协会对全球太阳能光伏发电量的预测。

图1:欧洲光伏行业学会对全球太阳能光伏发电量的预测
在中国,据报道2010年以前太阳能电池多数是用于独立光伏发电系统,从2011年到2020年,光伏发电市场主流将会由独立发电系统转向并网发电系统。未来15年内,中国将投资2000多亿元,充分利用西部地区和沿海地区太阳日照时间长的优势,兴建太阳能供热系统、太阳能光热应用示范工程和大型太阳能光伏发电站,大力发展太阳能产业。预计到2015年,中国的光伏产量将达到1GWp,位居世界先进水平,2020年将达到35GWp。
因此,市场上有望出现并网太阳能发电系统的建设高潮,本文首先介绍太阳能供电系统的基本概念,并结合具体电路说明用于并网太阳能发电系统的逆变器智能控制技术,从而说明太阳能产业发展将给半导体行业带来的新机遇。
太阳能供电系统:概念和发展方向
太阳能供电系统由太阳能电池组件、太阳能控制器、蓄电池(组)组成。如输出电源为交流220V或110V,还需要配置逆变器。各部分的作用为:
1. 太阳能电池组件是太阳能供电系统中的核心部分,也是太阳能供电系统中价值最高的部分。其作用是将太阳的辐射能量转换为电能,或送往蓄电池中存储起来,或推动负载工作。太阳能电池组件的质量和成本将直接决定整个系统的质量和成本。
2. 太阳能控制器的作用是控制整个系统的工作状态,并对蓄电池起到过充电?;?、过放电?;さ淖饔?。在温差较大的地方,合格的控制器还应具备温度补偿的功能。其他附加功能如光控开关、时控开关都应当是控制器的可选项。
3. 蓄电池:一般为铅酸电池,小微型系统中,也可用镍氢电池、镍镉电池或锂电池。其作用是在有光照时将太阳能电池组件所供出的电能储存起来,到需要的时候再释放出来。
4. 逆变器:由于太阳能的直接输出一般都是12VDC、24VDC、48VDC。为能向220VAC的电器提供电能,需要将太阳能供电系统所供出的直流电能转换成交流电能,因此,需要使用DC-AC逆变器。
随着全球能源需求的增长,大型和超大型并网光伏电站系统的建设已经在全球如火如荼地展开,它们发出的电能直接并入高压输电网络,并可参与电力的输送和调配,因此,是世界各国未来太阳能发电的重要发展方向。图2所示为Navigant Consulting对未来几年全球光伏市场发展趋势的预测,其中可见,并网发电系统的增长最快。

图2:未来几年全球光伏市场发展趋势的预测
在光伏发电系统中,除了防止蓄电池过充和过放、防反充电等的控制器之外。逆变器也是光伏发电系统中的另一个关键部件,光伏发电系统用的逆变器对可靠性和逆变效率有很高的要求,其中,如何提高逆变器的DC/AC转换效率是业内面临的关键挑战之一。
光伏发电系统逆变器:半导体行业发展的新机遇

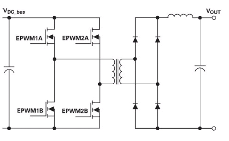
图3:逆变器电路的基本方框图
逆变器电路的基本框图如图3所示,首先,由DC/DC转换(图中没有显示DC/DC转换和调整部分)提升或降低输入的电压,调节其输出以实现最大的效率。在经过一些附加的电压缓冲之后,左侧电桥中的MOSFET通常由18-20KHz的开关频率,把DC电压转换为AC电压。一般来说,单相H桥是DC/AC级的常见配置,但是,也可以采用三相和其它配置。最后,低通滤波器平滑由开关切换产生的交变电压,从而产生用于并网光伏发电系统的正弦交流电输出。
一般来说,输入直流电压要比交流输出电压的电平要高,但是,由太阳能电池板提供的输入源电压通常没有那么高,因此,系统可以在交流输出一侧采用变压器提升电压,或在DC/DC转换级提升直流电压。
在变压器方案中,虽然它增加重量和逆变器的体积,并增加成本及造成转换效率的降低,但是,通过隔离变压器两侧的电路,它们提高了电路保护和人的安全性,防止直流电流到交流电一侧,而交流电的漏电流也不会造成光伏电池板与地之间的潜在问题。
在不采用变压器的系统中,为了防止负载切换时或者当外电路有严重扰动时烧毁MOSFET,在设计中要采用一种剩余电路?;て骷?RCD)来监测各相的电流,如果电流超过某个数值,该器件就会触发保护继电器断路,从而保护转换和充电电路部分,使之免受电网上电压浪涌的破坏。
此外,如果电力线受到破坏或被迫关闭,逆变器就要停止向用电设备或电网供电。如果电力线电压偏低或欠压、或出现巨大的扰动时,要采用一种用于“非孤岛”逆变器的传感器来感测这种情况。当出现这种情况时,逆变器将自动地关闭向电网供电,或把电力传输到其它地方,从而防止它成为电力发电的“孤岛”。
正如DC/AC转换的效率取决于输入电压一样,电池充电的效率也取决于输入电压。光伏板由于受到季节、云层覆盖及日照时间的影响,电池的充电状态也会不断地变化。
有时候,降低给电池的电压而提高电流会提高总功率并加速充电;在另一些时候,可能有必要牺牲一些电流以实现更高的电压,从而实现完全地充电。如图4所示,对电池的最大输出功率出现在电压和电流积的峰值处。

图4:当电压和电流之积为峰值时,对电池的输出功率为最大
最大功率点输出跟踪(MPPT)被设计为确定这个峰值并调节DC/DC电压转换,以最大化充电输出。在冬季里,MPPT能够把太阳能发电系统的效率提高1/3。确定MPP的一种方式就是在每一个MPPT周期中,由控制器调节PV板的工作电压,并观察其输出电压。
为了确定真正的MPP点,MPPT算法在足够宽的范围内振荡,以避免因云层覆盖或平静的微风导致错误地选择功率曲线上的局部峰值作为MPP点。但是,这种方法的不足之处在于:在每一个周期中,它都偏离MPP点振荡,跟踪的效率低下。
作为一种替代解决方案,人们提出了一种增量自感算法,通过定义一个峰值,然后,求解功率曲线的微分,从而得出MPP点。虽然这种方法没有因宽范围振荡引起的低效率问题,但是,它存在把本地峰值误设为MPP点的可能。
把上述两种方法结合起来,既能够在较宽的范围内扫描,避免把局部峰值作为MPP点,同时,又能够提高最大功率点输出跟踪的效率,但是,这就需要采用性能最强的控制器。
用于逆变器的数字信号控制器必须满足若干实时处理的需要,以有效地执行精密的算法,从而提高DC/AC转换的效率并实现电路?;さ墓δ?。例如,德州仪器(TI)不久前宣布推出业界首款浮点数字信号控制器(DSC)—TMS320F2833x,在世界环境日之际以创新技术推动工业应用的环保发展。新型 TMS320F2833x 能够以150MHz频率提供每秒3亿次浮点运算(MFLOPS),同时还能降低定点处理器的相关成本。该浮点处理器可帮助工业控制设计人员简化软件开发,增强系统性能,提高节能效率,因此,能够使太阳能逆变器提高太阳能板的能量转换效率,改善变速交流(AC)驱动的功率与性能。
目前,全球领先的太阳能逆变器制造商大都采用TI的DSC,以最大功率点跟踪(MPPT)算法以及不同负载情况下(如阴天、光照不强等)的动态算法调节来实现最大化系统峰值效率。
此外, 近来科学家研究发现,SiC器件具有优于GaAs和Si器件数倍的热传导率和电场击穿电压,因其效率高,性能好,制成的肖特基二极管成为了太阳能系统的理想解决方案,同样值得关注。
总结
中国政府在《可再生能源长期规划》提出,太阳能光伏发电装机容量到2010年将发展到450MWp,而2005年全国太阳能发电装机容量仅为6.5MWp,这就意味着中国太阳能装机容量的复合增长率将会高达38%以上。了解目前太阳能光伏市场发展动态,把握太阳能光伏行业发展趋势,对于半导体行业的发展是至关重要的。



