中心论题:
- 负载控制前置FET驱动器和N-通道功率FET组合控制系统中的四种不同负载
- 设置浪涌电流的动态故障阈值
- 车载照明系统的故障检测和?;?/strong>
解决方案:
- 将一个高压侧前置 FET 驱动器和功率FET组合控制车载照明
- 电子开关进行编程以在发生过电流情况的事件中进行周期性的自动重试
- 前置FET驱动器和功率FET的组合防止应用中的动态和静态故障
- 再循环螺线管能量以及在负载中安装整流器对FET实施?;?/span>
车载照明系统要求高达 55A 的峰值浪涌电流。在传统方法中,使用继电器和保险丝来开关和限制功率输出电流是不可预知的,也是不可靠的。
将一个高压侧前置 FET 驱动器和功率FET组合是一种控制车载照明的最理想的解决方案。
一支白炽灯泡中钨丝的电阻可随着温度的变化产生超过 1:10 比率的变化。为了防止元件过热,以及长时间使用而造成的元件性能下降,一款具有可编程短路和过电流调节的电子开关就显得极为有用。一旦检测到有过电流情况发生,标准及自恢复 (re-settable) 保险丝就会中断负载电源,并且可能会用一个长短不定的时间来进行复位。与此不同的是,可以对一个电子开关进行编程来更具预见性地做出反应。
基于保险丝的系统只能被设置到一个明确的复位值,并且无法像电子解决方案一样能够容纳 10:1 电流比率??梢远缘缱涌亟斜喑蹋栽诜⑸缌髑榭龅氖录薪兄芷谛缘淖远厥?,或者检查故障是否已被排除。同时,对故障的性质进行监控、检测以及报告有助于轻松地弄清楚系统存在的问题。
多通道前置 FET 驱动器和外部功率 FET 概念提供了系统灵活性,用于优化负载控制功耗和成本。与一个全面集成的解决方案相比,独立地选择功耗和不同 FET 电阻有助于防止由于单通道故障带来的交互作用和系统故障。
前置 FET 驱动器功率开关组合允许系统对 FET 开关特性进行控制,并且在栅极驱动输出上使用外部 RC 组件时处理所有电磁干扰 (EMI) 问题。
负载控制前置FET 驱动器和N-通道功率FET 组合
一个前置 FET 驱动器(例如:TI 推出的 TPIC44H01)被用来控制系统中的四种不同负载。这种组合能够通过温度系数较好地控制阻性负载。通常,负载被连接在低压侧,而功率 FET 则在高压侧完成配置,以为负载供电。每一条通道都可以由一个来自微控制器的并行输入信号或串行编程寄存器来控制。在一个并行结构中,一个通用 I/O 或基于定时器的输出被用来控制负载电流。
栅极驱动输出通常为一个恒定电流源,并且吸入输出端来控制 FET 栅极电容充电和放电特性。与输出串联的一个外部电阻器限制了 FET 开关转换的升降次数。这种效应使转换率得到了控制,同时还可有助于减少会增加电磁干扰(增加开关损耗和功耗)的开关极限期间出现的快速电流变化。这些输出在内部被控制在 17V 的最大输出电压以下,以保护外部 FET 栅极免于源击穿损坏。与一款集成的解决方案相比较,可以对前置 FET 驱动器和功率 FET 的组合进行配置,以防止应用中的动态和静态故障。
浪涌电流的动态故障阈值
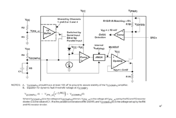
白炽灯的发光照明要求有一个动态故障阈值来对高浪涌电流进行补偿,并防止在开启之初错误地触发过电流条件。一个带有开关的 RC 网络的使用可以设置该动态故障的阈值(参见图1)。通过使用这种方法,可以针对不同的白炽灯泡对短路电流进行优化。在最初的过电流阈值被设置时设置 VPEAK 电压,然后当在 VCOMP 终端上设置的电阻器分压器值为恒定不变的 RC 时间常数时进行衰减。每当栅极从“关闭”状态转到“开启”状态时,便通过一个适当通道的并行或串行输入比特产生这种可变过电流阈值的波形。
图1
[page]
当该特定通道处于“关闭”状态时,经过编程的 VPEAK(X) 值被反映在 VCOMP(X) 上。如果一个特定通道被开启,那么过电流检测的参考电压就为动态,并且用内部 VPEAK 设置和VCOMP(X) 终端外部组件值表示。
根据时间的变化对一个以电压形式表示的过流故障阈值进行调节,以对灯泡灯丝电阻的变化进行补偿(如图2所示 )。
图2
故障检测和保护
在所有的系统中,对于负载保护而言,故障检测都是至关重要的。能够独立地对 “开启”状态下有短路负载和过电流现象以及“关闭”状态下有开路负载的每一条通道进行故障检测,将使系统能够做出正确的反应。这种检测同时还可以将出现故障的通道隔离开,以避免影响其它正常通道,特别是在涉及热相互作用问题的时候。
a “开启”状态故障
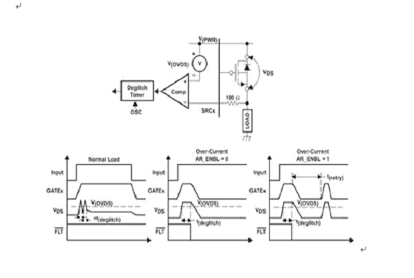
为了检测每一条通道的短路负载,监控外部功率 FET 电源电压可确保开关何时被完全“开启”,以及何时将电压设置为几个正电压(一般为 5V)。如果该短路负载发生在开关转换以后,那么在系统做出正确反应(包括“关闭”FET 以使其不超出安全工作区参数)以前,故障的确定有效持续时间比故障掩模时间要长。为了防止出现开关转换期间的错误故障报告,一种抗尖峰脉冲 (de-glitch) 滤波器在耗尽转换时间时被激活,以屏蔽故障。可以对该抗尖峰脉冲屏蔽时间进行编程来对所有转换率控制实施进行补偿。
当一个外部引脚上的漏-源电压超出一个编程电压电平时,过电流故障监控和报告就会被标记出来。这种方法要求 FET 电阻处在“开启”状态中,并且要求所有负载电流产生该漏-源电压。在一个被称为故障屏蔽定时器的编程期间,这种故障的检测被屏蔽起来。如果在比屏蔽定时器更长的时间里,故障一直都存在,那么将报告过电流故障,并且采取正确的动作来“关闭”该 FET。这种协议 (arrangement) 可防止 FET 超出器件的最高建议结温。
当检测到一个过电流状态时,通过“关闭”器件或激活将以低占空比自动重试和 “开启”FET 的选项设置,就可以对 FET 进行保护。这样就允许系统不断地检查故障是否已经被排除,并且不会破坏 FET。图3显示了这种过电流检测保护的原理图。
图3
b “关闭”状态故障
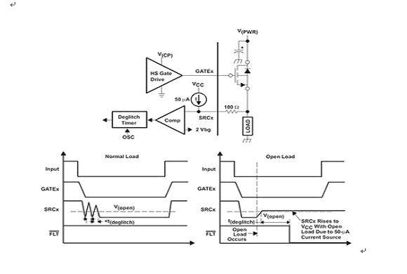
在“关闭”状态下监控开路负载故障为系统提供了负载完整性信息。当开关完全处于“关闭”状态下时,通过监控外部功率 FET 的电源电压,就可以实现对每一条通道开路负载故障的检测。一个内部电源激活一个流经负载到接地的小恒定电流,并且使开路负载检测阈值以下的 SRCx 节点发生偏置。
[page]
如果检测到一个开路负载或高阻抗,那么小恒定电流将使开路负载检测阈值以上的 SRCx 节点发生偏置,进而检测到故障(见图4)。
图4
同样地,为了防止开关转换期间出现错误的故障报告,一种抗尖峰脉冲滤波器在电源转换期间被激活,以屏蔽故障。可以对该抗尖峰脉冲屏蔽时间进行编程来对所有转换率控制实施进行补偿。如果该开路负载发生在开关转换以后,那么在系统做出正确的动作以前故障的确定有效时间比故障掩模时间要长。正确的动作就是使该场效应晶体管保持在“关闭”状态下。
在所有系统中,监控电源线的过压状态以及“关闭”场效应晶体管来防止对负载和 FET 可能造成的破坏是很重要的(见图5)。
图5
前置 FET 驱动器和功率 FET 的组合可用来驱动螺线管负载。如果在栅极被“关闭”的情况下没有实施外部?;ぃ涂赡芑岢鱿侄怨β?FET 的损坏。通过再循环螺线管能量以及在负载中安装整流器,可以对 FET 实施?;?。但是,这样做可能会占用一些时间衰减负载能量,因此在快速脉宽调制 (PWM) 操作中不建议采用这种方法。
对于快速“关闭”而言,“主动”地“开启”功率 FET 要求实施一个有源钳位。这样就可以消耗掉存储的能量,并且在不到一毫秒的时间内迅速地将数瓦特的功率添加到该FET。另外一种方法是,可以将外部功率 FET 的雪崩击穿用于在“关闭”以后慢慢消耗能量,但是对于高频 率脉宽调制 (PWM) 操作而言,不建议采用这种方法。
结论
高压侧前置场 FET 驱动器和功率 FET 组合被广泛地用于负载控制,例如:车载电子的白炽灯泡、继电器螺线管和传输螺线管等。这种组合还可能被应用于那些要求通过串行总线通信或者并行输入控制来实现负载控制的工业和商业应用中。将每一个功率 FET 与热相互作用隔离的这种能力,在那些单通道短路或者热关闭故障不会中断其它负载控制通道功能的情况下是非常有好处的。





