中心论题:
- 电池-能够产生电能的便携、独立化学系统。
- 电池的化学成分和设计共同限制了输出电流。
- 电池充电的图解。
- 镍镉,镍氢电池,锂离子和锂聚合物充电原理介绍。
- 锂离子电池的?;ご胧?
- 可充电电池的?;つJ?
解决方案:
- 降低内阻可获得更大的输出电流。
- 高能量密度给定体积和重量的电池中存储更多的能量。
- 通过检测电池充满时的电压跌落终止充电。
- DS2720通过其1-Wire接口提供主机系统对设备的读写访问。
电池的应用从来没有像现在这么广泛。电池正在变得更小、更轻,在单位体积内容纳更多能量。电池发展的主要动力来自便携设备(例如移动电话、膝上电脑、摄录像机和MP3播放器)的快速发展。这篇关于充电方式和现代电池技术的应用笔记将帮助您更好了解这些便携设备中使用的电池。
电池的定义
如果电池仅定义为能量储存系统,则其有可能包括飞轮和时钟发条等元件。在现代技术中电池的更精确定义为:能够产生电能的便携、独立化学系统。
一次电池,又叫不可充电电池或原电池,从电池单向化学反应中产生电能。原电池放电导致电池化学成分永久和不可逆的改变。但可充电电池,又叫二次电池,可在应用中放电,也可由充电器充电。所以,二次电池储存能量,而不是产生能量。
充电和放电电流(安培)通常用电池额定容量的倍数表示,叫做充电速率(C-rate)。例如,对于额定为1安时(Ah)的电池,C/10的放电电流等于1Ah/10=100mA。电池的额定容量(Ah或mAh)是电池在特定的条件下完全放电所能储存(产生)的电能。因此,电池的总能量等于容量乘以电池电压,单位为瓦时。
电池性能的测试
电池的化学成分和设计共同限制了输出电流。若没有实际因素限制性能,电池瞬时可以输出无穷大电流。限制电池输出电流的主要因素是基本化学反应速率、电池设计,以及进行化学反应的区域。某些电池本身具有产生大电流的能力。如镍镉电池短路电流可大到足以融化金属和引起火灾。其它一些电池只能产生弱电流。电池中所有化学和机械总效应可用
一个数学因数表示,即等效内阻。降低内阻可获得更大电流。
没有电池能永久储存能量。电池不可避免要进行化学反应并缓慢退化,导致储存电量减少。电池容量与重量(或体积)之比称为电池的能量密度。高能量密度意味着在给定体积和重量的电池中可存储更多能量。
下表给出了个人电脑和蜂窝电话中可充电电池的主要化学成分,以及其额定电压和能量密度(以瓦时每千克,或Wh/Kg表示)。
若一次和二次电池都能达到同样目的,为什么不总是选择二次电池呢?原因是二次电池有以下缺点:实际中,所有二次电池能量都会因自放电较快的损失;二次电池使用前必需充
没有电池能永久储存能量。电池不可避免要进行化学反应并缓慢退化,导致储存电量减少。电池容量与重量(或体积)之比称为电池的能量密度。高能量密度意味着在给定体积和重量的电池中可存储更多能量。
下表给出了个人电脑和蜂窝电话中可充电电池的主要化学成分,以及其额定电压和能量密度(以瓦时每千克,或Wh/Kg表示)。
若一次和二次电池都能达到同样目的,为什么不总是选择二次电池呢?原因是二次电池有以下缺点:实际中,所有二次电池能量都会因自放电较快的损失;二次电池使用前必需充
电。
电池充电
一个新的可充电电池或电池组(一个电池组中有几个电池)不能保证已充满电。事实上它们很可能已被完全放电。因此,首先要根据制造商提供的、与化学成分相关的指南,对电池/电池组充电。
每次充电要根据电池化学成分按顺序施加电压和电流。因此,充电器和充电算法需满足不同电池化学成分的不同要求。电池充电常用术语包括:用于NiCd和NiMH电池的恒流(CC),和用于锂离子和锂聚合物电池的恒流/恒压(CC/CV)(图1至6)。






如上所示,电池化学成分和充电技术不同,充电终止的判定条件也不同。
镍镉电池充电
在0.05°C至大于1°C的范围内对NiCd电池恒流充电。一些低成本充电器使用绝对温度终止充电。虽然简单、成本低,但这种充电终止方法不精确。更好的方法是通过检测电池充满时的电压跌落终止充电。对于充电速率为0.5°C或更高的NiCd电池,- V方法是最有效的。- V充电终止检测应与电池温度检测相结合,因为老化电池和不匹配电池可能减少 V。
通过检测温升速率(dT/dt)可以实现更精确的满充检测,这种满充检测比固定温度终止对电池更好?;?T/dt和- V组合的充电终止方法可避免电池过充,延长电池寿命。
快速充电可改善充电效率。在1°C的充电速率下,效率可以接近1.1(91%),充满一个空电池的时间为1小时多一点。当以0.1°C充电时,效率便下降到1.4(71%),充电时间为14小时左右。
因为NiCd电池对电能接收程度接近100%,所以几乎所有的能量在充电开始的70%期间被吸收,而且电池保持不发热。超快速充电器利用该特点,在几分钟内将电池充到70%,以几C的电流充电而无热量产生。充到70%后,电池再以较低速率继续充电,直到电池充满。最后以0.02°C至0.1°C的涓流结束充电。
镍氢电池充电
尽管NiMH充电器与NiCd充电器类似,但是,NiMH充电器采用 T/dt方法终止充电,这是到目前NiMH电池充电的最好办法。NiMH电池充电结束时电压下降比较小,而对低充电速率(低于0.5°C,这取于温度)可能不出现电压下降。
新的NiMH电池会在充电周期内过早地出现错误峰值,这会导致充电器过早结束充电。此外,单用- V检测结束充电几乎肯定会出现过充,导致在电池失效前限制充放电次数。
似乎没有在所有条件下(新或旧,热或冷,全部或部分放电)都适用的NiMH电池的-dV/dt充电算法。因此,除非NiCd充电器使用了dT/dt方法终止充电,否则不能用NiCd充电器为NiMH电池充电。而且,因为NiMH电池不能很好的吸收过充,所以,涓流充电电流比NiCd电池小(约0.05°C)。
NiMH电池的慢充比较困难。因为以0.1°C至0.3°C的速率充电时,电压和温度的变化不能准确指示电池已充满。因此,慢速充电器必须依靠定时器来决定何时结束充电。以此,为保证NiMH电池充满,应以接近1°C的速率(或电池制造商指定速率)快速充电,同时监控电压( V=0)和温度(dT/dt)来确定何时结束充电。
锂离子和锂聚合物电池充电
镍基电池充电器限制电流,而锂离子电池充电器则需同时限制电压和电流。最初的锂离子电池充电电压限制在4.10V/节。电压越高意味着容量越大,现在可以通过增加化学添加剂实现4.20V电池电压。当前的锂离子电池一般充电到4.20V,容差为±0.05V/节。
当端电压达到电压阈值并且充电电流降至0.03°C(约Icharge的3%,参考图6)时表明电池已充满。多数充电器达到满充的时间约为3小时。尽管某些线性充电器声称Li+电池充电只需约一小时,但这类充电器通常在电池端电压达到4.2V时就终止充电,这种方法只能将电池充到其容量的70%。

较高的充电电流并不会使充电时间缩短太多。较高的充电电流能较快达到电压峰值,但是浮充需要较长时间。通常,浮充时间是初始充电时间的两倍。
锂离子电池?;?
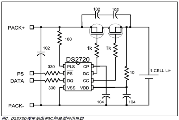
因为Li+电池过充或过放可能会导致爆炸并造成人员伤害,所以使用这类电池时,安全是主要关心的问题。因此,商用锂离子电池组通常包括象DS2720这样的保护电路(图7)。
DS2720提供了可充电Li+电池所需的所有保护功能,如:在充电时保护电池、防止电路过流、通过限制电池的放电电压延长电池寿命。

DS2720IC使用外部开关元件,如低成本n沟道功率MOSFET,来控制充电和放电电流。内部9V的电荷泵为外部n沟道MOSFET提供高端驱动,与常见使用相同FET的低端?;さ缏废啾染哂懈偷牡纪ǖ缱?。FET导通电阻实际上随电池放电而减少(见图8)。
DS2720稳压的高端n-FET驱动,即便在放电快结束时,都能保证低开关阻值。这将延长便携设备运行时间。监控电池过压/欠压,过流和过热;稳压电荷泵支持高端模式n型沟道MOSFET;集成电池选择功能;8字节可锁定用户EEPROM;64位唯一电子序列号;低功耗:工作15µA,静态1µA;提供8引脚MSPO微型封装;1-Wire数据通讯接口。

DS2720允许用户通过数据接口或专用输入控制外部FET,减少了可充电Li+电池系统中额外的功率开关控制。DS2720通过其1-Wire接口提供主机系统对状态和控制寄存器、测量寄存器,以及通用数据存储器的读写访问。每个器件都有一个工厂编程的64位唯一地址,允许主机系统单独寻址每个器件(图9)。
DS2720为电池信息存储提供两类存储器,及EEPROM和可锁定EEPROM。EEPROM是真正的非易失(NV)存储器,用来保存重要的电池数据,不会因电池过度放电、偶然短路或ESD事件丢失数据??伤‥EPROM在锁定后相当于只读存储器(ROM),用于更安全地保存不再改变的电池数据。
?;つJ?
a 过压 如果在VDD检测的电池电压超过过压阈值VOV时间大于过压延迟时间tOVD,则DS2720关闭充电FET,并将保护寄存器的OV置位。在过压期间,放电通路保持开放。除非被另外?;ぬ跫ǎ钡绯氐缪菇档匠涞缡鼓茔兄礦CE以下或由于放电导致VDD-VPLS>VOC时,充电FET被重新使能。
b 欠压 如果在VDD检测的电池电压低于欠压阈值VUV时间大于欠压延迟时间tUVD,则DS2720关闭充电和放电FET,并将保护寄存器的UV置位,使其进入休眠模式。当电池电压升到VUV以上和连接充电器后,IC打开充电和放电FET。
c 短路 如果在VDD检测的电池电压低于放电阈值VSC时间达到延迟时间tSCD,则DS2720关闭充电和放电FET,并将?;ぜ拇嫫鞯腄OC置位。除非PLS上的电压升至大于VDD-VOC,否则充电和放电FET不会导通。DS2720提供流经内部VDD至PLS电阻RTST的测试电流,当VDD升至大于VSC时上拉PLS。DS2720利用此测试电流检测有害低阻抗负载的移除。另外,测试电流还提供了流经RTST,由PLS到VDD的恢复性充电通路。
d 过流 若加在保护FET的电压(VDD-VPLS)大于VOC的时间超过了tOCD,则DS2720关断外部充电和放电FET,并将保护寄存器DOC置位。直到PLS上的电压升至大于VDD-VOC时电路才会导通。DS2720提供流经内部VDD至PLS电阻RTST的测试电流来检测有害低阻抗负载的移除。
e 过热 若DS2720温度超过TMAX,则立即关断外部充电和放电FET。在以下两个条件满足前FET不会导通:电池温度降到低于TMAX,主机将OT复位。
f 充电温度 应尽量在室温下充电。镍基电池应在10°C至30°C(50°F至86°F)之间快速充电。低于5°C(41°F)和高于45°C(113°F)时镍基电池的充电能力急剧下降。锂离子电池在整个温度范围内呈现良好的充电性能,但低于5°C(41°F)时充电速率应小于1°C。
本文小结
NiMH充电器可为NiCd电池充电,反之则不行。NiCd电池专用的充电器将会使NiMH电池过充??焖俪涞缈稍銮磕绯氐氖倜托阅埽馐且蛭焖俪涞缃档土四诓拷峋б鸬募且湫в?。镍基和锂基电池要求不同的充电算法。Li+电池需要?;さ缏防醇嗫睾捅;す?、短路、过压、欠压以及过热。注意,在电池不常使用时,应从充电器中取出,在使用前对电池浮充。
电池充电
一个新的可充电电池或电池组(一个电池组中有几个电池)不能保证已充满电。事实上它们很可能已被完全放电。因此,首先要根据制造商提供的、与化学成分相关的指南,对电池/电池组充电。
每次充电要根据电池化学成分按顺序施加电压和电流。因此,充电器和充电算法需满足不同电池化学成分的不同要求。电池充电常用术语包括:用于NiCd和NiMH电池的恒流(CC),和用于锂离子和锂聚合物电池的恒流/恒压(CC/CV)(图1至6)。






如上所示,电池化学成分和充电技术不同,充电终止的判定条件也不同。
镍镉电池充电
在0.05°C至大于1°C的范围内对NiCd电池恒流充电。一些低成本充电器使用绝对温度终止充电。虽然简单、成本低,但这种充电终止方法不精确。更好的方法是通过检测电池充满时的电压跌落终止充电。对于充电速率为0.5°C或更高的NiCd电池,- V方法是最有效的。- V充电终止检测应与电池温度检测相结合,因为老化电池和不匹配电池可能减少 V。
通过检测温升速率(dT/dt)可以实现更精确的满充检测,这种满充检测比固定温度终止对电池更好?;?T/dt和- V组合的充电终止方法可避免电池过充,延长电池寿命。
快速充电可改善充电效率。在1°C的充电速率下,效率可以接近1.1(91%),充满一个空电池的时间为1小时多一点。当以0.1°C充电时,效率便下降到1.4(71%),充电时间为14小时左右。
因为NiCd电池对电能接收程度接近100%,所以几乎所有的能量在充电开始的70%期间被吸收,而且电池保持不发热。超快速充电器利用该特点,在几分钟内将电池充到70%,以几C的电流充电而无热量产生。充到70%后,电池再以较低速率继续充电,直到电池充满。最后以0.02°C至0.1°C的涓流结束充电。
镍氢电池充电
尽管NiMH充电器与NiCd充电器类似,但是,NiMH充电器采用 T/dt方法终止充电,这是到目前NiMH电池充电的最好办法。NiMH电池充电结束时电压下降比较小,而对低充电速率(低于0.5°C,这取于温度)可能不出现电压下降。
新的NiMH电池会在充电周期内过早地出现错误峰值,这会导致充电器过早结束充电。此外,单用- V检测结束充电几乎肯定会出现过充,导致在电池失效前限制充放电次数。
似乎没有在所有条件下(新或旧,热或冷,全部或部分放电)都适用的NiMH电池的-dV/dt充电算法。因此,除非NiCd充电器使用了dT/dt方法终止充电,否则不能用NiCd充电器为NiMH电池充电。而且,因为NiMH电池不能很好的吸收过充,所以,涓流充电电流比NiCd电池小(约0.05°C)。
NiMH电池的慢充比较困难。因为以0.1°C至0.3°C的速率充电时,电压和温度的变化不能准确指示电池已充满。因此,慢速充电器必须依靠定时器来决定何时结束充电。以此,为保证NiMH电池充满,应以接近1°C的速率(或电池制造商指定速率)快速充电,同时监控电压( V=0)和温度(dT/dt)来确定何时结束充电。
锂离子和锂聚合物电池充电
镍基电池充电器限制电流,而锂离子电池充电器则需同时限制电压和电流。最初的锂离子电池充电电压限制在4.10V/节。电压越高意味着容量越大,现在可以通过增加化学添加剂实现4.20V电池电压。当前的锂离子电池一般充电到4.20V,容差为±0.05V/节。
当端电压达到电压阈值并且充电电流降至0.03°C(约Icharge的3%,参考图6)时表明电池已充满。多数充电器达到满充的时间约为3小时。尽管某些线性充电器声称Li+电池充电只需约一小时,但这类充电器通常在电池端电压达到4.2V时就终止充电,这种方法只能将电池充到其容量的70%。

较高的充电电流并不会使充电时间缩短太多。较高的充电电流能较快达到电压峰值,但是浮充需要较长时间。通常,浮充时间是初始充电时间的两倍。
锂离子电池?;?
因为Li+电池过充或过放可能会导致爆炸并造成人员伤害,所以使用这类电池时,安全是主要关心的问题。因此,商用锂离子电池组通常包括象DS2720这样的保护电路(图7)。
DS2720提供了可充电Li+电池所需的所有保护功能,如:在充电时保护电池、防止电路过流、通过限制电池的放电电压延长电池寿命。

DS2720IC使用外部开关元件,如低成本n沟道功率MOSFET,来控制充电和放电电流。内部9V的电荷泵为外部n沟道MOSFET提供高端驱动,与常见使用相同FET的低端?;さ缏废啾染哂懈偷牡纪ǖ缱?。FET导通电阻实际上随电池放电而减少(见图8)。
DS2720稳压的高端n-FET驱动,即便在放电快结束时,都能保证低开关阻值。这将延长便携设备运行时间。监控电池过压/欠压,过流和过热;稳压电荷泵支持高端模式n型沟道MOSFET;集成电池选择功能;8字节可锁定用户EEPROM;64位唯一电子序列号;低功耗:工作15µA,静态1µA;提供8引脚MSPO微型封装;1-Wire数据通讯接口。

DS2720允许用户通过数据接口或专用输入控制外部FET,减少了可充电Li+电池系统中额外的功率开关控制。DS2720通过其1-Wire接口提供主机系统对状态和控制寄存器、测量寄存器,以及通用数据存储器的读写访问。每个器件都有一个工厂编程的64位唯一地址,允许主机系统单独寻址每个器件(图9)。
DS2720为电池信息存储提供两类存储器,及EEPROM和可锁定EEPROM。EEPROM是真正的非易失(NV)存储器,用来保存重要的电池数据,不会因电池过度放电、偶然短路或ESD事件丢失数据??伤‥EPROM在锁定后相当于只读存储器(ROM),用于更安全地保存不再改变的电池数据。
?;つJ?
a 过压 如果在VDD检测的电池电压超过过压阈值VOV时间大于过压延迟时间tOVD,则DS2720关闭充电FET,并将保护寄存器的OV置位。在过压期间,放电通路保持开放。除非被另外?;ぬ跫ǎ钡绯氐缪菇档匠涞缡鼓茔兄礦CE以下或由于放电导致VDD-VPLS>VOC时,充电FET被重新使能。
b 欠压 如果在VDD检测的电池电压低于欠压阈值VUV时间大于欠压延迟时间tUVD,则DS2720关闭充电和放电FET,并将保护寄存器的UV置位,使其进入休眠模式。当电池电压升到VUV以上和连接充电器后,IC打开充电和放电FET。
c 短路 如果在VDD检测的电池电压低于放电阈值VSC时间达到延迟时间tSCD,则DS2720关闭充电和放电FET,并将?;ぜ拇嫫鞯腄OC置位。除非PLS上的电压升至大于VDD-VOC,否则充电和放电FET不会导通。DS2720提供流经内部VDD至PLS电阻RTST的测试电流,当VDD升至大于VSC时上拉PLS。DS2720利用此测试电流检测有害低阻抗负载的移除。另外,测试电流还提供了流经RTST,由PLS到VDD的恢复性充电通路。
d 过流 若加在保护FET的电压(VDD-VPLS)大于VOC的时间超过了tOCD,则DS2720关断外部充电和放电FET,并将保护寄存器DOC置位。直到PLS上的电压升至大于VDD-VOC时电路才会导通。DS2720提供流经内部VDD至PLS电阻RTST的测试电流来检测有害低阻抗负载的移除。
e 过热 若DS2720温度超过TMAX,则立即关断外部充电和放电FET。在以下两个条件满足前FET不会导通:电池温度降到低于TMAX,主机将OT复位。
f 充电温度 应尽量在室温下充电。镍基电池应在10°C至30°C(50°F至86°F)之间快速充电。低于5°C(41°F)和高于45°C(113°F)时镍基电池的充电能力急剧下降。锂离子电池在整个温度范围内呈现良好的充电性能,但低于5°C(41°F)时充电速率应小于1°C。
本文小结
NiMH充电器可为NiCd电池充电,反之则不行。NiCd电池专用的充电器将会使NiMH电池过充??焖俪涞缈稍銮磕绯氐氖倜托阅埽馐且蛭焖俪涞缃档土四诓拷峋б鸬募且湫в?。镍基和锂基电池要求不同的充电算法。Li+电池需要?;さ缏防醇嗫睾捅;す?、短路、过压、欠压以及过热。注意,在电池不常使用时,应从充电器中取出,在使用前对电池浮充。


