中心议题:
- LED调光方法
- 采用电感的PWM 调节方法
解决方案:
- PWM调光驱动电路设计
- 电流与PWM 占空比的关系分析
- PWM 占空比调节方式分析
LED 是一种固态电光源,是一种半导体照明器件,其电学特性具有很强的离散性。它具有体积小、机械强度大、功耗低、寿命长,便于调节控制及无污染等特征,有极大发展前景的新型光源产品。LED 调光方法的实现分为两种:模拟调光和数字调光,其中模拟调光是通过改变LED 回路中电流大小达到调光;数字调光又称PWM 调光,通过PWM 波开启和关闭LED 来改变正向电流的导通时间以达到亮度调节的效果。模拟调光通过改变LED 回路中的电流来调节LED 的亮度,缺点是在可调节的电流范围内,可调档位受到限制;PWM 波调光可通过改变高低电平的占空比来任意改变LED 的开启时间,从而使亮度调节的档位增多。本文拟用两种方法共同作用,以达到调节LED 亮度的效果。
1 LED 调光方法
模拟调光是通过改变LED 回路中电流大小达到调光, 电源电压不变, 通过改变R 的电阻值来改变回路中的电流, 从而达到改变LED 亮度的效果。很多其他模拟调光都是采用这种方法的延伸, 其优点是电流可连续, 但可调节电流的范围往往受到硬件的限制, 调节档位不多, 对于要求亮度感应敏感的高精度采光设备, 这种方法不理想。
数字调光又称PWM 调光, 通过PWM 波开启和关闭LED 来改变正向电流的导通时间, 以达到亮度调节的效果。该方法基于人眼对亮度闪烁不够敏感的特性,使负载LED 时亮时暗。如果亮暗的频率超过100 Hz , 人眼看到的就是平均亮度, 而不是LED 在闪烁。PWM 通过调节亮和暗的时间比例实现调节亮度, 在一个PWM 周期内, 因为人眼对大于100 Hz 内的光闪烁, 感知的亮度是一个累积过程, 即亮的时间在整个周期中所占得比例越大, 人眼感觉越亮。但是对于一些高频采样的设备, 如高频采样摄像头, 采样时有可能恰好采到LED 暗时的图像。因此本文将模拟和数字相结合, 设计了LED 的驱动电路。
2 采用电感的PWM 调节方法
2.1 驱动电路
电路中, 当电感上通有电流时, 电感会产生磁场, 即部分电流转换成磁能的方式“ 存储” 在电感中; 当不再向电感上通电流时, 电感会将磁能通过电流的方式在回路中释放出来。这也是电感上电流不能突变的原因, 基于电感的这种“ 充放电” 原理, 可以将它用来平均PWM 波调光中产生的不连续电流。式(1) 、式(2) 分别是LR 电路的充电和放电过程及电流与时间的关系。

其中,If是最终稳定电流,I0是放电初始电流,τ (τ=L/R,L 是电感值,R 是回路电阻) 是LR 电路的时间常数。
图1 所示为驱动电路, 电感值的选择以及PWM 波的频率选择在此驱动电路中相当重要。选择C8051330 芯片作为PWM 波的输出, 采用定时器翻转控制高低电平的时间,从而控制PWM 波的占空比。

图1 驱动电路
[page]
要保证PWM 周期小于电感的τ 时间, 因为若PWM 的周期大于τ, 则极有可能出现在PWM 的占空比变化的情况下, 电路中电流都能达到电感的饱和直流电流, 影响了对LED 电流调节。当C8051330 的时钟频率是25 MHz ,PWM 的周期的选择对电流改变档位的影响很大。若周期越大, 则PWM 占空比的档位越多, 反之越少。拟用256 个档位的占空比, 因此PWM 波的频率应选择在100kHz 以下,即周期在10 μs 以上,直流电感为10Ω, 此时电感值应选择大于0.1 mH.图2 分别是PWM 频率为100kHz , 占空比为90%, 电感为0.1 mH、1 mH 和40 mH 时电路电流值的模拟结果。

(a)电感值为0.1mH 时电流随时间关系 (b)电感值为1mH 时电流随时间关系

(c)电感值为40mH 时电流随时间关系 (d)图c 曲线局部放大图
图2 不同电感值下电流随时间的变化。
通过模拟可初步选择40 mH 的电感作为驱动电路所用, 图3 是用示波器采到的电压波形图, 此电压是电路中串联了一个20 Ω 的电阻上的电压, 稳定后电压为340 mV, 即电路中电流为17 mA.因为实际电路中电流有损耗, 所以实际电流值比模拟电流值偏小, 但整个电流的变化趋势与模拟基本一致。

图3 电感值40mH 电路中串联电阻的电压变化
[page]
2.2 电流与PWM 占空比的关系
图4 所示为LED 驱动电路充电以及放电曲线图,Imax是电路在直流情况下的最大电流。设在PWM 占空比为m 时电路中的电流值在充电曲线上的t1时刻的电流值附近波动, 此时应该满足以下条件:t 点的充电曲线斜率为k1,a 点处放电曲线斜率为k2, 应有k1mT=|k2 |(1-m)T,驱动电路中的电流因此维持在一个恒定值附近微小波动。

图4 RL 电路充放电曲线示意图
分析可知, 当启动驱动电路后, 经过若干个充放电周期电流达到一个相对稳定的值, 之后电流在这个稳定值附近波动。如图5 所示, 对每个周期而言, 充电时电流曲线的斜率在不断下降; 放电时电流曲线的斜率绝对值在不断增加; 满足图4 的条件时, 电流相对稳定。从而得出在LR 电路时间常数τ 一定时, 电感电流随PWM 占空比的关系为:

其中m 是PWM 占空比。
图5 是电感电流随PWM 占空比变化的实验结果曲线, 该曲线是在电感值为40 mH 时, 电路中串联了一个22 Ω 电阻的情况下测得的。分析理论公式和实验结果,可发现在PWM 占空比为36%~86%区间, 电感上电流值随PWM 波占空比线性变化, 变化趋势与理论推导一致。
对于高占空比的区间段, 由于充电曲线斜率已经趋近不变, 此时电流值也趋于最大值, 而在低区间段, 由于充电时间较短, 电路中损耗较大, 电感上电流值也趋近于零。

图5 电感电流随PWM 占空比变化的实验结果曲线
2.3 PWM 占空比调节方式
采用电脑通过RS-485 在线控制PWM 占空比的变化, 根据需要在256 个档位中进行选择, 每次用电脑向RS-485 发送两个字节的十六进制命令, 从而改变C8051产生的占空比, 达到改变LED 亮度的目的。
[page]
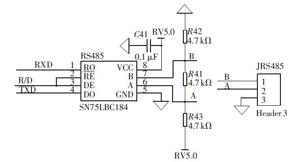
RS-485 接口电路的主要功能是: 将来自微处理器的发送信号TX 通过“ 发送器” 转换成通信网络中的差分信号, 也可以将通信网络中的差分信号通过“ 接收器”转换成被微处理器接收的RX 信号。任一时刻,RS-485收发器只能工作在“ 接收” 或“ 发送” 两种模式之一。因此, 采用了图6 所示电路, 由微处理器输出的R/D 信号直接控制SN75LBC184 芯片的发送器/接收器使能:R/D信号为“1 ” , 则SN75LBC184 芯片的发送器有效, 接收器禁止, 此时微处理器可以向SN75LBC184 总线发送数据字节;R/D 信号为“0 ” 则SN75LBC184 芯片的发送器禁止, 接收器有效, 此时微处理器可以处理来自RS-485总线的数据字节。此电路中, 任意时刻SN75LBC184 芯片中的“接收器”和“发送器”只能够有一个处于工作状态。

图6 RS-485 电路
3 总结
不论从模拟还是实验角度来看, 在PWM 调光驱动电路中加入电感, 可成功将电路中大范围变化的电流“ 平均” , 使其稳定在一个可通过理论计算得出的值附近。本文综合了模拟调光和数字调光的共同优点, 且可以利用RS-485 , 通过PWM 波与驱动电路中LED 上电流的函数关系, 改变PWM 波的占空比, 即可让LED 有着理想的电流值, 并用计算机实时、细致地改变LED 的亮度





