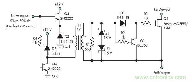
门驱动变压器的绝缘性和稳定性好,经常用于驱动半桥功率电路。但是要让它们都关断一段时间,很有挑战。一般会加一个电阻,消耗更多的功率和成本。怎么办?美国的高手李科.马力给了这个电路图设计。

到MOSFET的驱动信号可以从50%一直到零,当T1充电的后,第二个通过D1输送电流,给门充电。松开后,第二个输送一个低功耗的负峰,然后到零。Q2的门仍然有电,Q1关断Q2的源电流,这样,门就可以迅速地放电。
相关阅读:
设计实例:电源高频变压器设计步骤详解
http://www.5r3h.cn/power-art/80021581
怎样抑制变压器雷电过电压
http://www.5r3h.cn/cp-art/80020676




