桃花源qm花论坛(品茶),凤楼阁论坛官网入口网址,一品楼品凤楼论坛最新动态,风楼阁全国信息2024登录入口

你的位置:首页 > 测试测量 > 正文

攻略达人:如何快速设计汽车温度控制系统连接器电路?

发布时间:2015-02-06 责任编辑:echolady

【导读】汽车温度控制系统关系着汽车内部的温度调节,正因为此,能够监控车内温度,并根据监测到的温度状况进行远程调控并开启车内空调系统。本文就详细解析了汽车温度控制系统连接器电路的设计步骤。

随着无线通信、信息传感技术的迅猛发展和日渐成熟, 通过信息传感微控制器和网络将物品联接成物联网以实现物品的自动识别、定位、跟踪、继电器和管理为目标的服务已成为可能。现代汽车中的空调一般是利用手工进行控制的,空调只有等到司机进入驾驶室才能开启或关闭,这就使得在炎热的夏天或寒冷的冬天, 刚进入车内时由于空调没有开启,人会感觉到异常的燥热或寒冷,因此设计和制造出能监控车内温度并根据监测到的温度情况来进行提前远程控制开启车内空调系统的设备便提到人们日常生活的议事日程上来,本设计就是为满足这一要求而提出来的。

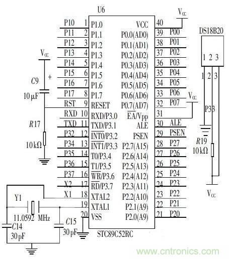
温度采集???/strong>

系统中的温度采集??椴捎酶呔?、高可靠性的DS18B20温度传感器, 它具有体积小、硬件开销低、抗干扰能力强、精度高的特点, 采用单总线数据通信, 全数字温度转换及输出, 最高12 位分辨率,精度可达±0.5℃, 检测温度范围为-55℃~+125℃, 因此它能满足本系统的设计要求。DS18B20与微控制器的连接电路见图1所示。

攻略达人:如何快速设计汽车温度控制系统连接器电路?
图1:STC89C52RC 微控制器模块和DS18B20的连接电路图

继电器开关控制???/strong>

继电器开关模块由TLP521 -4 、ULN2803和SRD -12VDC 及三极管构成, 由微控制器输出的信号经过三极管构成的开关电路送往TLP521-4 光耦芯片再通过ULN2803达林顿管的放大后用来驱动SRD-12DC 继电器, 进而达到控制空调的各种开关的作用, 继电器开关控制??橛胛⒖刂破鞯牡缏妨油既缤?所示。

攻略达人:如何快速设计汽车温度控制系统连接器电路?
图2 继电器控制??榈缏吠?/div> [page]
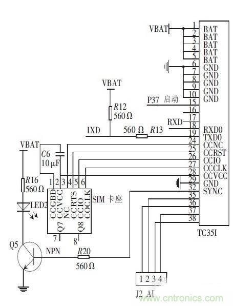
TC35I ???/strong>

TC35I ??槭且豢钏?00/1800 MHz高度集成的GSM ??椤K杓菩∏?、功耗很低, 可以为很多通信应用提供经济高效的解决方案。它支持EGS900 和GSM1800 双频, 数据传输的内容支持语音、数据、短消息和传真服务, 通信接口采用RS232( 指令和数据的双向传送),供电电源采用单电源3.3 V~5.5 V 的电压, 适用的范围包括: 便携电脑的低功耗通信设备、遥测遥感、远程信息处理和通信等工业领域。本系统中TC35I 与微控制器的电路连接图如图3所示。

攻略达人:如何快速设计汽车温度控制系统连接器电路?
图3 TC35I ??榈缏妨油?/div>
电源???/strong>

系统电源??椴捎昧薒M78L05和LM2941S两控制器将外部12 V 的直流供电电压转换为系统所需要的5 V和4.2 V 的电压, DS18B20连接电路图如图4 所示。

攻略达人:如何快速设计汽车温度控制系统连接器电路?
图4 电源连接电路图
特别推荐
技术文章更多>>
技术白皮书下载更多>>
热门搜索
?

关闭

?

关闭