【导读】本文给大家带来的是关于FM解调器的相关知识点,主要以电路的形式让大家了解FM解调器的工作原理,相信经过本文的讲解,你通透了解FM解调器真的不费事!
电路原理:
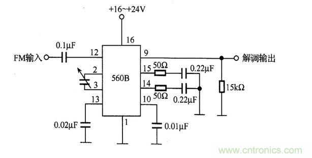
如图所示,是FM解调器实例,它采用560B把FM中心频率(10.7MHz)变换为低音频信号。560B片内有相位比较器、放大器以及压控振荡器。压控振荡器与输入信号同步时,利用其控制电压与输入信号频率成比例变化的特性进行FM解调。偏离10.7MHz中心频率的最大频率偏离75kHz 时,对应的FM波的低频输出电压的峰-峰值为0.21V。
如图所示,是FM解调器实例,它采用560B把FM中心频率(10.7MHz)变换为低音频信号。560B片内有相位比较器、放大器以及压控振荡器。压控振荡器与输入信号同步时,利用其控制电压与输入信号频率成比例变化的特性进行FM解调。偏离10.7MHz中心频率的最大频率偏离75kHz 时,对应的FM波的低频输出电压的峰-峰值为0.21V。





