【导读】本文主要讲解的是基于TC35 GSM模块的CO气体监测仪的设计,它的主要功能就是应用SMS进行数据传递。文中对无线通讯??樽龀隽讼钢铝私步猓⒔樯芰薚CC35短消息收发??樵?CO气体监测仪中的应用。
CO气体浓度监测仪是用来测量相关环境空气中CO含量的便携式智能仪器。目前,国内CO气体监测仪与控制中心的数据通信最常见的 是通过CAN总线、RS485总线或RS232总线来完成。RS232总线的通讯距离 是12 m,最大可达15.4 m;RS485总线的通讯距离是1200 m。CAN总线的直接通讯距离最大可达10 km。但无论哪种方式都有距离的限制.而且最终决定了控制中心的固定性。随着GSM移动通信网络的迅速普及和竞争的日益激烈.GSM模块作为一种主要的 GSM网络接入设备.应用越来越广泛,并已开发出多种前景乐观的应用。
TC35型模块是终端的主要功能部件,由GSM基带处理器、电源专用集成电路、 射频电路和闪速存储器等部分组成,负责处理GSM蜂窝设备中的音频、数据和信号,内嵌的软件部分执行应用接口和所有GSM协议站的功能?;砥靼?窝无线部分的所有模,数转换功能,为满足GSM、PCS蜂窝用户市场日益增长的要求.在不用外接电路的情况下就能支持FR、HR和EFR语音和信道编码。 射频部分基于SMARTi型电路.??槟诘奶煜叩缋铝拥紾SC类型的 50Ω 连接器。
TC35??槭屎献钚」β实腉SM蜂窝设备.这种蜂窝设备的应用部分构成人机接口(MMI)。通过串口可接入 TC35。TC35通过40针ZIF连接蜂窝应用部分,ZIF连接器提供控制数据、音频信号和电源线的应用接口。终端系统的工作电压为5 VDC。由于TC35的突发耗电电流峰值可达3 A.故外加稳压器件必须达到足以提供该额定电流的条件。在该终端中。采用LM2596型开关电源完成12V到5V的转换.作为TC35 终端的电源。必须注意的是。由LM2596完成开关电源转换需要大功率的电感器和电容器.以提高储能能力.满足TC35的耗电要求。

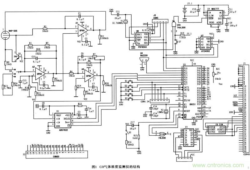
CO气体监测仪系统的结构
具有GSM短消息收发功能的便携式CO气体浓度监测仪的结构如图所示。笔者研制的监测仪主要用于公共场所及某些生产车间空气中CO浓度的监测.采用电池作为供电电源.CO传感器N1选用日本根本特殊化学株式会社生产的NAP一505型电化学式传感器。传感器输出电流与CO气体浓度成线性。 A1(OP90)可以保证工作电极和参考电极等电位。传感器输出OμA~70μA电流经Aa(OP90)转换成0 V~0.7 V的电压,以保证当CO浓度在0“10-3时A3的输出为0 V~2.5V,以满足MD转换器U.IADS7822的输入要求。OP90具有内部调零电路.允许仪器放大器提供真正的零输入零输 出操作。NAP一 505的温度特性用常数B为3435K的NTC热敏电阻器进行补偿,温度经过补偿后。其输出在一10℃-50℃范围内能够满足精度要求。
相关阅读:
电路速成:智能汽车控制系统电路设计
重磅推荐:黑白循迹小车的电路设计
智能家电的无线数据传输电路设计






