【导读】本次设计的是由发射系统和接收系统共同组成的,能够实现远距离照明控制的无线遥感开关系统。系统的发射部分由一节12V干电池供电,接收部分则采用3节1.5V干电池。本文就为大家讲解无线遥感开关系统的发射电路及接收电路。
系统使用无线收发模块构成射频发射和接收电路, 发射部分主要由按键编址电路、编码电路和发射??樽槌?; 接收部分主要由接收模块、单片机控制电路和负载电路组成。
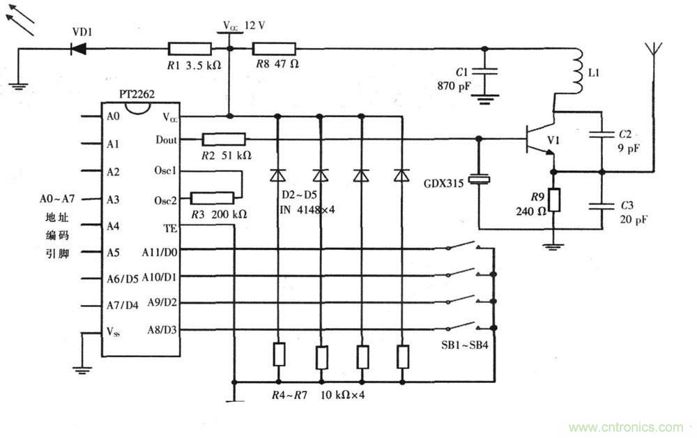
无线发射系统电路

图1:无线开关系统发射部分电路
当按下按键后,按键将12 V 的电压加到对应的数据端, 同时数据端信息通过晶振将信号并发射出去。PT2262 将会根据地址码的设定和输入的数据进行编码, 从17 脚输出编码脉冲。无线通信受编码脉冲控制, 当17 脚脉冲为“l” 时,V1 组成的振荡器工作, 产生315 MHz 的高频信号并发射出去; 当17 脚输出脉冲为“0” 时,Vl 组成的振荡器停止工作。
无线接收系统电路

图2
当信号进入单片机后, 单片机对其进行分析并作出相应的控制。如果接收到的第一路信号为高电平, 单片机控制的数码显示管会显示“11” ( 第一个“1” 表示第一路信号,第二个“1” 表示该信号为高电平) , 同时单片机向继电器电路发出高电平, 继电器吸合, 负载电路工作; 当第二次接收到高电平, 通过单片机将对应的端口电平置零;当第三次接收到高电平时再次置1, 如此循环; 当数码管的显示为“1 1” 时( 第一个1 表示第一路信号, 第二1 表示该信号为低电平) , 此时单片机向继电器电路发出低电平, 继电器断开, 负载停止工作。利用继电器和数码管可以实现灵活控制并清晰地显示。
本设计利用单片机AT89S52 和芯片组PT2262/2272实现了用于照明控制的可编程4 路无线开关系统, 避免了使用专用解码芯片的有关限制, 能充分利用系统软硬件资源, 系统的扩展性和灵活性好, 且成本低、功耗小,是智能家居照明控制的一种科学解决方案。
相关阅读:
细数那些传统家电转型思路,智能家居诱惑何在?
五种智能家居布线方法,你该选哪种?
真正的智能家居应具备的四大特征





