中心议题:
- 对功率MOSFET的要求
- MOSFET的损耗计算
- MOSFET主要参数的选取
- MOSFET选择应用实例
解决方案:
- 美信公司的MAX8720单相降压式DC/DC控制器的MOSFET损耗计算
- 飞兆公司的多相降压式DC/DC控制器FAN5019B的MOSFET损耗计算
- 选择Vishay公司的Si7390DP作NH
同步整流降压式DC/DC转换器都采用控制器和外接功率MOSFET的结构??刂破魃袒嵩谑葑柿现懈霾问肴挠τ玫缏?,但用户的使用条件经常与典型应用电路不同,要根据实际情况改变功率MOSFET的参数。
对功率MOSFET的要求
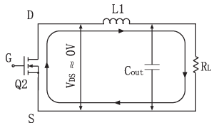
同步整流降压式DC/DC转换器的输入及输出部分电路如图1所示,它是由带驱动MOSFET的控制器及外接开关管(Q1)及同步整流管(Q2)等组成。目前,Q1和Q2都采用N沟道功率MOSFET,因为它们能满足DC/DC转换器在输入电压、开关频率、输出电流及减少损耗上的要求。

图1 同步整流降压式DC/DC转换器的输入及输出部分电路简图
开关管与同步整流管的工作条件不同,其损耗也不一样??毓苡写妓鸷?或称导通损耗)和栅极驱动损耗(或称开关损耗),而同步整流管只有传导损耗。
传导损耗是由MOSFET的导通电阻RDS(on)造成的,其损耗与i2D、RDS(on)及占空比大小有关,要减少传导损耗需要选用RDS(on)小的功率MOSFET。新型MOSFET的RDS(on)在VGS=10V时约 10mΩ左右,有一些新产品在VGS=10V时可做到RDS(on)约2~3mΩ。
栅极驱动损耗是在开关管导通及关断瞬间,在一定的栅源电压VGS下,对MOSFET的极间电容(如图2所示)进行充电(建立VGS电压,使MOSFET导通)和放电(让VGS=0,使MOSFET关断)造成的损耗。此损耗与MOSFET的输入电容Ciss或反馈电容Crss、栅极驱动电压VGS及开关频率fsw成比例。要减小此损耗,就要选择Ciss或Crss小、阈值电压VGS(th)低的功率MOSFET。

图2 MOSFET的极间电容
[page]
同步整流管也是工作在开关状态(其开关频率与开关管相同),但因同步整流管工作于零电压(VGS≈0V)状态(如图3所示),其开关损耗可忽略不计。

图3 同步整流管导通时,VDS≈0V
为满足DC/DC转换器的工作安全、可靠及高效率,所选的功率MOSFET要在一定的栅极驱动电压下满足以下的条件:MOSFET的耐压要大于最大的输入电压,即VDSS>Vin(max) ;MOSFET的漏极电流要大于或等于最大输出电流,即ID≥IOUT(max);选择Ciss或Crss尽量小的开关管,选择RDS(on)尽量小的同步整流管,使MOSFET的损耗最小,并满足其损耗值小于PD(PD为一定条件下的MOSFET允许耗散功率)。另外,还要选择价格适中、封装尺寸小的(如SO-8、DPAK或D2PAK封装)贴片式MOSFET。
MOSFET的VDSS、ID及RDS(on)等参数可直接从MOSFET的样本或数据资料中找到,而其损耗则要在一定条件下经计算才能确定。
MOSFET的损耗计算
DC/DC控制器生产厂家在数据资料中给出开关管及同步整流管的损耗计算公式,其中开关损耗的计算往往是经验公式,因此各DC/DC控制器生产厂家的公式是不相同的,要按该型号资料提供的损耗公式计算,否则会有较大的计算误差。
损耗计算的方法是,根据已知的使用条件先初选一个功率MOSFET,要满足VDSS>Vin(max)、ID≥IOUT(max)、Ciss或Crss小、RDS(on)小的要求,然后按公式计算其损耗。若计算出来的损耗小于一定条件下的PD,则计算有效,可选用初选的功率MOSFET;若计算出来的损耗大于PD,则重新再选择或采用两个功率MOSFET并联,使1/2(计算出来的损耗) 计算前要已知:输入电压VIN(或 Vin(max)及VIN(min))、输出电压VOUT、最大输出电流IOUT(max)、开关频率fsw。一般所选的MOSFET的PD往往是1~1.5W,其目的是减小损耗、提高效率。
本文介绍美信公司的MAX8720单相降压式DC/DC控制器及飞兆公司的多相降压式DC/DC控制器FAN5019B组成的电路中的MOSFET损耗计算。损耗计算公式是非常简单的,关键是如何从MOSFET样本或数据资料中正确地选取有关参数。
MOSFET主要参数的选取
ID及PD值的选取
MOSFET的资料中,漏极电流ID及允许耗散功率PD值在不同条件下是不同的,其数值相差很大。例如,N沟道功率MOSFET IRF6617的极限参数如表1所示。
表1 连续工作状态下的极限值

最大漏极电流IDM=120A(以最大结温为限的脉冲状态工作)。
不同的MOSFET生产厂家对ID及PD的表达方式不同。例如,安森美公司的NTMFS4108N的ID及PD参数如表2所示。
表2最大极限值(Tj=25℃,否则另外说明)

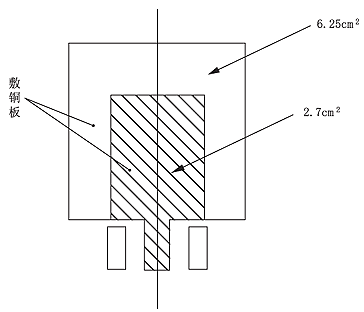
注:*安装条件1为MOSFET安装在敷铜钣面积为6.5cm2的焊盘上(见图4)
**安装条件2为MOSFET安装在敷铜钣面积为2.7cm2的焊盘上(见图4)
最大漏电流IDM=106A(脉冲状态,Tp=10μs)。
在DC/DC转换器中,MOSFET工作在占空比变化的脉冲状态,但也不是工作于窄脉冲状态;工作温度范围是-40~85℃。表1、表2中无这种工作条件下的ID及PD值。ID可在下面的范围内选?。?TA=70~85℃时的ID)
[page]
RDS(on)值的选取
MOSFET资料中给出结温Tj=25℃及VGS=10V及VGS=4.5V时的典型 RDS(on)值及最大RDS(on)值。另外,RDS(on)也随结温上升而增加。一般RDS(on)是在已知的VGS条件下(由驱动器或控制器的VCC决定),取RDS(on)最大值为计算值。
Ciss及Crss的选取
在计算开关管损耗时要用到输入电容Ciss(Ciss=CGD+CGS)或反馈电容Crss(Crss=CGS)值。为减小开关损耗,要选择Ciss或Crss小的MOSFET。Ciss一般为上千到数千pF,而Crss一般为几十到几百pF。“MOSFETT选择指南”或“简略表”中往往没有Ciss或Crss参数,但有总栅极电容Qg值。由于Qg小的MOSFET,其Ciss或Crss也小。所以可先找出Qg小的MOSFET型号,然后再在数据资料中找出Ciss或Crss值。有的数据资料的参数表中无Ciss或Crss参数,但有Ciss和Crss与VDS的特性曲线,可取VDS=15V时的Ciss或Crss值作为计算值,如图5所示。

图4 MOSFET焊盘(敷铜板)尺寸

图5 Ciss和Crss与VDS的特性曲线
应用实例
MAX8720电路中的MOSFET选择
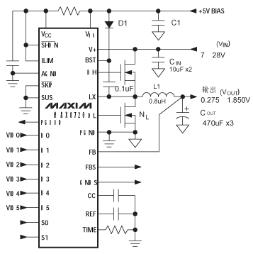
由MAX8720组成的降压式DC/DC转换器电路如图6所示。现使用条件为VIN=7~24V、VOUT=1.25V、IOUT(max)=15A、fsw=300kHz,控制器的工作电压(偏置电压)VCC=5V,选合适的开关管(NH)及同步整流管(NL)。

图6 由MAX8720组成的降压式DC/DC电路
[page]
初选Vishay公司的Si7390DP作NH(其Qg仅10nC);Si7356DP作NL (RDS(on)=4mΩ)。其封装都是8引脚、有散热垫的SO-8封装,主要参数如表3所示。
表3

注:*由特性曲线中求得;**印制板焊盘面积最小的值。
开关管传导损耗PD(NHR)计算
PD(NHR)=(VOUT/VIN(min))(IOUT(max))2×RDS(on)
=(1.25V/7V)×15A2×13.5mΩ
=0.54W
开关管的栅极驱动损耗PD(NHS)计算
PD(NHS)=[(Vin(max))2×Crss×fsw×IOUT]/IGATE
=[24V2×130pF×300kHz×15A]/2A
=0.168W
式中栅极电流IGATE的数据是MAX8720数据资料中给出的。
开关管的总损耗PD(NH)为
PD(NH)=PD(NHR)+PD(NHS)
=0.54W+0.168W
=0.708W<1.1W
同步整流管的传导损耗PD(NLR)计算
PD(NLR)=[1-(VOUT/Vin(max))]×(IOUT(max))2×RDS(on)
=[1-(1.25V/24V)]×15A2×4mΩ
=0.85W<1.9W
根据上述计算,满足计算的损耗值
FAN5019B电路中的MOSFET选择
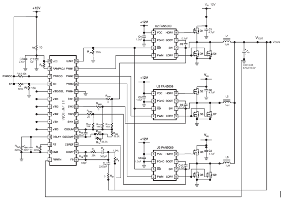
由控制器FAN5019B及3个驱动器FAN5009组成的三相同步整流降压式DC/DC转换器电路如图7所示。现使用条件:VIN=VCC=12V(VCC是供控制器及驱动器的工作电压),VOUT=1.5V,IO=65A(IO即IOUT(max)),fsw=228kHz,选择开关管及同步整流管(采用两个并联组成)。

图7 由FAN5019B组成的降压式DC/DC电路
初选快速开关管FDD6696为开关管(其Qg为17nC),同步整流管选FDD6682(其RDS(on)=11.9mΩ)。其主要参数如表4所示。
表4

注:*PD与PCB的敷铜板面积有关,此为面积最小值。
开关管传导损耗PC(MF)计算
PC(MF)=D[(IO/nMF)2+1/12(n×IR/nMF)2]×RDS(on)
式中D为占空比(D=VIN/VOUT) ;IR为纹电流(IR=1/n×IO×40%);nMF为总的开关管数;n为相数;IO=IOUT(max)。IR计算得IR=8.66A,代入公式:
PC(MF)=15V/12V[(65A/3)2+1/12(3×8.66A/2)2]×15mΩ=0.89W
开关管的栅极驱动损耗PS(MF)计算
PS(MF)=2fsw×VCC×(IO/nMF)×RG×(nMF/n)×Ciss
=2×228kHz×12V(65A/3)×3Ω×(3/3)×2058pF
=0.73W
式中RG是栅极电阻(这包括MOSFET的栅极电阻及驱动器内阻)。高速开关管的RG典型值为1Ω,驱动器FAN5009的内阻约2Ω,故RG取3Ω。
开关管的总损耗=0.89W+0.73W =1.62W,略大于FDD6696的允许耗散功率。由于允许耗散功率是敷铜板最小面积下的PD值,因此只要PCB有较大的焊盘,则这0.02W可略而不计。同步整流管传导损耗PSF计算
PSF=(1-D)[(IO/nSF)2+1/12(nIR/nSF)2] RDS(on)
=(1-1.5V/12V)[(65A/6)2+1/12(3×8.66A/6)2]×11.9mΩ
=1.24W<1.6W
式中NSF为同步整流管的总数。
通过上述计算,选用3个FDD6696做开关管及6个FDD6682做同步整流管组成的电路可满足VIN=VCC=12V、VOUT=1.5V、IOUT(max)=65A、fsw=228kHz的使用要求。





