中心议题:
- 太阳能工程热水器控制器的设计与实现
解决方案:
- 以AVR Meg a 32 单片机为检测控制核心
随着人们生活水平的提高, 各种热水器的使用已相当普及, 与之相配套的控制仪也相继问世。然而, 目前市场上的各种热水器控制电路还与理想要求相差甚远。消费者需要真正的全自动控制, 以实现使用的最简单化, 就像家用电视机、电冰箱一样, 接通电源、设定完毕就不用再操心了。鉴于国内太阳能热水器市场不断扩大, 而与其相配套的控制器却急需改进的情况, 研制了这套太阳能热水器控制器。本文设计的太阳能热水器是以AVR Meg a 32 单片机为检测控制核心,不仅实现了温度、水位两种参数的实时显示功能, 而且具有温度设定与控制功能??刂破骺梢愿萏炱榭隼酶ㄖ尤茸爸檬剐钏淠诘乃麓锏皆は壬瓒ǖ奈露? 从而达到24 小时供应热水的目的。实际应用结果表明, 该控制器和以往的显示仪相比具有性价比高、温度控制与显示精度高、使用方便和性能稳定等优点,提高了我国太阳能应用领域控制水平, 具有可观的经济效益和社会效益。
设计目标与实现方案描述
1. 1 系统原理图
系统原理图如图1 所示。其中:W 为水位传感器( 压力式) , 包含T2 ; T1 为集热器顶部温度传感器; T2 为水箱温度传感器, 与水位W一体; T3 为防冻循环温度传感器( 安装于集热循环管路最低温度点) ; T4 为用水管道温度传感器( 安装于用水循环管路最低温度点) ; T5 为管道电伴热温控传感器( 一般安装于自来水上水管道, 位置可根据实际情况而定) ; P1 为集热管路循环泵, 亦作为防冻循环泵; P2 为用水管路循环泵( 亦可用电磁阀+ 自动增压泵形式);E1 为上水电磁阀( 自来水直接进水箱补水) ;E2 为顶水电磁阀( 自来水进集热器, 顶水入水箱) ; EH1为电加热器; EH2 为电伴热带( 选用) 。
系统原理图

图1 系统原理图
1. 2 主要功能及说明
在太阳能热水工程控制系统中, 需实现:LED 显示, 温差循环, 定温出水, 定温上水, 自动上水, 定时上水, 低水位上水, 自动加热, 定时加热, 电加热防干烧, 防冻电加热, 防冻循环, 定时间段定温管路循环, 高温保护, 警戒水位?;? 防炸管, 断电参数与运行状态记忆,出厂参数复位, 故障及相关报警提示, 安全防护, 管道防冻电伴热, 用水管道防冻, 水灯显示方式, 键盘锁, 紧急断电, 开机自检等众多功能。可以将这些功能分为以下6 类:键盘输入、A / D 转换、实时时钟、数据显示、E2PROM的使用和故障报警。该系统利用低功耗高性能的RISC 单片机AVR 作为控制电路的核心, AVR 微处理器是Atmel 公司的8 位嵌入式RISC 处理器, 具有高性能、高保密性、低功耗等优点。程序存储器和数据存储器为可独立访问的哈佛结构, 代码执行效率高。系统采用的AVR Meg a 32 处理器包含有32 KB 片内可编程FLA SH 程序存储器; 1 KB 的E2PROM 和2 KB的RAM; 同时片内集成了看门狗; 8 路10 位ADC; 3 路可编程PWM 输出; 具有在线系统编程功能, 片内资源丰富, 集成度高, 使用方便。AVR Mega 32 可以很方便地实现外部输入参数的设置, A / D 转换, E2PROM 的数据存储, 工作状态的指示等。
[page]
1. 2. 1 键盘输入
键盘输入部分可用4*4 按键组成0~ 9 数字键及确认键, 8 位数码管组成显示电路提示信息。单片机应用系统中, 键盘扫描只是单片机的工作内容之一。单片机在忙于各项工作任务时, 如何兼顾键盘的输入, 取决于键盘的工作方式, 而键盘的工作方式取决于CPU 的忙、闲情况而定。其原则为既要保证能及时响应按键操作, 又不要浪费过多的CPU 工作时间。通常, 键盘的工作方式有3 种, 即编程扫描, 定时扫描和中断扫描。
为进一步提高扫描键盘的工作效率, 可以采用中断扫描方式, 只有在键盘有按键按下时, 才执行键盘扫描并执行按键功能程序。而键盘的识别方法又可以分为3 种:
扫描法, 线反转法和编码法。对于按键较少的独立式键盘可采用编码法, 如4 * 4 的键盘, 键盘可以编码为:
01H, 02H, ……, 0FH, 10H 共16 个。
1. 2. 2 A/ D 转换
关于温差循环, 定温出水, 定温上水, 自动上水, 低水位上水, 自动加热, 电加热防干烧, 防冻电加热, 防冻循环, 高温?;? 警戒水位保护, 防炸管, 安全防护, 管道防冻电伴热, 用水管道防冻等大多数功能就是对系统多处进行水温水位检测, 也就是将传感器的模拟量通过AVR Mega 32 自带的8 路10 位ADC 进行A/ D 转换。
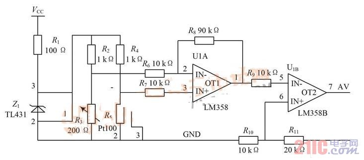
检测水温现多采用PT100 传感器, 电路图如图2所示。
Pt100 电路图

图2 Pt100 电路图
R2 , R 3 , R4 和Pt100 组成传感器测量电桥, 为了保证电桥输出电压信号的稳定性, 电桥的输入电压通过TL431 稳至2. 5 V。从电桥获取的差分信号通过两级运放放大后输入单片机。电桥的一个桥臂采用可调电阻R3 , 通过调节R3 可以调整输入到运放的差分电压信号大小, 通常用于调整零点。放大电路采用LM358集成运算放大器, 为了防止单级放大倍数过高带来的非线性误差, 放大电路采用两级放大, 如图3 所示, 前一级放大倍数约为10 倍, 后一级约为3 倍。温度在0 ~100 # 变化, 当温度上升时, Pt100 阻值变大, 输入放大电路的差分信号变大, 放大电路的输出电压AV 对应升高。
一般在使用Pt100 的温度采集方案中, 都会对放大器LM358 采集来的模拟信号AV 进行温度采样, 即进行A/ D 转换。
在对数值进行滤波操作之后, 还要将A/ D 值转换为温度, 只需要确定比例系数K 和基准偏差B 即可。
温度转换的C 语言实现过程为:
temper ature= ( adc_data* K) - B; / / 换算成温度值
1. 2. 3 实时时钟
采用DALLAS 公司推出的涓流式充电时钟芯片,它内部集成了实时时钟/ 日历和31 B 静态RAM, 可以通过串行接口与单片机进行通信。实时时钟、日历电路电路提供秒、分、时、星期、月、年的信息, 每个月的天数和闰年天数可自动调整, 时钟操作可通过AM/ PM 标志位决定采用24 小时或12 小时时间格式。DS1302 与单片机之间能简单地采用同步串行的方式通信, 仅需3 根线:复位( RST ) 、I/ O 数据线、串行时钟( SCLK) 。
[page]
DS1302 工作功耗很低, 保持数据和时钟信息时, 功耗小于1 mW。利用它很容易实现自动上水、自动加热的控制和时间显示。假设这里单片机设置报警为凌晨3 点整, 启动电加热, 当CPU 读出DS1302 时间为3 点即可使对应的I/ O 管脚输出高电平, 打开继电器启动加热器, 定时上水功能同理。同时在不显示温度和水位时,它还可作为精确的电子钟进行时间显示。
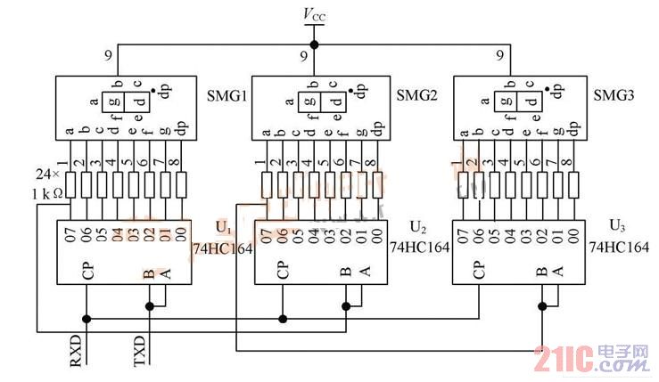
1. 2. 4 数据显示
该系统采用静态显示的方式, 用3 个数码管交替显示水温、时间、报警的信息, 在按键时, 也将用数码管显示。水位级别显示则用LED 显示。显示电路由3 个移位寄存器74H C164 和3 个数码组成。每个数码管接有8 个1 k 电阻, 保护数码管, 防止电流过大烧坏数码管。具体的电路如图3 所示。
数码管静态显示

图3 数码管静态显示
1. 2. 5 其他部分
本系统除复位键、手动上水和手动加热允许键外,其余的按键为选择设定项目( 温度显示或定时显示) , 每按一下choose 键, 设定功能变换1 次。按1 次 + 键,设定值对应加1。按1 次 - 键, 设定值对应减1。为了防止设定的参数在掉电后丢失, 利用了E2PROM 存储各设定参数。
本文设计的太阳能工程热水器控制器, 硬件设计简单, 功能强大。经试验证明系统稳定, 操作方便, 值得推广。本文给出的电路是一种最基本最简单的电路, 其目的是给出一种单片机的控制模式, 亦可以根据用户需求, 添加更多附加功能。




