- 小电流可控硅固体开关的研制
- 串联开关的驱动(控制)电路
- 变压器设计
由于固体开关在加速器、雷达发射机、高功率微波、污染控制、医用等军民用领域具有较明显的潜在优势,美、英、日等国均对固体开关技术进行了大量研究。根据应用要求的不同,固体开关中单元功率器件也不尽相同。若要求固体开关具有很快的开关速度和高重复频率,单元器件一般采用功率场效应管(PowerM0SFET)或绝缘栅双极型晶体管(IGBT)。对单个脉冲放电或低频充放电时所用的开关,用可控硅串联即可实现。
可控硅是以“小控制大”的功率开关器件,用一个小的控制电流控制门极完成电路中电流控制作用,具有体积小、重量轻、低功耗、长寿命等优点。为了降低串联的可控硅数量,应尽可能地选取耐压较高的可控硅,同时综合考虑价格因素。我们选取了意法半导体(ST)的可控硅TYNl225,单管耐压可达l200V,且价格便宜。
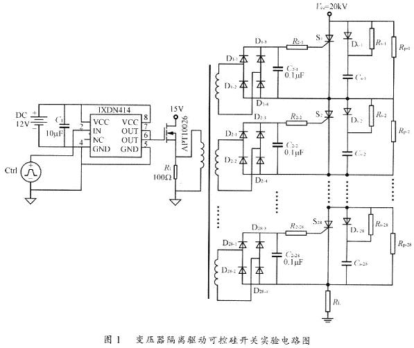
本文通过脉冲变压器隔离控制28个串联可控硅(TYNl225),得到了20kV小电流开关,对固体开关的串联技术进行了试验研究,并讨论了串联电路所涉及到的触发信号的高压隔离技术、驱动信号同步技术以及功率器件的动态静态均压技术。实验电路如图1所示。

1串联开关的驱动(控制)电路
为保证同步触发,系统中所有开关的触发信号必须来自同一个信号源。手册给出使TYNl225导通的门极阈值电压Vgt低于1.5V,阈值电流Igt低于40mA。它可直接用变压器触发,不需额外的驱动电路。当撤掉晶闸管门极触发信号后,要使它保持导通,流经它的电流必须大于某个值,这个值就是它的维持电流。在本实验中晶闸管导通时,电流最高仅为1mA,低于TYN1225的维持电流(几十个mA),因此采取的方式是触发信号到来之后始终加一直流电压在它的门极来驱动保持其导通。
[page]
本实验的控制信号由信号发生器提供,信号发生器输出50kHz的方波,经过功率MOSFET/IGBT驱动芯片IXDN414得到同频率的驱动信号来驱动MOSFETAPT10026,随着APTl0026的通断,变压器的初级上产生近似方波的信号,由于变压器各个次级绕组完全一致,所以,在次级得到一致的多个信号来控制串联的可控硅同步导通。
IXDN414是lXYS公司出品的高速MOSFET/IGBT门极驱动器,它的输入兼容TTL与CMOS信号。本设计中通过凋节信号发生器的输出方波的幅度来控制IXDN414的输出。当信号发生器输出的方波幅值存IXDN414输入端的低电平范围内时,IXDN414的输出始终为低电平;调节信号发生器,使输出幅值进入IXDN414输入端的高电平范围,IXDN414便输出50kHz的方波信号,此信号驱动APT10026,变压器的初级上便有了图2所示的驱动信号。

2变压器设计
在脉冲变压器隔离控制的可控硅固体开关中,变压器的设计非常重要,要求次级信号严格一致。当变压器初级有了图2所示的方波信号时,由于变压器的漏感漏电容的存在,次级绕组的电压波形如图3所示,它与图2有稍许差异。当它经桥堆整流时,在每个桥臂上均会产生一定压降,经过晶闸管门极限流电阻后,可控硅门极的电压不到1V(对阴极),实验证明这个电压能很好地促使可控硅保持导通。

为了保证驱动信号的一致性,应尽量减少各种分布参数的影响。选取合适的磁芯,减少变压器绕组匝数是一种方法。选取μr较大的磁芯,这样单匝线圈的电感量比较大,就可以减少绕组匝数。我们设汁的变压器处、次级匝数比为4:1,初级有4匝,因而次级只用了l匝。实验证明这样非常好地保证了次级绕组的一致性,同时由于线圈的减少也有效地控制了变压器的体积。变压器的初级电感量必须足够大,如果感抗太小,远低于负载等效阻抗,可以看作近似短路,将会烧毁前面的APT10026。实际制作的变压器初级电感Lp在50kHz时大约为600μH。不考虑漏感等影响因素,感抗ωLp=2π50k600μH=60πΩ。
当可控硅导通不一致时,会出现一种情况:高压源直接加于变压器的两组次级绕组上。这就要求变压器初级和次级间、各次级相互之间均能够承受足够高的电压。本文将变压器任意两个次级绕组间耐压设汁为21kV,可以承受电源最大电压,这就保证了变压器不会被击穿。




