桃花源qm花论坛(品茶),凤楼阁论坛官网入口网址,一品楼品凤楼论坛最新动态,风楼阁全国信息2024登录入口

你的位置:首页 > EMC安规 > 正文

突破PLCDCS多通道模拟输入通道间隔离、高密度和EMI高辐射的设计障碍

发布时间:2018-04-10 来源:Van Yang, Songtao Mu, 和 Derrick Hartmann 责任编辑:wenwei

【导读】本文将简要讨论在过程控制中模拟量输入模块中的隔离问题以及其传统解决方法,然后将提出一种替代性的高密度、易于设计的通道间隔离模拟输入??榈耐暾饩龇桨?。测试结果表明,这个16通道、2.5 kV rms通道间隔离演示??榭梢郧崴赏ü鼸N55022 Class B 和Class A的IEC辐射标准。
 
在高端工厂自动化应用中(如油气厂和电厂),?;嵋蠖嗦凡杉ǖ烙胪ǖ乐浣懈衾?,其中高耐压、小尺寸、低EMI、高可靠性和低成本等要求在通道间隔离设计中别具挑战性。通常目前现有成熟方案,标准??槭迪值耐ǖ烂芏韧鱿抻谒母鐾ǖ阑虬烁鐾ǖ?,通道间隔离只能承受数百伏特耐压。
 
过程控制模拟量输入模块中的隔离
 
电气隔离原理是以物理和电气方式分开两个电路,使二者之间无直接传导路径,但仍然可以交换数据和电源。这通常是通过变压器、光耦合器或电容来实现的。隔离用于保护电路和人,隔断接地环路,提高共模电压和噪声抑制性能。
 
一般地,过程控制的输入要么采用组块隔离,要么采用通道间隔离(见图1)。对于组块隔离,多路输入通道组合在一起以共用一组隔离器,包括电源隔离和信号隔离。与通道间隔离相比,这样可以节省成本,但限制了组中通道间的共模耐压,这 意味着这些通道和设备将被建议安装在相同区域中。通道间隔离 (如图1右侧所示)相比前者在适用稳定性等方面会大大改善。 话虽如此,每通道却需要更高的成本,因此工厂设计人员必须仔细评估和权衡。
 
突破PLCDCS多通道模拟输入通道间隔离、高密度和EMI高辐射的设计障碍
图1. 组隔离和通道间隔离
 
在通道间隔离设计中,每个通道都需要专用的电源隔离和信号隔离。隔离是限制输入??橥ǖ烂芏取MI、成本和可靠性的主要因素之一。在之前的新设计中,每个通道用数字隔离器来实现数据隔离,典型的数字隔离器(如ADuM141E)有四个隔离数据通道,采用16引脚SOIC (6.2 mm × 10 mm)封装。但是,每个通道仍然需要电 源隔离。接下来,我们就来讨论一下三种传统的电源隔离方法:多抽头变压器、推挽式设计和隔离式DC-DC??榈挠湃钡恪?/div>
 
图2所示为带有一个多抽头变压器的反激式隔离DC-DC架构:一个反激式转换器驱动变压器,在抽头上产生多个输出。这是一种成熟的电源架构,但在过程控制应用中有六大劣势:
 
1.变压器需要具有多个抽头和降低EMI的屏蔽层。在小尺寸封装中很难实现这一目标并保证足够的可靠性。
2.反馈控制环路只能使用一路通道,意味着只能对其他通道进行更为松散的调控。为了确保工作的可靠性,就需要对此进行仔细的评估。
3.通道密度很大程度上受到具体变压器放置方案的限制。对于来自各个抽头输出端的电源,变压器置于模拟输入模块的中央,每个输入通道围绕变压器呈扇出形排列,将模拟输入??榭ㄍǖ老拗莆母龌虬烁觥?/div>
4.来自其中一路通道的干扰噪声可能通过变压器抽头之间的耦合扩散到其他通道中。
5.隔离所能够承受耐压等级。多抽头变压器只能实现几百伏特的通道间隔离,除非其采用特殊绝缘材料或设计,然而那样做会大幅增加变压器成本。
6.定制变压器取得UL/CSA认证的成本很高。
 
突破PLCDCS多通道模拟输入通道间隔离、高密度和EMI高辐射的设计障碍
图2. 多抽头变压器电源隔离设计
 
第二种方法是每个通道使用独立的变压器,并用推挽法来隔离各个通道。这种方法不使用反馈,而用适当调节的电源(如7 V)来驱动各个变压器,然后用LDO在副边做进一步调节。这种方法是可行的,因为副边上的电流消耗相对较低,使得充分调节成为可能。
 
这种方法的不足之一是需要进行预调节,每个通道还要使用额外的元件。所选变压器必须符合要求的隔离额定值。预调节、变压器、开关和每个通道需要的LDO会占用电路板空间,增加成本。同时还需要进行大量评估,确保各个条件下都已达到充分调节。
 
突破PLCDCS多通道模拟输入通道间隔离、高密度和EMI高辐射的设计障碍
图3. 推挽式隔离设计
 
使用经UL/CSA认证的表贴式隔离DC-DC??榭梢源蠓蚧衾胧降缭瓷杓频母丛有?,并使隔离耐压电压等级有一定程度提升。即便如此,其成本仍然较高,而且体积并不能有效减少,并且一般只能通过EN55022 A类标准。这些模块也可能存在传导性电磁干扰问题,因为多数??榈腜WM频率为降低电磁辐射干扰都低于1 MHz。同 时,多数过程控制模拟量输入??榈哪D獠嗟缌飨牟坏?0 mA, 远远低于市场上的多数隔离式电源??楸瓿浦?。
 
上面讨论的三种传统方法都难以同时达到隔离性能和成本要求。 这些方法还要求每个通道采用独立的数据隔离器,进一步增加了空间要求和成本。如果电源隔离可以作为数据隔离器的一部分, 则结果会怎样?事实上这一点可以做到,并且也已经成为现实。
 
ADI i Coupler®技术和iso Power®技术广泛用于工业和汽车市场,这两种技术可以集成到单个封装中。以ADuM5411 为例(其功能框图如图4 所示),该器件采用7.8 mm × 8.2 mm 24引脚TSSOP封装,包括完整的电源隔离和四个数据隔离通道。其输出功率高达150 mW,足以满 足模拟输入信号调理和数字化的要求,并能通过2500 V rms UL1577 隔离标准。另外,CMTI(共模瞬变抗扰度)大于75 kV/μs,使其成为存在高瞬变电压和电流的恶劣工业环境(如电厂)的理想选择。
 
突破PLCDCS多通道模拟输入通道间隔离、高密度和EMI高辐射的设计障碍
图4. ADuM5411功能框图
 
基于数据和电源隔离的高度集成,模拟量输入??樯杓频靡源蠓?简化,同时还能实现更高的通道密度;可以在传统隔离八通道空间里实现16个或以上的隔离通道数量。
 
我们用这种方案设计了一个16通道的通道间隔离的温度输入模块 (见图5),并进行了EMI相关的测试。??橹械腁DuM5411器件为16路温度输入通道分别提供隔离电源和数据。热电偶和/或RTD测量是用高度集成的温度前端IC(AD7124 或 AD7792)实施的,比分立式设计更加节省空间。ADP2441 将24 V背板电源转换成3.3 V的低 电压源用于驱动MCU、触摸屏和ADuM5411。每个输入通道只需要 63.5 mm × 17.9 mm的面积。
 
突破PLCDCS多通道模拟输入通道间隔离、高密度和EMI高辐射的设计障碍
图5. 16通道的通道间隔离温度输入??楣δ芸蛲?/div>
 
ADuM5411的布局设计
 
ADuM5411所用开关频率为125 MHz。由于通道数量较多,所以我 们特别注意,以确保电路板能顺利通过EN55022 ClassB的电磁辐 射标准测试。
 
为了尽可能减少辐射,我们采取的原则就是尽量降低功耗、缩短 电流环路返回路径,减少共模影响。我们使用了超低功耗集成式 温度前端IC降,这意味着,隔离现场侧消耗的功率会非常小,由此达到减少辐射能量的目的。完全活跃状态下AD7124的功耗仅 为0.9 mA。而为了缩短电流返回环路,我们同时采用了铁氧体磁珠和少量的旁路电容。
 
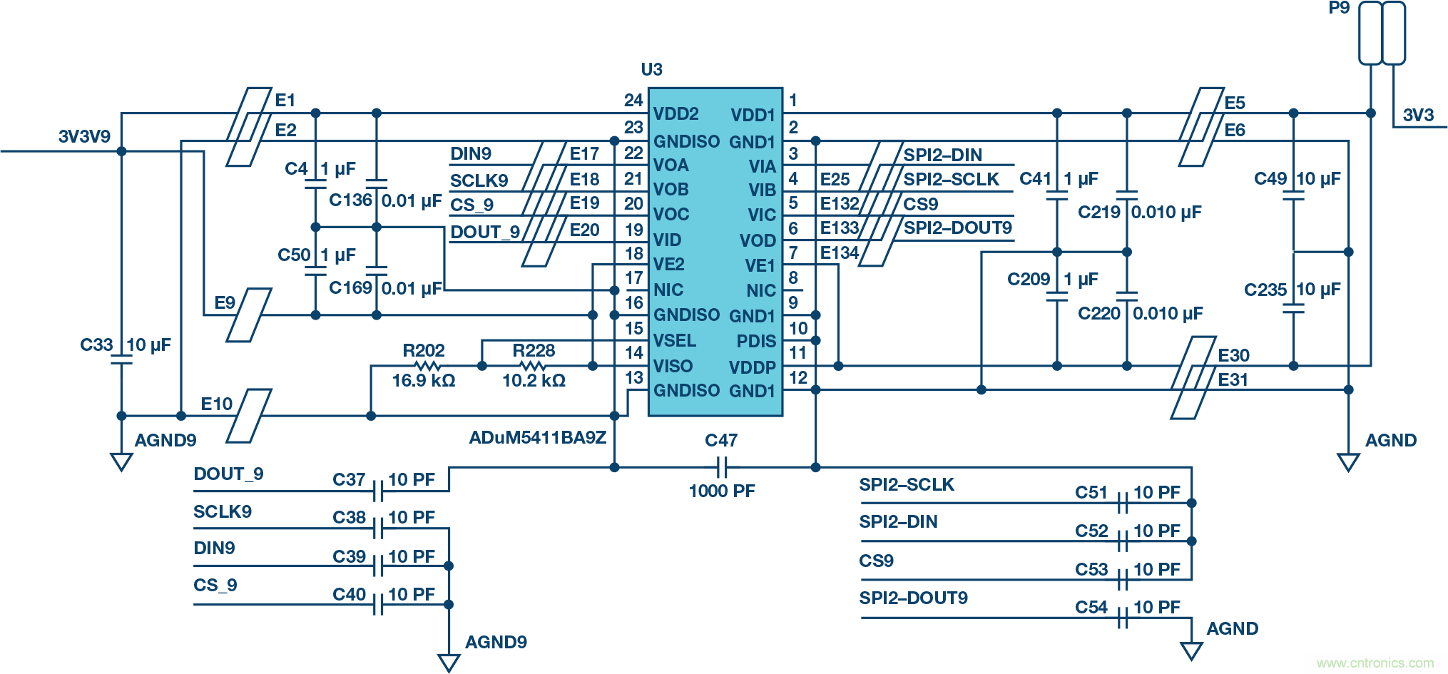
铁氧体磁珠是在源头控制辐射信号的一种有效方法,因为它会形成比PCB走线高得多的阻抗。如图6所示,铁氧体磁珠与ADuM5411的引脚串联(电源引脚起到主要作用)。铁氧体磁珠的频率响应是一个很重要的考虑因素,我们使用的铁氧体磁珠是 BLM15HD182SN1,其频率范围在100 MHz至1 GHz之间的阻抗大于 2 kΩ。铁氧体磁珠应尽量靠近ADuM5411焊盘。VISO路径上的E9和 GNDISO路径上的E10上的铁氧体磁珠是必不可少的。
 
突破PLCDCS多通道模拟输入通道间隔离、高密度和EMI高辐射的设计障碍
图6. ADuM5411原理图
 
也可以用耦合电容来提供低阻抗的返回路径,从而减少辐射。 一种方法是在隔离栅上使用表贴式高压电容,确保符合爬电距离、电气间隙和耐受电压标准。Murata、Vishay等供应商均提供此 类电容。受安装电容带来的寄生的电感影响,这种方法仅在不 超过200 MHz左右的频率下有效。为此,一种更有效的技术是在 ADuM5411下方的PCB电路板内构建一个旁路电容。其可以是浮动式旁路电容,也可以是重叠式旁路电容,如图7所示。
 
突破PLCDCS多通道模拟输入通道间隔离、高密度和EMI高辐射的设计障碍
图7. 浮动式旁路电容与重叠式旁路电容
 
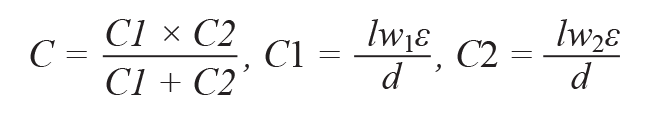
浮动式旁路电容集成了两个串行电容,即C1和C2。总电容通过公式1计算。
 
突破PLCDCS多通道模拟输入通道间隔离、高密度和EMI高辐射的设计障碍
 
其中:
 
ε为PCB绝缘材料的介电常数,FR4材料为4.5。
 
对于重叠式旁路电容,其电容通过公式2计算。
 
突破PLCDCS多通道模拟输入通道间隔离、高密度和EMI高辐射的设计障碍
 
其中:
 
ε为PCB绝缘材料的介电常数,FR4材料为4 × 10–1 1 F/m。
 
在材料、面积和距离相同的条件下,浮动式旁路电容的总电容值为重叠式旁路电容的一半,但绝缘材料的厚度则增加了一倍。 依据IEC60950 2.10.6.4,加强绝缘要求内层绝缘材料的最低厚度为 0.4 mm (15.74 mil),但基本绝缘无此类要求。由于ADuM5411仅提 供2.5 kV rms的基本隔离,所以,我们选择了重叠式旁路电容以实现电容值的最大化。因相同的原因,内层的厚度也控制在5 mil。
 
16通道的通道间温度输入模块PCB采用的是一块6层的电路板。为了兼顾机械和EMI性能,顶层和底层的厚度控制为20 mil,内层控制为5 mil,如图8所示。
 
突破PLCDCS多通道模拟输入通道间隔离、高密度和EMI高辐射的设计障碍
图8. 六层PCB堆栈分配
 
如图9所示,重叠式旁路电容的各层集成在GND1、SIG、PWR和GND2 中。GND1和PWR上的各层连接至ADuM5411的副边,SIG和GND2中 的各层连接至ADuM5411的原边。这意味着,GND1与SIG、SIG与 PWR、PWR与GND2之间共形成了三个并行的旁路电容。重叠区宽 4.5 mm,长17 mm,即总旁路电容为72 pF。
 
突破PLCDCS多通道模拟输入通道间隔离、高密度和EMI高辐射的设计障碍
图9. ADuM5411区域的六层PCB布局
 
基于EN55022规格的测试结果
 
根据EN55022规范在10m条件下执行两组EMI测试。对于第一个测 试,带stitching电容的电路板使用情况如图10所示。图11显示了测试 结果,该测试通过了EN55022 ClassB的标准,裕量约为11.59 dB。对于第二个测试,使用了不带stitching电容的电路板,而将3kV、150pF 外部高压电容KEMET C1812C102KHRACTU安装在电路板上。图12显示 了测试结果——通过了EN55022 Class B的标准,裕量为0.82 dB,距 离Class A的阈值还是有足够多的余量。
 
突破PLCDCS多通道模拟输入通道间隔离、高密度和EMI高辐射的设计障碍
图10. PCB中内置无安规电容的旁路电容
 
突破PLCDCS多通道模拟输入通道间隔离、高密度和EMI高辐射的设计障碍
图11. EN55022 B类测试结果(PCB中内置旁路电容)
 
突破PLCDCS多通道模拟输入通道间隔离、高密度和EMI高辐射的设计障碍
图12. EN55022 B类测试结果(无旁路电容,有安规电容PCB)
 
测试结果证明,相比高压电容,IC下的stitching电容是更有效的去耦合方法。
 
结语
 
通道间隔离往往被视为高端过程控制系统设计中的一项挑战。相 比传统数字和电源分别隔离的方法,ADI的isoPower技术和iCoupler 技术可以大幅提高通道密度,还大大简化了设计工作,可以提高通道稳定性和可靠性。利用PCB中内置的stitching电容或安装在PCB旁边的高压电容,可以轻松地控制EMI辐射以便通过EN55022 B类或A类标准,这是一项技术上的突破。
 
 
推荐阅读:
 
特别推荐
技术文章更多>>
技术白皮书下载更多>>
热门搜索
?

关闭

?

关闭