【导读】目前MTK芯片工程师遇到最大的问题是,带通话的耳机端口的静电防护问题。本文从耳机端口的静电防护角度为大家做详尽介绍,希望对广大工程师有借鉴作用。
一、现象:在对耳机端口进行放电测试时,产品容易出现不可恢复的死机。
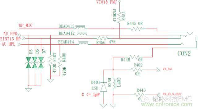
1、电路如下:

二、问题排查 通过逐一断开排除,确定静电是通过HP_MIC脚把IC击穿,造成产品不开机。
三、问题分析:
1、分析原理图可知HP_MIC脚通过1K电阻连接到电源管理IC;
2、耳机采用的是苹果标准接口,苹果耳机接口图如下,从图中可以看出HP_MIC在耳机母座最外面一个脚,金属弹片正好裸露在外面,极易受静电影响。
3、HP_MIC管脚没有使用静电抑制器件保护后端电路。


四、解决办法
1、在靠近耳机母座HP_MIC脚上对地增加静电抑制器和1000PF电容,静电抑制器使用工作电压5V,钳位电压低于10V的种类。各种材料静电抑制器钳位电压对比如下,因此选用TVS才能满足。
(1)压敏电阻:一般在10V以上;
(2)高分子静电抑制器:一般在20V以上;
(3)TVS管:一般在8-15V。
2、如果结构允许改成诺基亚的耳机接口,让HP_MIC不裸露到外面,具体如下:

3、静电抑制器要靠近端口放置,经过静电?;て骷笤僮銎渌缙印?nbsp; 4、静电抑制器接地端要有大面积的地,才能对静电起到很好的泄放作用。五、重新设计后原理图如下:




