中心议题:
- 开关电源产生电磁干扰的机理
- EMI滤波器的正确选择
- 开关电源电磁干扰解决办法
解决方案:
- 正确选择EMI滤波器
- 进线电抗器+EMI滤波器
开关电源具有体积小、重量轻、效率高等优点,广泛应用于各个领域。由于开关电源固有的特点,自身产生的各种噪声却形成一个很强的电磁干扰源。所产生的干扰随着输出功率的增大而明显地增强,使整个电网的谐波污染状况愈加严重。对电子设备的正常运行构成了潜在的威胁,因此解决开关电源的电磁干扰是减小电网污染的必要手段,本文对一台15kW开关电源的EMC测试,分析其测试结果,并介绍如何合理地正确选择EMI滤波器,以达到理想的抑制效果。
1 开关电源产生电磁干扰的机理
图1为所测的15kW开关电源的传导骚扰值,由图中可以看出在0、15~15MHz大范围超差。这是因为开关电源所产生的干扰噪声所为??氐缭此母扇旁肷治钅T肷凸材T肷?。

图1未加任何抑制措施所测得的传导骚扰
1.1共模噪声
共模噪声是由共模电流,IcM所产生,其特征是以相同幅度、相同相位往返于任一电源线(L、N)与地线之间的噪声电流所产生。图2为典型的开关电源共模噪声发射路径的电原理图。

图2 共模噪声电原理图
由于开关电源的频率较高,在开关变压器原、副边及开关管外壳及其散热器(如接地)之间存在分布电容。当开关管由导通切换到关断状态时,开关变压器分布电容(漏感等)存储的能量会与开关管集电极与地之问的分布电容进行能量交换,产生衰减振荡,导致开关管集电极与发射极之间的电压迅速上升。这个按开关频率工作的脉冲束电流经集电极与地之问的分布电容返回任一电源线,而产牛共模噪声。
[page]
1.2差模噪声
差模噪声是由差模电流IDM昕产生,其特征是往返于相线和零线之间且相位相反的噪声电流所产生。
1.2.1差模输入传导噪声
图3为典型的开关电源差模输入传导噪声的电原理图。
其一是当开关电源的开关管由关断切换到导通时,回路电容C 通过开关管放电形成浪涌电流,它在回路阻抗上产生的电压就是差模噪声。

图3差模输入传导噪声电原理图
其二是工频差模脉动噪声,它是由整流滤波电容c 在整流电压上升与下降期问的充放电过程中而产生的脉动电流与放电电流,也含有大量谐波成分构成差模噪声。
以上两种差模噪声都返回到输入端的交流电网,所以称为输入传导噪声,它不仅污染电网,还给其它接人电网的电子、电气设备造成危害,还直接导致输入功率因数的下降。
1.2.2 差模输出传导噪声
第三种差模噪声是输出传导噪声,它是整流输出部分二极管由正偏转为反偏时,反向电流与二极管结电容、分布电感产生尖峰电压而造成的差模噪声,图4为典型的半波整流滤波电路:

图4 差模输出传导噪声电原理图
2 EMI滤波器的正确选择
EMI滤波器是以工频为导通对象的反射式低通滤波器,插入损耗和阻抗特性是重要技术指标。EMI滤波器在正常工作时处于失配状态,因为在实际应用中,它无法实现匹配。如滤波器输入端阻抗 (电网阻抗)是随着用电量的大小而改变的。滤波器输出端的阻抗 。(电源阻抗)是随着负载的大小而改变的。要想获得最佳的EMI抑制效果,必须根据滤波器的两端所要连接的源端阻抗特性和负载阻抗特性来选择EMI滤波器的电路结构和参数,即遵循输入、输出端阻抗失配原则。一般选用方法是:
(1)低的源阻抗和低的负载阻抗:选?。═)n 滤波器结构;(2)高的源阻抗和高的负载阻抗:选?。?pi; )n“滤波器结构;(3)低的源阻抗和高的负载阻抗:选?。↙C)n“滤波器结构;(4)高的源阻抗和低的负载阻抗:选取(CL) 滤波器结构。
若不能满足阻抗失配的原则,就会影响滤波器的插损性能,严重时甚至引起谐振,在某些频点处出现干扰放大现象,所以,阻抗失配连接原则是应用EMI滤波器必须遵循的原则。
[page]
针对图l所测得的传导骚扰值,可以看出在0.15~15MHz范围内严重超差,最大值超过限值近40dB,而且尖峰较为密集。说明电源所产生的浪涌电压和浪涌电流较大,即电源的du/dt、di/dt很大,也就是产生的_F扰能量很大??氐缭垂材T肷刃У缏烦矢咦杩谷菪裕钅5刃У缏犯?、低阻抗同时存在。针对这种情况,EMI滤波器的电路结构选为二级共模电感和一个单独的差模电感型式,这样既可以滤除共模噪声,又可以滤除差模噪声。插入损耗为40dB,所测得的传导骚扰值如图5所示。

图5加EMI滤波器后所测的传导骚扰
由图5可以看出,传导骚扰值在某些频段处还有超差,效果不十分理想,这是因为,传导接受机所测得的传导骚扰值是个综合参数,它无法判断出在0.15—15MHz频率范围内,共模干扰和差模干扰孰重孰轻,一般讲:在0.15~0.5MHz低端差模干扰分量很大,在0.5~5MHz共模干扰和差模干扰同时存在,在5~30MHz之间共模分量较大。原因之二是由于滤波器的电感和电容元件都受其分布参数的影响,频率愈高所受的影响愈大。滤波器内部电感、电容的装配工艺、接地质量也会对插入损耗产生很大的影响。原因之三是,由于滤波器电感会受到电流浪涌的影响,它工作的峰值电流比额定电流要大一倍左右,在重载和满载时,差模电感容易产生磁饱和现象,致使电感量迅速下降,导致插入损耗性能变坏。
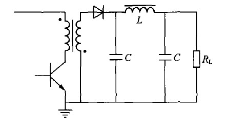
3 较为理想的解决办法
针对以上情况,在EMI滤波器前端再串接一个一定值的电感,在交流电路中电感的数值 X= wL=2πrfL,电感就是一个电抗器,所以此电感也称为进线电抗器。由X =2πrfL可知,它的感抗与频率成正比,对于低频电流可以畅通无阻地通过进线电抗器,对于高频电流进线电抗器呈高阻抗、高压降。因此,进线电抗器可作为电流的低通(高阻)滤波器。
并且,开关电源所产生的谐波电压大部分都降在了进线电抗器上。所以,串接进线电抗器不但使传导骚扰值整体下降了,还使电压谐波得到了改善。当电感值选为6mH时,其抑制效果如图6所示。所以对已定型的大功率开关电源,选择进线电抗器+EMI滤波器,不失为解决其电磁骚扰的比较理想的方法。

图6进线电抗器+EMI滤波器后所测的传导骚扰
4 结语
大功率开关电源产生电磁干扰是一个复杂的问题,电源产生电磁干扰以传导干扰的危害尤为严重。根据电磁干扰产生的机理,正确选择EMI滤波器是有效抑制传导干扰的关键所在,其目的就是有效地抑制开关电源对电网的传导干扰,又可以降低从电网引入的传导干扰,使开关电源的电磁兼容性达到国家标准规定的限值要求。






