- 三相电压型PWM整流器控制方案
- 空间矢量控制的PWM整流器仿真模型建立和分析
- 由主电路和控制回路两部分组成
- 控制单元通过矢量运算,生成所需要的PWM波,控制双向变换器
传统的PWM控制技术多用于两电平电路的驱动控制,其主要方法是正弦脉宽调制(SPWM),调制波为正弦波,依靠三角载波和调制波的比较得出交点实施控制,其电压利用率低,谐波含量大。而随着微处理器技术的发展和多电平电路的出现,涌现出很多新的控制方法,如优化PWM方式、滞环电流控制方式、空间电压矢量控制方式等等。
其中,空间电压矢量控制通过合理地选择、安排开关状态的转换顺序和通断持续时间,改变多个脉冲宽度调制电压的波形宽度及其组合,达到较好的控制。相对SPWM控制,具有电压利用率高、谐波含量小、大大改善了系统的静态和动态性能,具有结构简单、容易实现、控制精度高等特点。本文采用空间矢量控制的控制策略,并对整流电路采用电压外环PI和电流内环PI控制相结合的方法,建立三相电压型PWM矢量控制方案的仿真模型,并对其进行分析研究。
三相电压型PWM整流器控制方案
图1为三相电压型PWM整流器空间矢量控制框图,它由主电路和控制回路两部分组成。其中,控制回路主要由输入电流和输出电压检测、坐标变换、PI控制器和SVPWM脉冲产生等部分组成。其原理如下:三相交流电通过三相电压型整流电路整流为稳定的直流电压。同时,控制回路对主电路的输入电流和输出直流电压进行检测,一方面,将检测值与给定值进行比较后送入PI控制调节器,输出值与电流比较并将其输出送入PI控制器变为电压信号,再经坐标变换送入SVPWM脉冲产生单元,完成电压闭环控制;另一方面,将检测的输入电流经坐标变换与给定电流比较,送入PI控制器变为电压信号,再经坐标变换送入SVPWM脉冲产生单元,完成电流的闭环控制。矢量控制单元通过矢量运算,生成所需要的PWM波,控制双向变换器,达到输出电压的稳定和输入侧交流电流的正弦化。

图1三相电压型PWM空间矢量控制方框图
控制系统框图中的PI控制模块、坐标变换??楹褪噶靠刂颇?榈墓ぷ髟聿慰嘉南?,其具体参数需要在仿真中确定。
空间矢量控制的PWM整流器仿真模型建立和分析
1仿真模型的建立
利用Matlab/Simulink软件包,根据控制框图建立仿真模型。仿真模型主要包括主电路模型、控制电路模型和功率因数计算模型等。
(1)主电路模型
主电路仿真模型如图2所示。它主要由输入电源???、三相整流器??楹鸵恍┑缪?、电流测量单元组成。

图2主电路模型
[page]
(2)控制电路模型
控制电路仿真模型如图3所示。它主要由PI控制器模型、坐标变换模型以及矢量控制器模型等部分组成。其中,坐标变换和矢量控制器仿真模型的建立主要根据矢量控制原理搭建而成[2],其仿真模型如图4所示。

图3控制电路模型

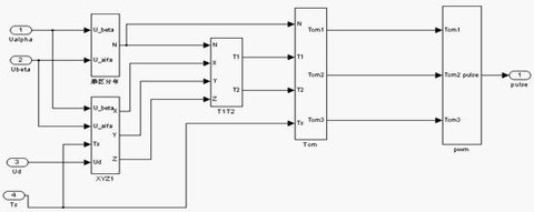
图4SVPWM仿真模型
(3)功率因数计算模型

图5功率因数计算模型
2仿真结果
根据上面搭建的仿真模型,给定仿真参数假定如下:交流侧输入为三相260V交流电压,交流侧电感取3.4mH,直流侧滤波电容为1000µf,给定直流输出电压为650V,开关频率10KHZ,负载电阻为40Ω。在t=0.05s时,突加负载使负载电阻由40Ω变为20Ω。仿真结果如下所示。

图6输入a相电压和电流稳态波形图7输出直流电压稳态波形

图8功率因数响应曲线

图9输入电流随负荷波动曲线图10输出直流电压随负荷波动曲线
根据电压空间矢量控制的基本概念和控制框图,建立三相电压型PWM整流器空间矢量控制的仿真模型,并对每个??榻邢晗傅姆治?。从图6~图8可以看出采用这种控制方案输出直流电压响应速度快,输入交流侧电流波形为正弦波且与输入交流电压相位相同,基本实现了单位功率因数。另外从图9和图10可以看出,当突加负载时,整流器输入侧电流幅值变大并有少许的波动,但很快就恢复为正弦波,同时输出侧直流电压降低,但很快也恢复到给定的650V直流电压。通过仿真结果可以看出采用空间矢量控制的整流器具有很好的动态特性和稳定性。




