桃花源qm花论坛(品茶),凤楼阁论坛官网入口网址,一品楼品凤楼论坛最新动态,风楼阁全国信息2024登录入口

你的位置:首页 > 电路保护 > 正文

破解多收发器同步难题:基于MAX2470的高隔离时钟耦合方案

发布时间:2025-11-05 责任编辑:lina

【导读】在多输入多输出(MIMO)无线通信系统中,确保多个收发器共享一个高精度、低噪声的参考时钟,是保障系统整体性能(如低误差矢量幅度EVM)的关键。时钟信号在分配过程中,任何负载不匹配或信号串扰都可能导致同步失效。MAX2470与MAX2471缓冲放大器,凭借其高反向隔离度、灵活的负载驱动能力低成本特性,为此提供了高效的解决方案。


在多输入多输出(MIMO)无线通信系统中,确保多个收发器共享一个高精度、低噪声的参考时钟,是保障系统整体性能(如低误差矢量幅度EVM)的关键。时钟信号在分配过程中,任何负载不匹配或信号串扰都可能导致同步失效。MAX2470与MAX2471缓冲放大器,凭借其高反向隔离度、灵活的负载驱动能力及低成本特性,为此提供了高效的解决方案


破解多收发器同步难题:基于MAX2470的高隔离时钟耦合方案

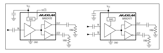
图1. MAX2470、MAX2471结构框图


1.1 核心特性:不止于缓冲


MAX2470/MAX2471的核心价值在于它们作为 “信号桥梁” 的稳定性。


  • 高输入阻抗:其高输入阻抗显著降低了缓冲器对前级VCO(压控振荡器)的负载效应,这对于维持VCO的频率稳定性至关重要。

  • 卓越的反向隔离:有效防止输出端负载变化或信号反射影响敏感的VCO电路,提升了系统的整体稳定性。

  • 全差分输出:它们能直接驱动一个100Ω差分负载或两个独立的50Ω单端负载。这一特性使其能够同时为混频器和锁相环(PLL)等不同功能的电路提供时钟信号,而输出间的高隔离度有效避免了通道间的串扰


下表概述了它们的关键性能参数,方便设计者进行快速选型


破解多收发器同步难题:基于MAX2470的高隔离时钟耦合方案


1.2 实战MIMO时钟分配:架构与要点


在MIMO系统中,一个参考时钟源需要驱动多个物理上分离的收发器。

  • 典型应用架构:参考时钟源首先接入MAX2470的输入端。由于其两个输出信号存在180°相位差,不能同时用于驱动MIMO系统中的不同收发器。标准的做法是:将其中一个输出端用50Ω电阻进行端接,另一个输出则分配给系统中的各个收发器。

  • 功率考量:设计时必须注意,当使用50Ω负载时,MAX2470的输出功率通常应设置为-5dBm或更低。工程师需要计算并验证分配到每个收发器的信号功率,确保满足其最小参考电平要求。


1.3 实现最佳性能:PCB布局与电源滤波


再优秀的芯片也离不开精心的电路板设计,尤其是在高频应用场景。


  • 电源去耦:必须使用去耦电容为电源滤波,并尽可能靠近器件的VCC引脚放置。如果电源走线较长,还应在远端额外添加去耦电容,以抑制电源线上的高频噪声。

  • 接地:一个完整、低阻抗的接地平面是必不可少的。器件的地引脚应通过短而粗的走线并通过过孔直接连接到主接地层

  • 信号线控制:高频输入和输出端应使用特性阻抗受控的引线(如微带线),以减少信号在传输过程中的反射和损耗


总结


MAX2470与MAX2471通过提供高反向隔离、灵活的负载驱动能力及稳定的差分输出,有效解决了MIMO系统中参考时钟分配的关键难题,确保了多收发器的同步性能。结合正确的电路匹配与严谨的PCB布局,它们是实现高效、可靠MIMO射频系统设计的优选器件。

 

我爱方案网


推荐阅读:

安森美获Aura半导体授权,强化AI数据中心电源生态

采购无忧:贸泽电子备货瑞萨新品,覆盖全系列嵌入式应用

创新强基,智造赋能:超600家企业齐聚!第106届中国电子展打造行业盛宴

突破技术瓶颈:GMR传感器磁路优化指南

多场景应用:电池模拟器如何赋能新能源全产业链


特别推荐
技术文章更多>>
技术白皮书下载更多>>
热门搜索

关闭

?

关闭