【导读】多相耦合电感器是一项很有前景的技术,由于每个耦合相内的电流纹波得到消除,为系统带来了显著的优势。而令人意想不到的是,无论是耦合电感器还是非耦合电感器,多相降压转换器的总输出电流纹波都是相同的。本文重点探讨输出电流纹波的考量因素,以及影响输出电压纹波和整体转换器性能的具体细节。
摘要
多相耦合电感器是一项很有前景的技术,由于每个耦合相内的电流纹波得到消除,为系统带来了显著的优势。而令人意想不到的是,无论是耦合电感器还是非耦合电感器,多相降压转换器的总输出电流纹波都是相同的。本文重点探讨输出电流纹波的考量因素,以及影响输出电压纹波和整体转换器性能的具体细节。
简介
多相降压转换器是广泛用于具有高输出电流的降压型应用的拓扑结构?;谡庵值缏返牡缪沟鹘谄骺捎糜诜衿?、人工智能、数据中心、云计算、通信、汽车等领域。
电感器中的电流纹波是影响设计方案选择的重要参数,它会影响效率、输出电压纹波、瞬态性能、解决方案尺寸和其他性能指标。本文将重点讨论这些关于电流纹波的考量因素。
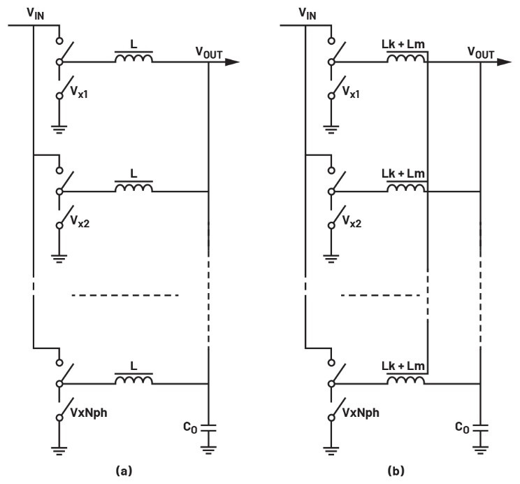
采用分立电感(DL)的传统多相降压转换器如图1a所示。图1b显示了用耦合电感(CL)替代DL的替代方法1-9。为实现波形的良好交错,确保所有转换器相位(1至Nph)之间的相移非常重要。这种相移通常可以最大限度地减少进入输出电容Co的总输出电流纹波,从而最大限度地减少输出电压纹波。另外,还需要适当的相移才能获得CL的理想性能。
常规降压转换器各相的电流纹波可由公式1求出,其中占空比D = VOUT/VIN,VOUT为输出电压,VIN为输入电压,L为电感值,Fs为开关频率。假设将分立电感替换为具有相同值(L,现为漏感)的耦合电感并增加互感Lm,则CL中的电流纹波可表示为公式26。品质因数(FOM)表示为公式3,其中Nph是耦合相的数量,ρ是耦合系数(公式4),j是定义占空比适用区间的运行指数(公式5)。
图1.多相降压转换器,采用(a)分立电感DL和(b)耦合电感CL。
一般来说,CL展现出更大的FOM6,表明与DL(公式1)相比,在电流纹波消除(公式2)方面具有明显优势?;谎灾?,电感L的相同瞬态性能将导致使用CL时的电流纹波明显变小,从而有可能降低Fs以实现更高的效率?;蛘撸梢越档偷绺兄狄曰竦酶斓乃蔡煊透〉拇判院褪涑龅缛?。因此,可以在多个方面利用CL的优势,例如减小解决方案尺寸或显著提高效率。
输出端的总电流纹波
当多个电感电流流入同一网络时,交错式多相转换器具有降低总电流纹波的优势10,11。对于多相降压转换器,通常可以减少流入输出电容(Co)的总交流电(公式6)。降低输出电容中的交流电通常是有益的,因为这样可以降低输出电压纹波并略微提高效率。此外,还可以观察到输入电容纹波的改善。然而,本文主要关注电感中的电流纹波及其对输出的影响。
DL相位的电流纹波(公式1)在D = 0.5时将具有最大幅度。用最差值进行归一化(公式6)可以消除电压、频率和电感,并绘制归一化(相对)总电流纹波曲线,作为占空比的函数(公式7)。当然,前提是假设所有消除的电路条件保持不变。
多相降压转换器中的总归一化输出电流纹波用公式7表示,并在图2中直观显示。值得注意的是,当Nph = 1时,等于单相电流纹波,这与预期一致。当更多相(1至Nph)并联且各相之间的相移为360/Nph度时,通?;岵嘤Ω叩氖涑龅缌骱凸β?。然而,图2显示,进入输出电容的总电流纹波同时急剧下降。这凸显了交错多相的优势之一,即可以获得更好的系统性能,这适用于DL和CL配置。虽然非耦合DL和CL各相内的电流波形可能看起来不同,但总电流(多相降压转换器中的总输出电流)呈现相同的波形。事实上,公式6和7对DL和CL降压转换器都适用(不同的是CL需要Nph > 1)。图3、图4和图5显示了降压转换器六个相中的仿真电流纹波,其中VIN = 12 V、VOUT = 1.0 V (D = 0.0833)、L = 50 nH、Fs = 600 kHz。底部的红色曲线代表输出端的六相电流纹波。图3a对应于分立电感的情况Lm = 0 (DL = 50 nH),图3b引入了较小的Lm = 20 nH (CL = 6× 50 nH)。进一步增加耦合,图4a的Lm = 50 nH,图4b的Lm = 200 nH。后者对应于现成的六相耦合电感CL1010V1-6-R050-R:CL = 6×50 nH,Lm = 200 nH。最后,值得注意的是,图5a和图5b所描绘的情况其实不切实际,因为分别实现非常大的Lm = 1 μH和Lm = 10 μH异常困难。
图2.多相降压转换器中的归一化总输出电流纹波(7)是占空比D的函数。
图3.6相12 V至1.0 V降压转换器的单个电感电流(顶部)和总输出电流(底部红色曲线),其中Fs = 600 kHz:(a)分立DL = 50 nH (Lm = 0),(b) CL = 6× 50 nH,且Lm = 20 nH。为了清楚起见,突出显示了第一个相位的电流I (L1)。对于任何Lm值,输出电流纹波均为相同的16.6 A。
图4.6相12 V至1.0 V降压转换器的单个电感电流(顶部)和总输出电流(底部红色曲线),其中Fs = 600 kHz:(a) CL = 6× 50 nH,Lm = 50 nH,(b) CL = 6× 50 nH,且Lm = 200 nH。为了清楚起见,突出显示了第一个相位的电流I (L1)。对于任何Lm值,输出电流纹波均为相同的16.6 A。
图5.6相12 V至1.0 V降压转换器的单个电感电流(顶部)和总输出电流(底部红色曲线),其中Fs = 600 kHz:(a) CL = 6× 50 nH,Lm = 1 μH,(b) CL = 6× 50 nH,且Lm = 10 μH。为了清楚起见,突出显示了第一个相位的电流I (L1)。对于任何Lm值,输出电流纹波均为相同的16.6 A。
在CL中,电流纹波消除所带来的优势显而易见。随着互感的增加,每相的纹波电流急剧减小,直至达到“效益递减”,此时Lm的进一步增加会使电流纹波以越来越小的速率降低。设计过大的Lm时,例如图5中的1 μH或10 μH,也会明显影响CL尺寸,并且很可能影响DCR,因此绘制这些情况只是为了显示电流纹波趋势。
比较DL = 50 nH(图3a)和CL = 6× 50 nH与Lm = 200 nH(图4a)之间的相位电流幅度,可发现电流纹波显著减少,减少为约四分之一(从30.63 A降至7.7 A)。不过,请注意,表示所有相位的总输出电流纹波的底部红色曲线对于任何Lm值(包括图3a中的Lm = 0)都保持不变,即使相位电流波形非常不同。图3至图5中仿真纹波波形的峰峰值幅度与图6中绘制的计算电流纹波(1)、(2)和(6)一致。对于给定的条件VIN = 12 V、Nph = 6和Fs = 600 kHz,无论Lm值为何,所有六个相位的总输出电流纹波都保持不变,并且当VOUT = 1.0 V时,等于16.6 A。理解这一现象的一种方法是认识到随着Lm值的增加,电流纹波会减小,从而导致相位电流变得更加相似。因此,它们的峰值实际上加起来等于输出??梢越频厝衔?,耦合将相位纹波降低了约Nph倍,但随后Nph个相似的纹波峰值在输出端相加,从而产生相同的总输出电流纹波。这在图5中尤为明显,其中显示了Lm非常大的波形??梢怨鄄斓?,对于相同的电感值,交错相位的总电流纹波消除保持一致。然而,这种消除发生的方式是有区别的。如果是DL,主要发生在输出网络中。另一方面,耦合电感的存在允许很大一部分交错和纹波消除向上游传播到每个单独的相位电流中。
图6.计算六相VIN = 12 V降压(Fs = 600 kHz)的电流纹波与VOUT的关系,使用50 nH的电感和不同的Lm值。总输出电流纹波显示为绿色,所有Lm值均相同。
请注意,图6中的所有曲线都对应于相同的最大电流摆率限制(因此也是瞬态的),由每个相位的50 nH电感值定义。
输出电压纹波
对输出电压纹波的简单理解是,假设总输出电流纹波通过输出电容组的有效等效串联电阻(ESR),导致成正比的压降。该压降表现为转换器输出端的稳态电压波形。更详细的分析需要考虑每个输出电容中的实际电容以及电容寄生和布局寄生。然而,一般预期是输出端的总电流纹波越高,输出电压纹波就越高。这可能会成为CL的限制因素。图3至图5显示了同类条件下的相位电流纹波比较,表明相同电感值具有相同的总输出电流纹波。然而,在实际应用中,图3a所示的30.6 A的DL纹波可能超出每相30 A至50 A负载电流的典型目标范围。在这种情况下,Fs会更高或DL值会增加。为了利用CL的优势,通常需要在DL和CL设计之间保持相当(且可接受)的相位电流纹波。CL的优势体现在明显更低的Fs,可实现更高的效率,或体现在更小的电感值,有利于加快瞬态响应并减小输出电容的尺寸8。这意味着,虽然DL和CL之间的相内电流纹波相当,但CL解决方案的总输出电流纹波可能更高。
然而,有几个因素需要考虑。典型的多相解决方案通常将功率级按顺序排列,然后是电感和输出电容。此类布局在使用CL时同样适用。因此,VOUT网络不是仿真中的单个连接点,而是相位电流以不同距离注入的分布式网络。电容也沿着这一排VOUT电感引线分布,并且在它们内部和之间有相关的寄生效应。布局和输出电容中的寄生分布式网络可以更快速、有效地滤除远距离相位的波形。因此,单个电容从附近的VOUT电感引脚传导的电流纹波比从较远的引脚传导的电流纹波要多。由于陶瓷电容通常在1 MHz至2 MHz以上具有最小阻抗,因此与每个开关周期具有多个电流峰值的波形(例如,CL;图4b)相比,主Fs < 1 MHz的谐波(DL,图3a)衰减的更少。此外,考虑到输出电容的ESL和ESR产生的极点以及布局寄生,预计具有较高频率内容的波形的衰减也会更大。
另一个因素是,尽管CL的总输出电流纹波在数学上可能大于DL的电流纹波,但局部相位电流相当,实际上CL相位波纹电流的幅度通?;嵝∫恍?。CL可有效地将输出VOUT网络(如果是DL)的电流纹波消除提升到每个开关相位。
图7显示了多相降压转换器的典型组件位置和布局,其中输出电压轨提供给某些CPU或GPU负载(大矩形轮廓所示为插座区域)。输出电容阵列位于指定的负载区域下方。
图7.采用多相降压的电路板布局。六个分立电感有负载。
图8显示了以下条件下图7中负载插座中间电压感应点的VOUT电压纹波:VIN = 12V,VOUT = 1V,Fs = 600kHz。最初,DL = 100 nH加载到电压调节器的六个相位中,导致最大电压纹波为10.11 mV(图8a)。放置CL = 6× 100 nH会导致测量值略有改善,最大为10.05 mV(图8b)。然后,为改善瞬态响应,将CL = 6× 50 nH加载到电感位置,结果仅发现纹波略有增加,为14.91 mV(图8c)。这是一个可以忽略不计的增加,特别是考虑到最小输出电容的典型限制因素是快速瞬态条件,而不是VOUT纹波。
图8.CPU插座中VOUT感测端的6相降压(12 V至1 V,600 kHz)的VOUT纹波:(a) DL = 100 nH,最大值10.11 mV,(b) CL = 6× 100 nH,最大值10.05 mV,(c) CL = 6× 50 nH,最大值14.91 mV。
CL = 6× 50 nH的相位电流纹波仅为7.7 A,如图4b或图6所示。通过将值增加到DL = 100 nH来降低DL = 50 nH时的30.6 A高电流纹波,会导致按比例减少到15.3 A,这是一种改善(但瞬态响应会受影响)。然而,它仍然是CL = 6× 50 nH纹波的两倍。因此,选择DL = 100 nH仍会影响效率。
瞬态性能
由于6相CL = 6× 50 nH在电流纹波方面比具有相似瞬态性能的DL = 50 nH有着很大优势,因此分立电感的值增加到DL = 100 nH,至少一定程度上可以降低与CL = 6× 50 nH的纹波差异。图9比较了产生的瞬态响应。
测量是在相同的条件下进行的:VIN = 12 V、VOUT = 1 V、Fs = 600 kHz。为了展示输出电压的欠冲和过冲,负载线设置更改为较小的压降0.132 mΩ。展示电压过冲的方法比移除一些输出电容的方法更简单。正如预期一样,当VOUT较低时(例如,VOUT < VIN/2),输出电压的峰峰值瞬态性能主要受过冲影响。
对于240 A(每相40 A)的负载阶跃,输出电压峰峰值为dVOUT = 81.2 mV (CL = 6× 50 nH)(图9a),dVOUT = 153.3 mV (DL = 100 nH)(图9b)。注意图9中波形顶部的PWM信号:即使反馈回路不是瞬时的,但过冲现象与PWM脉冲的完全缺失相对应。这意味着所有相位都被拉低而没有发生任何开关事件,并且瞬态性能仅受电感本身的电流摆率的限制。因此,CL = 6× 50 nH和DL = 100 nH之间测得的输出电压峰峰值才有约2倍的差异。
图9.6相降压转换器的瞬态性能,其中VIN = 12 V、VOUT = 1 V、Fs = 600 kHz,负载阶跃为240 A:(a) CL = 6×50 nH,(b) DL = 100 nH。相同的电路板、相同的输出电容和相同的负载线设置降低至0.132 mΩ。
从图9的波形可见,VOUT纹波不是问题所在,因为剧烈的瞬态摆幅是影响输出电压峰峰值的主要原因。最小输出电容取决于瞬态规范,而不是VOUT纹波。
在实际应用中,与CL = 6× 50 nH相比,较慢的DL = 100 nH将需要接近2倍的输出电容才能满足相同的VOUT峰峰值瞬态规范。同时,如果使用相同的开关频率,DL = 100 nH仍将具有2倍大的电流纹波。这可能会因两个原因而影响效率:要么是由于较大的电流纹波导致整个电路的电流波形的rms增加以及DL中的交流损耗增加,要么是由于需要更高的开关频率来减少纹波,从而导致开关损耗相应增加。
结论
与传统方法相比,耦合电感技术可实现多种系统优势,并且这些优势可针对许多不同的优先级和应用进行优化8-10。然而,一个有趣但违反直觉的事实是,对于具有相同电感值的分立电感和耦合电感,多相降压转换器的总电流纹波是相同的。利用CL的优势时,通常会使总输出电流纹波增加,但会减少每个相位的电流纹波。然而,这种潜在的问题通??梢酝ü恍┓椒跚?,例如通过CL有效地将相位交错从转换器输出上游拉到每个相位,以及通过分布式Co槽的滤波特性?;谎灾词故怯幸庠黾踊贑L的解决方案的总输出电流纹波,与DL相比,它也能更好地分散在不同相位的物理隔离的VOUT引线之间。此外,CL的各个相位电流通常具有较高的频率分量和较低的峰峰值,因此它们通常在输出电容和布局寄生的分布式网络中进行更好的滤波。当利用CL优势实现更好的瞬态响应或效率时,这通?;岬贾耉OUT纹波略微增加。
在许多多相应用中,输出电容的最小值通常取决于又快又大的瞬态阶跃规范,而不是出于对VOUT纹波的考虑。这使得关于总电流纹波的考量变得更加不重要。随着相数(Nph)的增加以满足更大的负载电流规范,需要注意一个总体趋势:瞬态阶跃预计会随着Nph成比例增长,从而导致所需最小输出电容成比例增加。然而,随着并联交错相位的增加,输出端的总电流纹波显著减小。DL和CL均如此,因此关于输出电压纹波的考量也变得不那么重要。由于CL解决方案通常与更快的瞬态和/或更高的效率相关,因此总输出电流纹波的潜在增加通常不是一个重要的设计因素。然而,在具有缓慢瞬态响应和低Nph的应用中,检查VOUT纹波性能是一种很好的做法,因为在这类应用中,VOUT纹波是决定所需最小输出电容的主要因素,而不是瞬态响应。
参考文献
1 Aaron M. Schultz和Charles R. Sullivan。“带耦合感应绕组的电压转换器及相关方法”。美国专利6,362,986,2001年3月。
2 Jieli Li。 “DC-DC转换器中的耦合电感设计”。硕士论文,达特茅斯学院,2001年12月。
3 Pit-Leong Wong、Peng Xu、P. Yang和FC Lee。 “采用耦合电感的交错VRM的性能改进”?!禝EEE电源电子会刊》,第16卷第4期,2001年7月。
4 Yan Dong。 “负载点应用中多相耦合电感降压转换器的研究”。博士论文,弗吉尼亚理工学院暨州立大学,2009年7月。
5 Alexandr Ikriannikov和Di Yao?!敖饩鲴詈系绺兄械奶鹞侍狻薄lectronic Design News,2016年12月。
6 “耦合电感的基础知识和优势”。ADI公司,2022年10月。
7 Alexandr Ikriannikov?!岸嘞郉C-DC应用中磁元件的演变和比较”。IEEE应用电源电子会议,2023年3月。
8 Alexandr Ikriannikov和Di Yao?!安捎枚嘞啻旁淖黄鳎篢LVR与CL和新颖优化结构之比较”。PCIM Europe,2023年5月。
9 Alexandr Ikriannikov和Brad Xiao?!按绺械亩嘞嘧黄鞯墓阋錐OM”。IEEE ECCE 2023,2023年10月。
10 Brett Miwa?!案呙芏鹊缭吹慕淮碜患际酢?。博士论文,麻省理工学院,1992年5月。
11 Tim Hegarty。“多相降压转换器的优点”。EE Times,2007年11月。
(来源:ADI公司,作者:Alexandr Ikriannikov,通信和云电源团队的研究员)
免责声明:本文为转载文章,转载此文目的在于传递更多信息,版权归原作者所有。本文所用视频、图片、文字如涉及作品版权问题,请联系小编进行处理。
推荐阅读:




