【导读】全桥电路广泛应用于电力电子领域,如开关电源、变频器、逆变器、电动汽车、工业自动化等领域 。在电路中,全桥电路可以使直流电转换成交流电;在电机控制中,全桥电路可用于变频调速和正弦波控制。
一、前言
全桥电路定义
全桥电路是一种常见的电子电路,由四个开关管和一个负载组成,可将直流电转换为交流电。
全桥电路的应用领域
全桥电路广泛应用于电力电子领域,如开关电源、变频器、逆变器、电动汽车、工业自动化等领域 。在电路中,全桥电路可以使直流电转换成交流电;在电机控制中,全桥电路可用于变频调速和正弦波控制。
二、全桥电路的原理
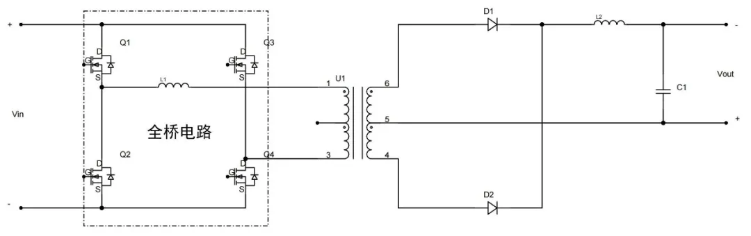
全桥电路通过控制开关管的通断来改变电源与负载之间的电压极性,实现对负载的驱动。在上半周期内,开关管Q1、Q4闭合,Q2、Q3断开,电源的正极通过Q1进入负载,负载的负极通过Q4回到电源的负极。在下半周期内,开关管Q2、Q3闭合,Q1、Q4断开,电源的正极通过Q3进入负载,负载的负极通过Q2回到电源的负极。这样就能实现直流电源向交流负载的转换。
三、全桥电路对于MOS管的需求
(1)主要损耗构成:①MOS管的导通损耗直接由导通Rdson决定,要求MOS管的Rdson更低。②MOS管的开关损耗,由MOS管的米勒平台等参数决定,要求MOS管开关特性好,开关速度快,交越损耗??;
(2)后端是感性负载,需要二极管反向续流,要求功率MOS二极管反向恢复特性较好,具有较短反向恢复时间trr。
四、全桥电路MOS管选型
根据不同的应用需求,全桥电路还可分为全桥逆变电路、全桥整流电路等,瑞森半导体多层外延超结MOS系列,可应用于全桥电路不同的应用中。
瑞森半导体超结MOS全系列采用多层外延工艺,具有低导通损耗、大通流能力、低栅极电荷、低开启电压、出色的非钳位感性开关能力等工艺特色。再加上我司对产品进行百分之百的雪崩能量击穿测试等自有标准;产品对标英飞凌C3、 P6、P7系列 ; 封装产品丰富,为设计者们提供了极大的灵活性。
全桥电路作为一种常见的电路拓扑结构,具有良好的电流/电压控制能力。针对全桥电路不同的应用场景,瑞森半导体提供整体功率半导体解决方案。
免责声明:本文为转载文章,转载此文目的在于传递更多信息,版权归原作者所有。本文所用视频、图片、文字如涉及作品版权问题,请联系小编进行处理。
推荐阅读:
罗姆即将参展PCIM Europe 2024:赋能增长,推动创新
优化汽车无钥匙进入系统,利用蓝牙低功耗和LIN技术如何快速实现?




