【导读】该电路使用两个电荷泵器件来降压负电压。第一个通过加倍和反相负输入电压产生正输出,第二个充当逆变器以产生所需的负输出。电路的输入和输出能力取决于所选IC元件允许的输入/输出电压。
该电路使用两个电荷泵器件来降压负电压。第一个通过加倍和反相负输入电压产生正输出,第二个充当逆变器以产生所需的负输出。电路的输入和输出能力取决于所选IC元件允许的输入/输出电压。
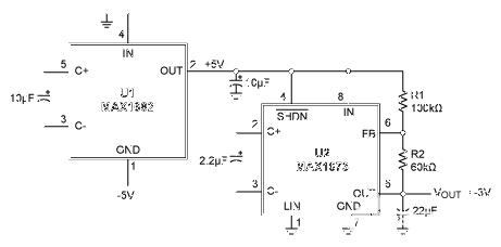
为了在低电流应用中降压负电压,非电感器配置将易用性与少量外部元件相结合。这种降压转换器可通过两个电荷泵器件实现。第一个通过加倍和反相负输入电压产生正输出,第二个充当逆变器以产生所需的负输出。电路的输入和输出能力取决于所选IC元件允许的输入/输出电压(图1)。

图1.该负降压转换器(-5V 至 -3V) 无需电感器。
U1 (MAX1682)作为倍压器工作,接受5V负输入并产生5V正输出。稳压反相器(U2,MAX1673)接受+5V电压并产生-3V输出。U2输出端的分压器(R1/R2)提供反馈,将U2的输出电压调节到所需水平(V外).在FB输入端,阈值电压出厂设置为零。您可以使用 R2(5V/R1) = -V 选择 R1 和 R2 的值外,再加上它们的总和应允许最小电流为 50μA 的条件。V的精度外很大程度上取决于-5V输入的精度。图2和图3显示了-4.75V、-5V和-5.25V输入的电路效率和输出调节。

图2.V时图1电路的效率与负载的关系在电平为 -4.75V、-5V 和 -5.25V。
图3.图1电路在V时的负载调整率在电平为 -4.75V、-5V 和 -5.25V。
免责声明:本文为转载文章,转载此文目的在于传递更多信息,版权归原作者所有。本文所用视频、图片、文字如涉及作品版权问题,请联系小编进行处理。
推荐阅读:




