【导读】提到直流无刷电机,那不得不提的就是有刷电机了。有刷电机有一个比较令人讨厌的缺点:那就是“吵”。因为电刷和换向环需要时刻不停地摩擦,才能给电枢供电。所以,如果你想要一个“静音风扇”的话,肯定不能选使用了有刷电机的产品。无刷直流电机是在有刷直流电动机的基础上发展来的,具有无极调速、调速范围广、过载能力强、线性度好、寿命长、体积小、重量轻、出力大等优点,解决了有刷电机存在的一系列问题,广泛应用于工业设备、仪器仪表、家用电器、机器人、医疗设备等各个领域。
引言
提到直流无刷电机,那不得不提的就是有刷电机了。有刷电机有一个比较令人讨厌的缺点:那就是“吵”。因为电刷和换向环需要时刻不停地摩擦,才能给电枢供电。所以,如果你想要一个“静音风扇”的话,肯定不能选使用了有刷电机的产品。无刷直流电机是在有刷直流电动机的基础上发展来的,具有无极调速、调速范围广、过载能力强、线性度好、寿命长、体积小、重量轻、出力大等优点,解决了有刷电机存在的一系列问题,广泛应用于工业设备、仪器仪表、家用电器、机器人、医疗设备等各个领域。
主流的无刷直流电机的控制方式目前主要有三种:FOC(又称为矢量变频、磁场矢量定向控制)、方波控制(也称为梯形波控制、120°控制、6步换向控制)和正弦波控制。正弦波控制方式使用的是SVPWM波,输出的是3相正弦波电压,相应的电流也是正弦波电流。这种方式没有方波控制换向的概念,或者认为一个电气周期内进行了无限多次的换向。显然,正弦波控制相比方波控制,其转矩波动较小,电流谐波少,控制起来感觉比较“细腻”。
深圳市永阜康科技有限公司现在大力推广一颗三相无传感器正弦波驱动直流无刷马达驱动IC-ACM6753,集成驱动算法+预驱+MOS,内置电流检测,外围元件仅需5个电容,应用极其简单。采用无霍尔传感器控制的正弦波驱动(支持单霍尔的应用),有助于降低振动与噪声,适用于直流落地扇、IT设备散热风扇、冰箱风扇、水泵、空气净化器等产品。
ACM6753指标和特性
? 供电电压范围:5V-24V
? 上侧MOS+下侧MOS:250m?
? 3A 连续旋转电流,4A峰值?;さ缌?nbsp;
? 连续正弦波180?换向,支持顺逆风启动
? 基于电流检测的反电动势计算,无需外部电流检测电阻
? 灵活的接口控制方式
I2C接口,参数控制和状态回读
速度控制(模拟电压、PWM控制,I2C命令)
FG Pin,速度指示
DIR Pin,正反转控制
BRAKE Pin,刹车控制
? 内部集成LDO 提供3.3V、5V
? 休眠状态下,待机电流<200ua
? 保护机制
MOS管过流?;?nbsp;
电机堵转保护
电压过冲?;ぃㄉ渤?、堵转等场景)
供电电压欠压、过压?;?nbsp;
过温?;?/p>
? 封装QFN-24, 4mm×4mm
ACM6753应用信息
1.ACM6753脚位图
2.ACM6753管脚说明
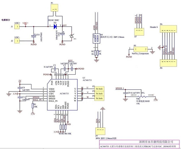
3.ACM6753 DEMO板原理图
4.ACM6753 DEMO板PCB顶层设计图
5.ACM6753 DEMO板PCB底层设计图
6.ACM6753 DEMO板贴片图
7.ACM6753 DEMO板物料清单
8.ACM6753 DEMO板实物图
免责声明:本文为转载文章,转载此文目的在于传递更多信息,版权归原作者所有。本文所用视频、图片、文字如涉及作品版权问题,请联系小编进行处理。
推荐阅读:
2023第二十三届中山机床模具及塑胶机械展览会(简称:中山机械展)







