桃花源qm花论坛(品茶),凤楼阁论坛官网入口网址,一品楼品凤楼论坛最新动态,风楼阁全国信息2024登录入口

如何以更低的功率输入得到更高的功率输出?

发布时间:2021-12-22 责任编辑:lina

【导读】如果您想更进一步,诸如延时匹配等栅极驱动器特性,能有效地让驱动电流能力翻番。延时匹配指两个通道之间内部传播延迟的匹配,可以通过双通道栅极驱动器的并联输出或将两个通道捆绑在一起实现。例如,TI的UCC27524A具有极其精确的1ns(典型)延迟匹配,可以将驱动电流从5A提升到10A。


当今世界,设计师们似乎永远不停地追求更高效率。我们希望以更低的功率输入得到更高的功率输出!更高的系统效率需要团队的努力,这包括(但不限于)性能更高的栅极驱动器、控制器和新的宽禁带技术。


特别是高电流栅极驱动器,其能够通过降低开关损耗帮助提升整体系统效率。当FET开关打开或关闭时,就会出现开关损耗。为了打开FET,栅极电容得到的电荷必须超过阈值电压。栅极驱动器的驱动电流能够有助于栅极电容的充电。驱动电流能力越高,电容的充放电速度就越快。拉灌大量电荷的能力可以降低功率损耗和畸变。(传导损耗是另一种FET开关损耗,传导损耗取决于内部电阻或FET的RDS(on)值,其中,随着电流通过,FET也会耗散功率。)


换言之,目标便是降低系统内需要高频率功率转化的开关过渡时间。突出该类性能的栅极驱动器规格为上升和下降时间。参见图1。


如何以更低的功率输入得到更高的功率输出?

图1:典型的上升和下降时间图


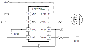
如果您想更进一步,诸如延时匹配等栅极驱动器特性,能有效地让驱动电流能力翻番。延时匹配指两个通道之间内部传播延迟的匹配,可以通过双通道栅极驱动器的并联输出或将两个通道捆绑在一起实现。例如,TI的UCC27524A具有极其精确的1ns(典型)延迟匹配,可以将驱动电流从5A提升到10A。


图2所示为UCC27524A的A通道B通道结合在一个驱动器中的范例。INA和INB输入以及OUTA及OUTB分别为串联结构。由一个信号控制该并联组合。


如何以更低的功率输入得到更高的功率输出?

图2:串联输出UCC27524A以使双驱动电流能力翻番


系统效率提升带来的结果之一便是功率密度的提升。在隔离电源的功率因数校正(PFC)及同步整流块、直流/直流模组及太阳能逆变器等应用中,设计师需受到以相同尺寸(或更小尺寸)实现相同输出功率量的约束,因此,对更高功率密度的需求已经成为一种趋势。


TI的产品组合包括带高电流、快速升降时间和延时匹配的栅极驱动器。参见表1。


如何以更低的功率输入得到更高的功率输出?

表1:高电流栅极驱动器

(来源:中电网)


免责声明:本文为转载文章,转载此文目的在于传递更多信息,版权归原作者所有。本文所用视频、图片、文字如涉及作品版权问题,请电话或者邮箱editor@52solution.com联系小编进行侵删。


推荐阅读:

延长流量计电池寿命的5个优秀实践

聚焦传感器技术 贸泽提供各式传感器技术助力设计创新

如何在功率变换应用中实现可扩展的实时控制资源和可持续的平台开发

大功率电池供电设备逆变器板如何助力热优化

2022年第99届中国电子展邀请函


特别推荐
技术文章更多>>
技术白皮书下载更多>>
热门搜索
?

关闭

?

关闭