【导读】传统的汽车和电动汽车系统都依赖于无数电子设备的有效运行,以实现便利功能以及关键任务功能安全功能。虽然提出了各种各样的要求,但这些不同的应用从根本上要求能够在极端条件下运行,同时提供可靠、高性能的实时响应。
传统的汽车和电动汽车系统都依赖于无数电子设备的有效运行,以实现便利功能以及关键任务功能安全功能。虽然提出了各种各样的要求,但这些不同的应用从根本上要求能够在极端条件下运行,同时提供可靠、高性能的实时响应。
因此,开发人员对一个一致、强大、支持良好且可扩展的平台的需求不断增长,该平台能够帮助简化不断扩大的汽车和电动汽车用例的设计和开发。
本文讨论了Microchip Technology的一系列数字信号控制器(DSC),这些控制器可以满足这些要求,并介绍了这些DSC在汽车和电动汽车系统中必不可少的功能参考设计中的应用。
多样化的设计挑战需要灵活的解决方案
无论是为传统车辆还是电动汽车设计,开发人员都需要解决越来越多的应用问题,包括功率转换子系统、车载无线充电、数字照明系统和电机控制系统,从相对简单的步进电机应用到电动汽车 (EV) 和混合动力汽车 (HEV) 中复杂的再生制动系统。随着对功能安全的关键任务要求,随着汽车制造商努力应对消费者需求和竞争压力,要求在更高的安全性、便利性、功能性和性能方面,设计占地面积和物料清单 (BOM) 要求的重要性不断提高。
为了满足这些要求,该行业已经在几乎每个车辆子系统中都急剧转向数字解决方案。传统乘用车的子系统已经依赖于微控制器(MCU),其运行的软件代码是商用飞机的四倍。[1].
Microchip Technology 的dsPIC33 DSC 系列专为满足这些不同的要求而设计,使用具有专用功能的系列成员。该系列的最新成员dsPIC33C扩展了dsPIC33E和dsPIC33F DSC的性能和功能,适合面向更复杂应用的开发人员。
这些 DSC 基于数字信号处理器 (DSP) 内核,将 MCU 的简单性与 DSP 的性能相结合,以满足对高性能、低延迟、实时功能不断变化的要求,同时保持最小的占用空间和 BOM。利用Microchip广泛的dsPIC33开发板、参考设计和软件开发工具生态系统,开发人员可以利用dsPIC33系列的不同成员来扩展其设计,以提供汽车和电动汽车系统核心的广泛应用。
为汽车和电动汽车设计提供更有效的硬件基础
Microchip的dsPIC33C系列专门设计用于减少许多汽车子系统底层基于软件的高速数字控制环路的延迟并加快执行速度。为了实现这一特性,这些器件集成了 DSP 引擎、高速寄存器和紧密耦合的外设,包括多个模数转换器 (ADC)、数模转换器 (DAC)、模拟比较器和运算放大器。
DSP 引擎的单周期 16 x 16 乘法累加 (MAC)与 40 位累加器、零开销环路和桶形换档等特性可确保高速执行数字控制环路。150 皮秒 (ps) 分辨率脉宽调制器 (PWM)、捕获/比较/PWM (CCP) 定时器、外设触发发生器和用户可编程可配置逻辑单元等外设功能可实现精密控制环路接口的独立操作。
这些器件采用小至 5 x 5 毫米 (mm) 的封装,具有广泛的片上功能,可帮助开发人员实现最小的尺寸和 BOM,以满足时尚汽车系统中对较小器件的要求。这些器件进一步简化了汽车设计,支持多种通信接口,包括控制器局域网 (CAN)、本地互连网络 (LIN) 和高级汽车系统中使用的数字多路复用 (DMX)。此外,这些器件在单核和双核配置中具有不同的内存大小,可提供高级汽车和电动汽车应用所需的可扩展解决方案。
这些器件适用于恶劣的汽车环境,符合 AEC-Q100 0 级标准,能够满足引擎盖下操作的严格要求,并支持 –40°C 至 +150°C 的扩展温度范围。 对于任务关键型汽车设计而言,最重要的是,选定的dsPIC33系列成员具有功能安全功能,可轻松遵守ISO 26262(ASIL A或ASIL B)、IEC 61508(SIL 2)和IEC 60730(B类)等安全规范。这些dsPIC33系列成员集成了专门的安全硬件功能,包括死角定时器、看门狗定时器、故障安全时钟监控、随机存取存储器(RAM)、内置自检(BIST)和纠错码。
对于软件开发,Microchip的MPLAB XC C编译器已通过TüV SUD功能安全认证,并且在某些情况下可以使用诊断软件库。此外,Microchip还提供相关的故障模式,影响和诊断分析(FMEDA)报告和安全手册,作为安全认证过程的一部分。
功能安全认证所需的硬件安全特性和开发能力只是支持基于dsPIC33的传统汽车和电动汽车设计的丰富开发生态系统的一部分?;谄銶PLAB X集成开发环境(IDE),Microchip为不同的应用领域提供了广泛的专业设计工具和库,如下所述。
为了帮助进一步加快dsPIC33系列的开发速度,Microchip提供了丰富的dsPIC33开发板生态系统以及可下载的设计资源,包括白皮书、应用说明和参考设计。在这些资源中,有多个dsPIC33C参考设计涉及几个关键的汽车和电动汽车应用领域,包括无线充电、数字照明、电源转换和电机控制。除了演示 dsPIC33C DSC 在每个领域的使用外,这些参考设计和相关软件还可以作为实施定制设计的起点。
实现用于功率转换的精密数字控制环路
控制环路是许多汽车和电动汽车应用的核心,在这些应用中,它们最关键的用途之一是满足电源转换的基本需求。高效的DC-DC转换在传统汽车系统中仍然很重要,在高压电动和混合动力电动汽车中也至关重要。在这些系统中,200-800 伏电池电压需要安全有效地降低到运行外部和内部照明所需的 12 伏或 48 伏电平,以及用于雨刷器、窗户、风扇和泵的电动机。
在 200 W (W) DC/DC LLC(三个无功元件:两个电感元件和一个电容式)谐振转换器参考设计中[2],单个dsPIC33器件利用其集成的PWM之一驱动控制环路中的半桥MOSFETS,为开关模式电源转换提供紧凑的数字解决方案(图1)。

图 1:Microchip Technology 的 DC/DC LLC 谐振转换器参考设计依靠单个 dsPIC33 DSC 对电源转换设计核心的控制环路进行数字管理。(图片来源:微芯科技)
在图2中,谐振变压器将原边高压(黑线)与MOSFET驱动器(D)的次级12 V电源(蓝线)和dsPIC33 DSC及其他模拟(A)元件的3 V电源隔离。

图 2:dsPIC33 DSC 采用专用外设,有助于简化设计并减少器件数量,这里使用其集成的 PWM 和外设功能来控制外部 MOSFET (D)和其他模拟 (A) 元件。(图片来源:微芯科技)
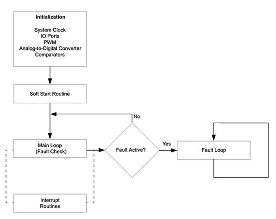
在该设计中,dsPIC33采用基本的中断驱动软件设计来管理数字控制环路。这里,ADC中断用于获取软件比例-积分-微分(PID)控制器中使用的输出电压。另一个ADC中断支持温度检测,而dsPIC33的模拟比较器支持过流和过压事件检测。事实上,PID 控制过程和相关控制回路管理任务的执行为内务管理和监视任务(包括温度监视、故障监视和通信)留下了充足的处理余地,所有这些都在一个简单的固件处理序列中(图 3)。

图 3:dsPIC33 DSC 的高性能 DSP 引擎和紧密耦合的外设使开发人员能够以更简单的代码轻松实现复杂的数字控制环路。(图片来源:微芯科技)
对于希望构建更专业的数字电源解决方案的开发人员,Microchip的数字电源设计套件支持从概念到生成目标dsPIC DSC固件的设计?;?dsPIC DSC 硬件功能,开发人员使用套件的数字补偿器设计工具 (DCDT)来分析控制环路,并使用 MPLAB 代码配置器 (MCC) 生成使用微芯片补偿器库中优化的汇编代码函数的代码(图 4)。

图 4:开发人员可以利用 Microchip 的综合工具链来加速开发数字电源子系统核心的基于软件的优化控制环路。(图片来源:微芯科技)
无论是构建基于标准的设备(如无线电源发射器)还是实施更复杂的定制设备,汽车和电动汽车控制环路应用的设计人员都需要实施紧凑型解决方案,以支持故障监控等基线功能之外的其他功能。另一个参考设计说明了单核dsPIC33CK DSC 在数字控制电源转换的另一个重要应用 — 无线电力传输中提供一组丰富的功能。
实施符合 Qi 标准的无线电源发射器
智能手机和其他移动设备制造商广泛采用的 5 至 15 瓦无线电力传输的无线充电联盟 (WPC) Qi 标准允许消费者通过内置兼容无线发射器将其放置在任何表面上,从而为其支持 Qi 的设备充电。Qi无线电源发射器嵌入在汽车内部表面或第三方充电产品中,为智能手机充电提供了一种便捷的方法,消除了有线电源连接的混乱和潜在的干扰。微芯片技术的 15 瓦 Qi 无线电源参考设计[3]说明了如何使用 dsPIC33 简化此类子系统的实现(图 5)。

图 5:dsPIC33 的集成外设可以独立运行,以加快关键控制任务的速度,从而为在更复杂的应用(如无线电源发射器)中执行用户界面、通信和安全性等其他任务留出处理余量。(图片来源:微芯科技)
该参考设计基于微芯片技术单核dsPIC33CK256MP506 DSC,利用 DSC 的集成功能实现数字控制环路。虽然这种设计基于全桥拓扑结构,而不是上述谐振转换器中使用的半桥拓扑结构,但该器件的多个PWM可以轻松满足这一额外要求。
无线电力发射器通常提供多个射频(RF)线圈用于传输功率,在这种设计中,桥式逆变器通过多路复用器(MUX)连接到三个线圈之一。与全桥逆变器和电压调节前端一样,该设计充分利用了dsPIC33的集成外设来管理线圈MUX开关。
除了控制Microchip的MIC4605和MP14700栅极驱动器外,dsPIC33外设还具有:
通过微芯片MCP2221A USB 桥接器件提供 USB 连接
通过微芯片ATECC608身份验证设备支持符合 WPC 标准的安全存储,Microchip 作为许可的 WPC 制造商证书颁发机构 (CA) 提供该设备
通过微芯片ATA6563 CAN 灵活数据速率 (FD)设备提供 ISO 2622 功能安全就绪的 CAN 连接
此外,该参考设计使用Microchip的MCP16331降压转换器和MCP1755线性稳压器来支持辅助电池电源。
使用这种相对较小的BOM,该参考设计提供了一个Qi就绪解决方案,该解决方案具有无线电源系统的所有关键功能,包括高效率,扩展的充电区域,有用的Z距离(发射器和接收器之间的距离),异物检测以及对领先智能手机中使用的多种快速充电实现的支持。通过构建这种基于软件的设计,开发人员可以轻松添加功能,例如发射器和接收器之间的专有通信协议,以及蓝牙等无线连接选项。
实施紧凑型数字照明解决方案
dsPIC33器件的集成功能在汽车和电动汽车应用中尤为重要,这些应用需要在不干扰车辆线路的情况下添加一些复杂的功能。高强度LED的可用性使汽车制造商能够为外部前照灯和内部照明带来更大的设计感。
然而,这些照明子系统的开发人员通常必须将更多的功能压缩到更小的封装中,同时支持DMX等行业标准,DMX为控制照明设备链提供了通用的通信协议。就像上面提到的无线电源发射器设计一样,一种紧凑型数字照明的设计[4]该解决方案利用了dsPIC33的集成外设(图6)。

图 6:Microchip Technology 的 dsPIC33 DSC 使开发人员能够以最小的占用空间和 BOM 交付复杂的设计,从而将功能不显眼地嵌入到车辆中。(图片来源:微芯科技)
与其他数字电源应用一样,该数字照明设计利用dsPIC33的集成PWM、模拟比较器和其他外设,提供完整、紧凑的数字照明解决方案。与上述设计应用一样,该数字照明解决方案依赖于dsPIC33 DSC的处理能力和外设独立运行的能力,以监视和控制所需的一组外部设备,包括功率器件、收发器、LED等。其他微芯片设计示例展示了dsPIC33 DSC在处理更复杂的数字控制算法和高级电机控制系统方面的高性能处理能力。
通过单个 dsPIC33 DSC 实现先进的电机控制系统
dsPIC33 DSC的性能允许开发人员使用单个DSC来处理核心数字控制环路的执行以及各种辅助功能。事实上,微芯片双电机设计[5]演示了仅使用一个单核 dsPIC33CK DSC 实现一对永磁同步电机 (PMSM) 的无传感器磁场定向控制(FOC)。此设计的关键在于将相移 PWM 信号传送到每个电机控制通道、电机控制 1 (MC1) 和电机控制 2 (MC2) 的逆变器(图 7)。

图 7:由于其高性能处理和集成外设,一个单核 dsPIC33CK DSC 可以支持双电机控制设计。(图片来源:微芯科技)
在这种方法中,dsPIC33CK的PWM被配置为为每个电机控制通道生成所需的波形,并在最佳时刻触发单独的ADC。当每个ADC完成转换时,它会发出中断,导致dsPIC333CK对该组读数执行FOC算法。
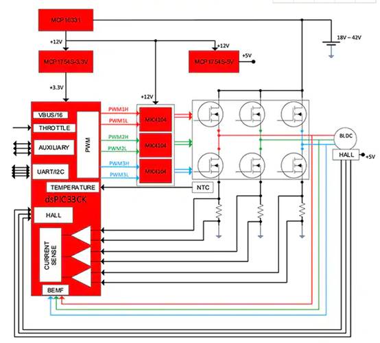
单个 dsPI33CK DSC 还可以处理更强大的电机控制应用。在高性能电动滑板车(E-scooter)的参考设计中,dsPIC33CK控制驱动无刷直流(BLDC)电机的三相逆变器的多个FET和Microchip MIC4104栅极驱动器(图8)。

图 8:使用单核 dsPIC33CK,开发人员只需几个附加组件即可实现强大的电动滑板车电机控制子系统。(图片来源:微芯科技)
电动滑板车参考设计[6]支持无传感器和传感器工作模式,因为它能够监控 BLDC 电机的后部电动势 (BEMF) 以及霍尔效应传感器输出。该设计使用 18 至 24 V 的输入电压源,可实现 350 瓦的最大输出功率。
在此设计的进一步扩展中[7],Microchip展示了在电动汽车和HEV中使用的再生制动的添加,以回收能量,因为电机在高于车辆电池供应的电压水平下产生BEMF。在这里,增强设计使用额外的dsPIC33CK引脚来监控来自制动器的信号。当检测到制动时,dsPIC33CK首先关闭逆变器高边栅极,将回收的电能提升到高于直流母线电压的水平,然后关闭低侧栅极,让电流流回源头。
开发人员可以通过用双核dsPIC33CH DSC取代单核dsPIC33CK来扩展此设计以支持更强大的功能。在这样的设计中,一个内核可以通过最少的代码更改来管理 BLDC 电机控制和再生制动功能,而另一个内核可以执行额外的安全功能或高级应用。使用双核 dsPIC33CH,电机控制开发团队和应用程序开发团队可以单独工作,并无缝集成其控制以在 DSC 上执行。
对于定制电机控制设计,Microchip的motorBench开发套件提供了一个图形用户界面(GUI)工具集,可帮助开发人员更准确地测量关键电机参数,调整控制环路,并在Microchip的电机控制应用框架(MCAF)和电机控制库上生成源代码构建。
结论
使用Microchip Technology的dsPIC33 DSC,开发人员需要相对较少的额外组件即可为传统的汽车和电动汽车应用实现广泛的数字电源设计。单核和双核 dsPIC33 DSC 以丰富的软件工具和参考设计为后盾,为快速开发电源转换、无线充电、照明和电机控制等优化解决方案提供了一个可扩展的平台。
(来源:德州仪器)
免责声明:本文为转载文章,转载此文目的在于传递更多信息,版权归原作者所有。本文所用视频、图片、文字如涉及作品版权问题,请电话或者邮箱editor@52solution.com联系小编进行侵删。
推荐阅读:


