【导读】通过上一篇《仪表放大器的特性与工作电压配置方法》,介绍了仪表放大器内部两级放大电路工作方式,这种结构导致仪表放大器的失调电压、噪声参数与通用放大器的失调电压、噪声参数的评估方式不同,本篇将对此进行分析与仿真。
通过上一篇《仪表放大器的特性与工作电压配置方法》,介绍了仪表放大器内部两级放大电路工作方式,这种结构导致仪表放大器的失调电压、噪声参数与通用放大器的失调电压、噪声参数的评估方式不同,本篇将对此进行分析与仿真。
1 仪表放大器失调电压分析
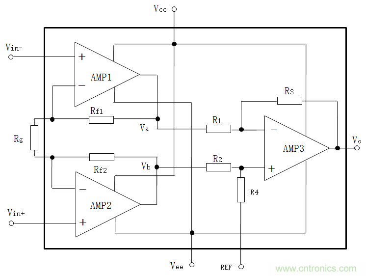
由于仪表放大器内部的两级放大器都存在失调电压,如图3.1中AMP1,AMP2所在的第一级放大器的失调电压,如果折算到输出端,需要乘以电路增益。AMP3所在的第二级放大器的失调电压,如果折算到输入端,需要除以电路增益。

图3.1 仪表放大器结构
上述的第一级放大器的失调电压称为输入失调电压(Input Offset Voltage, VOSI),第二级放大器的失调电压称为输出失调电压(Output Offset Voltage, VOSO)。总输出失调电压Total Vos_RTO为式3-8。
其中,G为增益。这也是仪表放大器在切换增益后,线性误差发生变化的原因。
如图3.10,以AD8421ARZ为例,在25℃环境中,使用±15V供电,输入失调电压最大值为60μV,输出失调电压最大值为350μV。在增益为1倍的电路中,AD8421ARZ输出总失调电压最大值为410uV。在增益为100倍的电路中,总输出失调电压最大值6.35mV。

3.10 AD8421失调电压参数
如图3.11(a),使用LTspice设计AD8421在增益为1倍,供电电源为±15V。如图3.11(b),输出总失调电压的瞬态分析结果为412.292μV,等同于理论计算值。

图3.11 AD8421增益1倍电路的总输出失调电压瞬态分析结果
如图3.12(a),使用LTspice设计AD8421为±15V供电,增益为100倍的电路。输出总失调电压瞬态分析结果,如图3.12(b),为6.353mV,等同于理论计算值。

3.12 AD8421增益为100倍电路的总输出失调电压瞬态分析结果
2仪表放大器噪声分析
仪表放大器的电压噪声有两个来源。一是输入端串联的噪声源ENI,如通用放大器一样。通过电路增益折算到输出端。二是仪表放大器输出端串联的噪声电压源ENO,除以电路增益折算到输入端。如图3.13,在25℃环境中,±15V电源供电时,1KHz处AD8421输入电压噪声密度eni最大值为3.2 nV/√Hz,输出电压噪声密度eno最大值为60nV/√Hz。

3.13 AD8421噪声参数
仪表放大器输入端的电流噪声源也有两个,分别是iN+和iN–。尽管两个电流噪声近似相等。如图3.13,25℃环境中,±15V电源供电时,在1KHz处AD8421电流噪声谱密度in最大值为0.2 pA/√Hz。但iN+和iN–不相关,必须以均方根的方式求和。iN+流过信号源电阻RS的一半,iN–流过信号源电阻RS另一半。产生的两个噪声电压幅度各为INRS的一半。这两个噪声源通过电路增益折算到输出端。
仪表放大器的增益电阻也会产生一个噪声源,通过电路增益折算的输出。
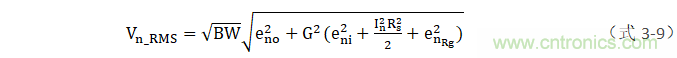
由此仪表放大器总输出噪声的RMS值,为式3-9。

其中,BW为1.57倍的信号带宽。
如图3.14(a),使用AD8421配置为1倍增益(Rg取消)的电路,信号源内阻设置为0,在0.1~10KHz频率内,输出噪声电压RMS最大值约为:


图3.14 AD8421增益为1倍的电路噪声分析结果
噪声分析结果如图3.14(b),AD8421的总输出噪声RMS值为5.59μV小于7.52μV。
如图3.15(a),电路配置为100倍增益(Rg为100Ω),信号源内阻设置为0,在0.1~10KHz频率内,输出噪声电压RMS最大值近似为:
噪声分析结果如图3.15(b),AD8421总输出噪声为34.315μV,小于43.76μV。

图3.15 AD8421增益为100倍电路的噪声分析
综上,在针对仪表放大器的失调电压、噪声参数分析时,根据内部两级放大器的失调电压,噪声以及电路配置的增益折算到输入端、或者输出端进行总失调电压、总噪声的评估。
(来源:放大器参数解析与LTspice仿真,作者:郑荟民)
(来源:放大器参数解析与LTspice仿真,作者:郑荟民)
免责声明:本文为转载文章,转载此文目的在于传递更多信息,版权归原作者所有。本文所用视频、图片、文字如涉及作品版权问题,请电话或者邮箱联系小编进行侵删。




