桃花源qm花论坛(品茶),凤楼阁论坛官网入口网址,一品楼品凤楼论坛最新动态,风楼阁全国信息2024登录入口

如何将底板冷却转换器模块纳入系统设计?

发布时间:2020-10-15 责任编辑:lina

【导读】在设计户外使用的坚固耐用设备时,使其可靠的最佳方法是将其与任何外部环境条件完全密封。然而,虽然这是一个谨慎的步骤,但采用这种方法确实会带来一些设计挑战,其中之一就是如何提供电源能力,尤其是在需要相对较高功率水平的情况下。大多数大功率电源使用强制风冷来消散产生的热量,这种方法在完全密封的产品中是不实用的。
 
在设计户外使用的坚固耐用设备时,使其可靠的最佳方法是将其与任何外部环境条件完全密封。然而,虽然这是一个谨慎的步骤,但采用这种方法确实会带来一些设计挑战,其中之一就是如何提供电源能力,尤其是在需要相对较高功率水平的情况下。大多数大功率电源使用强制风冷来消散产生的热量,这种方法在完全密封的产品中是不实用的。因此,使用底板冷却的电源转换器???-也被称为“砖块”,它们安装在冷墙或产品外壳上,并使用传导冷却,已经变得非常流行。
 
作为组件级电源模块,而不是一个即插即用的解决方案,砖块为户外设备和系统制造商提供了一种低风险的开发方法,通过使用一系列经过验证的、可靠的和现成的电源模块,加快了产品的上市时间,这些??榭捎糜谖斩擞τ么唇ㄒ桓龆ㄖ频牡缭唇饩龇桨?。‘
 
产品可用于AC和DC输入应用。AC输入产品可以是完整的AC-DC解决方案,也可以是用于驱动高输入电压DC-DC砖块的PFC??椤3偈?,AC输入产品需要增加外部高压电解电容器。DC输入产品覆盖了广泛的额定电池电压、车辆电源和更高电压应用,至450VDC左右,以满足PFC??榛蛘鞯缭吹缪?、高压电池解决方案和可再生能源应用的需要。
 
已经发展出一套行业标准尺寸,称为四分之一砖、半砖和全砖,在行业标准的2:1输入全砖封装中可以找到高达700W的额定功率。实现更宽的4:1、8:1甚至12:1的输入范围,以实现系统设计的标准化,覆盖广泛的潜在额定输入电压范围,降低了砖块的功率密度。
 
底板冷却转换器的设计需要一些额外的设计考虑,特别是温度管理和电磁兼容性(EMC)。
 
温度管理
 
砖块内的所有功率耗散元件都与底板热粘合,包括功率晶体管、整流器、变压器和电感。??榈装宓奈露裙芾碇凉刂匾?,它的温度需要维持在终端应用所要求的最坏情况下的最大工作极限以下。冷却方案的热阻特性必须与负载或终端设备所需的功率和??榈男氏嗥ヅ?,后者决定了砖式转换器的耗散功率,以及设备预期工作的最高温度。
 
??樵谧罨登榭鱿赂涸靥跫碌脑诵行使娓窬龆撕纳⒌墓β?。这需要对??樵谒锌赡艿氖淙氲缪狗段Ш褪导矢涸靥跫碌男式凶邢阜治觯皇堑ゴ康馗菽?榈谋瓿菩世醇扑?。见图1。该图说明了??榈男嗜绾嗡媸淙氲缪购透涸乇浠?/div>
 
如何将底板冷却转换器??槟扇胂低成杓??
图1:效率随输入电压和负载变化的例子
 
确定耗散功率的计算方法如下图2所示。
 
如何将底板冷却转换器??槟扇胂低成杓??
图2:计算作为热量散失的废功率
 
在确定了废热/功率之后,下面的简单??槿范嗽诵兴璧娜茸?,ΔT定义为设备的最高工作温度与电源砖块的最高底板温度之差。当使用导热垫或导热油时,从机箱到散热片的热阻通常为0.1?6?2C/W。
 
如何将底板冷却转换器??槟扇胂低成杓??
图3:电源砖块和散热片热???/div>
 
在对流冷却的应用中,散热片的物理尺寸远远大于使用强制风冷或液体冷却的类似解决方案。如果一个以上的底板冷却??榘沧霸谝桓龉餐纳⑷绕?、冷墙或外部外壳上,则所需的总体热阻由所有砖块在最坏情况下的耗散功率之和决定。
 
电磁兼容性
 
底板冷却转换器电源系统设计的另一个关键方面是电磁兼容性,包括防止尖峰和浪涌,以及控制电气噪声排放。最终应用的敏感性要求决定了浪涌和尖峰抑制的程度和复杂性,从简单的无源元件到瞬态电压抑制器(TVS)、气体放电管(GDT),甚至是某些车辆和铁路应用中所要求的主动夹钳设计。特定应用的EMC??榭捎糜诠篮吞酚τ茫庑┮笱细竦挠τ锰峁┑头缦盏某墒旖饩龇桨??;诘缭茨?榈牡缭唇饩龇桨富剐枰实钡娜鄱掀骰蚨下菲鞅;?,以确保安全,通?;剐枰恍┚植康缛菀越档驮醋杩?。
 
电源??槭荼砗陀τ盟得鞴娑怂柙闹怠H欢?,这要由电源系统设计工程师来执行,遵循良好的设计实践,以满足任何爬电和间隙要求,并最大限度地减少寄生电感,以符合EMC要求。
 
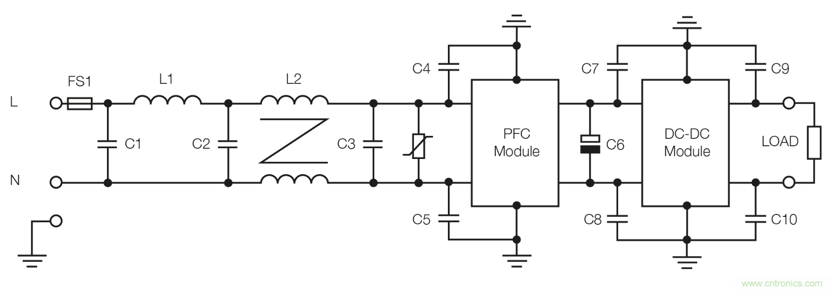
如何将底板冷却转换器模块纳入系统设计?
图4:DC输入系统示意图
 
参照图4,保险丝FS1提供短路输入故障保护。反极性?;び啥蹹1提供。L1、C1、C2以pi型滤波器排列连接,以降低功率开关级内电流快速变化引起的差动噪声。L2、C4和C5组成共模滤波器,以减轻电源转换器内电压快速变化所产生的噪声。电容器C3为电源转换器的开关电流需求提出了一个低阻抗源,TVS1是一个双向瞬态浪涌抑制器,以防止尖峰和浪涌。C6和C7可降低输出端的共模噪声,但对于要求使用低噪声电源的应用,可能需要在输出端增加一个差分滤波器。
 
在设计电源系统布局时,为了保持回路的短小,去耦电容C4、C5、C6、C7应尽量靠近连接引脚和机箱与底板的连接。TVS1、瞬态电压抑制器和横跨输入端的电解电容C3应尽量靠近输入引脚。应避免电源??橄路降腜CB轨道。
 
如果在转换器前使用PFC??椋剐枰桓龈哐沟缃馍⒆暗缛萜鰿6,通常额定电压为450VDC。终端系统所需的保持或穿越决定了电容器的值。
 
如何将底板冷却转换器模块纳入系统设计?
图5:AC输入系统示意图
 
任何额外的组件也需要包括在温度管理设计中,以确保它们保持在其温度和安全限度内。温度会影响电解电容器的寿命,只要降低10摄氏度,使用寿命就会翻倍,因此选择元件设计寿命、温度等级和冷却安排对维持终端设备的预期使用寿命至关重要。使用导热垫和使热敏感元件远离高温部件有助于保持整体系统的可靠性。
 
使用底板对流冷却电源转换??槭茄峡粱肪持忻芊馍璞傅睦硐敕桨福彩切矶嘣耸湎低?、国防应用和桅杆头安装网络设备的常用方案。
 
免责声明:本文为转载文章,转载此文目的在于传递更多信息,版权归原作者所有。本文所用视频、图片、文字如涉及作品版权问题,请电话或者邮箱联系小编进行侵删。
 
 

关闭

?

关闭