桃花源qm花论坛(品茶),凤楼阁论坛官网入口网址,一品楼品凤楼论坛最新动态,风楼阁全国信息2024登录入口

你的位置:首页 > 电路保护 > 正文

如何避免“接地错觉”?工程师该知道的

发布时间:2019-12-16 责任编辑:lina

【导读】在以往的电路理论学习中,您可能了解了许多分析电路的技术。节点电压分析和网孔分析就是其中两种著名的类似技术。在节点电压分析法中,首先需要选择一个节点,把它作为参考节点。这个节点通常被假设具有绝对零电位,我们通常称其为“接地”节点。
  
在以往的电路理论学习中,您可能了解了许多分析电路的技术。节点电压分析和网孔分析就是其中两种著名的类似技术。在节点电压分析法中,首先需要选择一个节点,把它作为参考节点。这个节点通常被假设具有绝对零电位,我们通常称其为“接地”节点。
 
只要不关心电路与其它对象之间的电压关系,一般不会发现这种假设的害处。将多个子电路共用的节点作为接地节点,通常是从数学上简化电路分析的极佳选择。
 
当我们学习电子电路专业课程时,通常会忘记许多电路分析技术,例如叠加、戴维南等效、诺顿等效和网孔分析等,而主要关注一种技术,即节点电压分析(图1)。
 
如何避免“接地错觉”?工程师该知道的
图1:节点电压分析通常简化了电子电路的分析。上图左侧是节点电压分析示例,右侧是同一电路的网孔分析示例。
 
作为一名学生和工程师,经过多年的深入研究,您可能会忘记电子电路理论中的一些基本概念,此时正是致命的错误观念渗入我们思想的时候。
 
常见误解
接地节点经常被误以为是所有电荷的物理入地点。这当然不对。接地节点只是我们个人选择的节点。除了通常是许多子电路的公共节点以外,它没什么特殊之处。而作为一个公共节点不会增加任何特殊的物理属性。接地节点上唯一存储的电荷是一端接地的电容器的负极板电荷。所有其它电荷都在电路中循环,并且永不停歇(图2)。请记住,所有电流都在一个回路中流动,电荷会返回其源极。
 
如何避免“接地错觉”?工程师该知道的
图2:电流电荷在回路中循环,接地节点上唯一存储的电荷(–Q)是接地电容器上的电荷。
 
接地节点是避免噪声的安全港。这也不对,大多数不同的噪声电流都会通过接地节点(图3)。但是,仅对设计良好的接地轨而言,导电轨的阻抗可忽略不计,此时跨轨的噪声电位差几乎为零。
 
如何避免“接地错觉”?工程师该知道的
图3:不同的信号电流和不同的噪声电流通过接地节点。接地轨的低阻抗是确保导电轨中任何两个物理点之间的电位差可以忽略的唯一保证,至少在直流电路分析中如此。
 
人们普遍认为,将两个相互影响的域的接地垫隔离,可以保护安静域免受噪声域的影响。这可能是RF工程师在不知情的情况下所犯的最严重错误之一。在多种情况下,接地垫的分离可能会导致从噪声域输出到安静域输入的严重噪声耦合。您可能会发现这有悖常理,但是当你使用绑定线绘制完整的电路直至PCB层时,这一点会变得清晰,如图4所示。当所有MOS体连接到专用接地垫时,也会产生类似的影响。
 
如何避免“接地错觉”?工程师该知道的
图4:当上图左侧接地垫分离时,从一个域到另一个域的传输信号会变得噪声很大。其分析步骤以紫色圆圈标记。另一方面,如右侧图所示,合并域后,信号得以安全地传输。但是,如果PSRR较差,安静域可能会受影响。
 
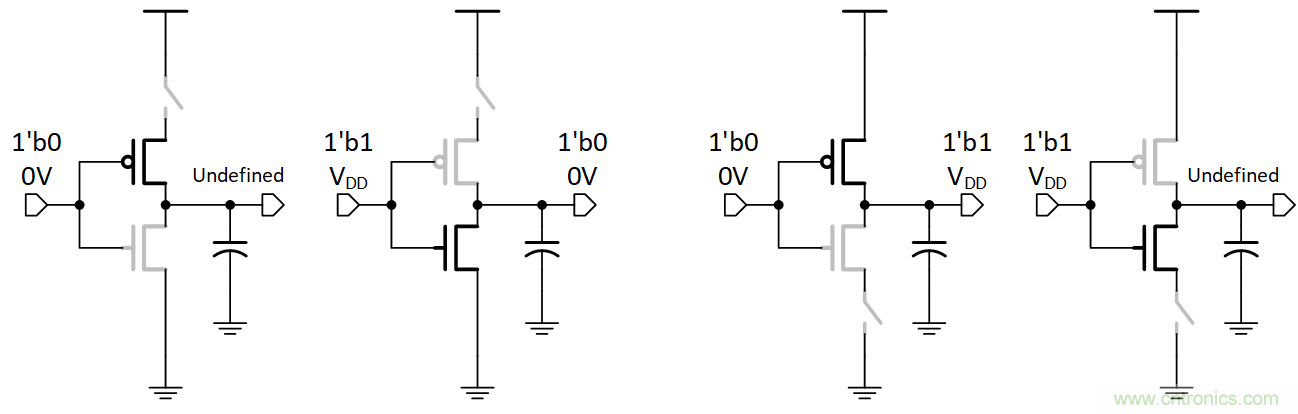
在考虑功耗的数字电路设计中,浮动输出不仅与断开接地路径有关,而且还与断开电源路径有关(图5)。物理设计偏好通常倾向于切换接地路径。这是因为在相同的导通电阻下,将使用面积比PMOS器件小的NMOS器件。
 
如何避免“接地错觉”?工程师该知道的
图5:当电源或地线关闭时,不可避免地可能导致输出电压不确定。而此不确定的输出电压取决于存储在负载电容器上的最后一个工作输出状态、电源与地之间的OFF电阻比,以及不同连接点的漏电流。
 
接地轨和电源轨似乎与时序收敛无关。时序收敛与不同的信元延迟和不同的信号边沿有关。 当接地轨具有相对较高的阻抗时,在电源轨和接地轨之间会产生相当大的IR压降,这会降低有效电源电压,从而增加CMOS单元的延迟。而且,即使电源轨上的平均IR压降微不足道,开关噪声电流也会在接地轨上产生明显的瞬态噪声电压。因此,如图6所示,到达距信号源较远的门的信号沿可以及时有效地“移动”[1]。时移取决于瞬态噪声的大小和极性。对于高上升/下降时间信号,这种影响变得更加明显。
 
如何避免“接地错觉”?工程师该知道的
图6:根据紫色圆圈所示的分析步骤,瞬态电源/接地电流曲线在接地端会产生相似的电压曲线,这会影响信号沿的有效到达时间。大幅增加本地去耦电容器以吸收交流电流曲线,并降低电源/接地轨的阻抗,可以缓解该问题。
 
接地垫是否需要分离?
这是一个棘手的问题,需要详细说明。前述内容可能会给人一种印象,即接地垫分离是一种不良的设计实践,尽管在许多芯片中这可能是一种常见的做法。通常,设计具有低电阻和低电感的单个统一接地,要远远优于设计多个接地轨。多个接地轨会造成一些麻烦,比如多个作用域之间复杂的回流电流路径,以及载有高频电流的大面积环路造成的磁耦合。
 
但是,在某些情况下,接地垫的分离不可避免。例如,假设有一个晶体振荡器和一个带噪声的数字???,它们共享一个接地垫,如图7所示。数字??榇拥缭醇橙≡肷缌?,并通过接地轨和绑定线返回。因此,接地线上会出现明显的电压故障。由于该绑定线与晶体振荡器的地线共用,噪声电压故障会加载到晶振内部节点的晶体纯正弦电压上。
 
如何避免“接地错觉”?工程师该知道的
图7:根据紫色圆圈中所示的分析步骤,噪声块会间接在接地线两端产生噪声电压。由于晶体实际上是具有很好截止特性的带通滤波器,因此在振荡过程中,其每个端子上都存在纯正弦电压。但是,晶体振荡器的内部节点会感测到接地线两端的纯电压和噪声电压的叠加。
 
在需要分离接地垫的情况下,请执行以下操作:
 
尽可能在噪声??橹芪Х胖枚喔鋈ヱ畹缛萜鳎ㄍ?)。这会减少噪声供电电流在芯片外部的传输,从而将??榈嫉绻旒捌涫涑錾喜脑肷缪棺钚』?。
最小化噪声??橛肫渌?榭橹涞牡缙换プ饔?,或仅减小传递的电流。为此,在噪声域中使用具有相对较高输出阻抗的驱动器,在安静域中使用具有高输入阻抗缓冲器的驱动器。
 
如何避免“接地错觉”?工程师该知道的
图8:噪声??槎说娜ヱ畹缛莼嵛樟骶缭春偷氐拇蟛糠諥C电流成分。最小化从噪声域到敏感域的传输电流,可确保最小化噪声的传输。
 
接地节点只是一个为电路分析而定义的节点。所有电流仍在回路中传输,并不会在接地节点处截止。
 
要预测和解决接地相关的问题,只需绘出带所有物理连接的完整电路,而无需定义接地节点,并将不同的电流回路和公共路径可视化。
 
在决定统一或分离不同域的接地垫之前,仔细了解预期的增益和潜在影响。
 
图9所示是一个习题。其左侧显示了一个具有有限漏极阻抗的简单NMOS电流源。那么,看到的电源电压源低频交流阻抗是多少?
 
如何避免“接地错觉”?工程师该知道的
图9:接地节点定义是否会影响输入阻抗值?
 
答案非常简单。物理上保持电路不变,但选择NMOS漏极作为接地节点,而不是NMOS源极,如图9右侧所示,那么阻抗会保持不变吗?千万不要让接地迷惑了您。
(来源:快资讯)
 
 
推荐阅读:
详解大功率陶瓷发射管使用注意事项
射频放大器有哪些主要类型?
三线制变送器接线方法图解
决定着电路板的“生死”,晶振损害如何解决?
浅析 LED 那些事儿
要采购电容器么,点这里了解一下价格!
特别推荐
技术文章更多>>
技术白皮书下载更多>>
热门搜索
?

关闭

?

关闭