【导读】无源滤波器缺点:带负载能力差,无放大作用,特性不理想边沿不陡峭,各级互相影响。
无源滤波器缺点:带负载能力差,无放大作用,特性不理想边沿不陡峭,各级互相影响。
01、RC滤波特征
1)C值的选?。篊不能选的太小,否则负载电容对滤波电路的影响很大,一般IC的输入电容往往有1~10pF的输入电容。C值选的太大,则会影响滤波电路的高频特性,因为大电容的高频特性一般都不好。
2)R值的选取:R值过小会加大电源的负载,R值过大则会消耗较多的能量。
RC滤波电路的最大缺陷就是他不仅消耗我们希望抑制的信号能量,而目也消耗我们希望保留的信号能量。
另外由于受电容高频特性的限制也不能用在太高频的场合,数MHz以上需要用LC滤波器。

02、电容滤波电路
分析电容滤波电路工作原理时,主要是用到了电容器的隔直通交特性和储能特性。
前面整流电路输出的脉动性直流电压可分解成一个直流电压和一组频率不同的交流电,交流电压部分就会从电容器流过到地,而直流电压部分却因电容器的通交隔直特性而不能接地才流到下一级电路。
这样电容器就把原单向脉动性直流电压中的交流部分的滤去掉了。
另外电容滤波电路也可以用电容储能特性来解释,当单向脉动直流电压处于高峰值时电容就充电,而当处于低峰值电压时就放电,这样把高峰值电压存储起来到低峰值电压处再释放。
把高低不平的单向脉动性直流电压转换成比较平滑的直流电压。
滤波电容的容量通常比较大,并且往往是整机电路中容量最大的一只电容器。
滤波电容的容量大,滤波效果好。电容滤波电路是各种滤波电路中最常用一种。
电源滤波电容如何选取,掌握其精髓与方法,其实也不难。
1)理论上理想的电容其阻抗随频率的增加而减少(1/jwc),但由于电容两端引脚的电感效应,这时电容应该看成是一个LC串连谐振电路。
自谐振频率即器件的SFR参数,这表示频率大于SFR值时,电容变成了一个电感,如果电容对地滤波,当频率超出FSR后,对干扰的抑制就大打折扣,所以需要一个较小的电容并联对地,可以想想为什么?
原因在于小电容,SFR值大,对高频信号提供了一个对地通路,所以在电源滤波电路中我们常常这样理解:大电容虑低频,小电容虑高频,根本的原因在于SFR(自谐振频率)值不同。
当然也可以想想为什么?如果从这个角度想,也就可以理解为什么电源滤波中电容对地脚为什么要尽可能靠近地了。
2)那么在实际的设计中,我们常?;嵊幸晌剩以趺粗赖缛莸腟FR是多少?
就算我知道SFR值,我如何选取不同SFR值的电容值呢?是选取一个电容还是两个电容?
电容的SFR值和电容值有关,和电容的引脚电感有关,所以相同容值的0402,0603,或直插式电容的SFR值也不会相同。
3)通过网络分析仪直接量测其自谐振频率,想想如何量测?
知道了电容的SFR值后,用软件仿真,如RFsim99,选一个或两个电路在于你所供电电路的工作频带是否有足够的噪声抑制比。
仿真完后,那就是实际电路试验,如调试手机接收灵敏度时,LNA的电源滤波是关键,好的电源滤波往往可以改善几个dB。
电容的本质是通交流,隔直流,理论上说电源滤波用电容越大越好。
但由于引线和PCB布线原因,实际上电容是电感和电容的并联电路,(还有电容本身的电阻,有时也不可忽略)这就引入了谐振频率的概念:ω=sqrt(1/(LC)) 在谐振频率以下电容呈容性,谐振频率以上电容呈感性。
因而一般大电容滤低频波,小电容滤高频波。
这也能解释为什么同样容值的STM封装的电容滤波频率比DIP封装更高。至于到底用多大的电容,这是一个电容谐振频率参考:
电容值DIP(MHz)SMT(MHz)1.0μF 2.550.1μF8160.01μF25501000pF 80160100pF25050010pF8001600
不过仅仅是参考而已,用老工程师的话说——主要靠经验。
更可靠的做法是将一大一小两个电容并联,因为大电容高频特性差,小电容高频特性好。
一般要求相差两个数量级以上,以获得更大的滤波频段。
03、电感滤波电路

电感滤波电路的原理也和电容器滤波差不多,也是因为电感器的通直阻交特性和储能特性。
从储能方面来解释的话和电容器是一样的原理,从通直阻交特性方面来解释电感器的滤波电路时,电感器是把单向脉动性直流电压分解出来的交流电压部分进行阻碍,而电容器却是短路接地。
电感量越大滤波效果越好,由电感器单独作滤波电路的情况很少,一般会和电容一起组合使用。
04、L形RC滤波电路

L形RC滤波电路就是在普通电容滤波电路中电容器前面加个电阻器,电阻器是串联在电路中,而电容器是并联在电路中,这时电阻器和电容器形成了的L字形状,所以称它们为L形RC滤波电路。
它的滤波原理和滤波效果都和普通电容滤波电路是差不多,这时电容器和电阻器也构成了分压电路,因为电容的容抗很小,所以对交流分量的分压衰减很大,这样交流量通过电容器短路接地,达到滤波的目的。
对于直流电压部分,由于电容器对直流电呈隔离状态,这时电容器对电阻器没有分压作用,直流不会流过电容器。
在这种滤波电路中,如果电阻器的阻值不变时,加大滤波电容的容量可以提高滤波效果,滤波电容的容量越大越好。
如果滤波电容的容量不变,加大电阻器的阻值也可以提高滤波效果,但是滤波电阻的阻值不能太大,因为滤波电阻的阻值太大的话,直流输出电压就会变小。
05、LC滤波与RC滤波比较:
1)LC滤波主要是电感的电阻小,直流损耗小。对交流电的感抗大,滤波效果好。
缺点是体积大,笨重。成本高。用在要求高的电源电路中。
2)RC滤波中的电阻要消耗一部分直流电压,R不能取得很大,用在电流小要求不高的电路中。
RC体积小,成本低。滤波效果不如LC电路。
3)LC滤波一般用在高频电路或电源电路上中 而RC用在低频电路中。
4)LC滤波器应用的频率范围为1kHz~1.5GHz.由于受限于其中电感的Q值,频率响应的截至区不够陡峭。
5)RC滤波器相对于LC滤波器来说,更容易小型化或者集成,LC相对体积就大多了。
6)RC滤波器有耗损,LC滤波器理论上可以无耗损,所以电源部分电路一般都是LC电路。
7)RC比LC的体积要小,成本要底。
8)RC用在低频电路中,LC滤波一般用在高频电路中。

9)RC滤波中的电阻要消耗一部分直流电压,R不能取得很大,用在电流小要求不高的电路中.RC体积小、成本低。
滤波效果不如LC电路; LC滤波主要是电感的电阻小,直流损耗小。对交流电的感抗大、滤波效果好。
缺点是体积大、笨重、成本高。用在要求高的电源电路中。
10)滤波级数越多效果也好,但是带来的是损耗和成本越高,所以不建议超过3级。

11)RC滤波器一般常与运算放大器组合使用,构成有源滤波器,多作为低频信号的滤波。
例如,在锁相环路中作为环路滤波器使用
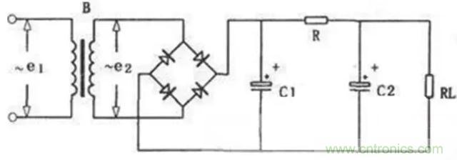
06、π形RC滤波电路
首先从结构上来讲,这种滤波电路是由两个电容器和一个电阻器组成,它实际上就是L形滤波电路中电阻器前面再加个电容器接地就成了π形RC滤波电路。
两个电容同时进行滤波作用,后面一个滤波电容可以把前面电容未滤完整的直流电压进一步滤波,这样两个电容同时进行滤波,滤波效果当然是更加理想。
可以加大第一只滤波电容的容量来提高滤波效果,但第一只滤波电容的容量不能太大。
因为刚开机接通电源时,第一只滤波电容容量太大的话充电时间会太长,这一充电电流是流过整流二极管的,当充电电流太大、持续时间太长时,会损坏整流二极管。
所以采用这种π形RC滤波电路时,可以使第一只电容容量略有减少,通过调整后面的L形RC滤波电路来提高滤波效果。
07、多节π形RC滤波电路
多节π形RC滤波电路就是在普通π形RC滤波电路后面再接一个L形RC滤波电路形成多节π形RC滤波电路。
其滤波原理和上面普通π形RC滤波电路一样,只是这种滤波电路会有多个直流电压输出端,越是后面的输出端的直流电压滤波效果越好。
第一个滤波输出端电压最高,最后一个滤波输出端电压最低,这主要是因为各节电阻器都有电压降。
多节π形RC滤波电路是整机电路中用得最多一种滤波电路。
08、π形LC滤波电路
这种滤波电路与普通π形RC滤波电路在结构上基本上是一样的,只是将电阻器更换成电感器而已。
因为电阻器对直流电和交流电存在相同的电阻,而电感器对交流电感抗大,对直流电感抗小,这样既可以提高交流滤波效果,还不会降低直流输出电压,因为电感器对直流电不存在感抗,不会像电阻器那样对直流电也存在电压降。
电感器的通直阻交特性是这种滤波电路的最大优点,但是电感器的成本高所以这种滤波电路没有π形RC滤波电路使用得多。





