桃花源qm花论坛(品茶),凤楼阁论坛官网入口网址,一品楼品凤楼论坛最新动态,风楼阁全国信息2024登录入口

你的位置:首页 > 电路保护 > 正文

ESD器件对高速信号的影响是什么?

发布时间:2019-01-04 责任编辑:lina

【导读】电子产品的应用随着可见,那么电子产品的静电防护成为了电子产品设计中必不可少的工作。在有外部接口的电子产品中,几乎都会有ESD防护器件。
 
电子产品的应用随着可见,那么电子产品的静电防护成为了电子产品设计中必不可少的工作。在有外部接口的电子产品中,几乎都会有ESD防护器件。
 
ESD器件对高速信号的影响是什么?
 
高速电路设计的系统工程师或者硬件工程师必须仔细选择在设计中所需要的所有元器件,选择合适的ESD?;ぴ途哂斜纫郧案蟮奶粽叫裕蛭狤SD器件在一些高速电路接口上已经变得不再是一个简单的ESD器件,还包含了杂散的寄生参数,以及安装到PCB板上时的寄生电感等参数。如下图左是一个典型的ESD?;て骷?,右图是安装在PCB板上的一个简化的等效电路图:
 
ESD器件对高速信号的影响是什么?
 
显然电路变得更加的复杂啦。这里还没有计算ESD器件的IO电容。下图是某TVS管的datasheet中标识的IO寄生电容:
 
ESD器件对高速信号的影响是什么?
 
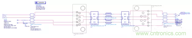
下面以大家都非常熟知的USB3.0为例子,在ADS中搭建一个仿真的原理图(使用ADS的example即可):
 
ESD器件对高速信号的影响是什么?
 
仿真获得的眼图如下图【】所示:
 
ESD器件对高速信号的影响是什么?
 
 在原始的原理图中添加一个防ESD的TVS管的S参数之后,原理图如下图所示:
 
ESD器件对高速信号的影响是什么?
 
其它条件都保持与前面一样,仿真获得的眼图如下图【】所示:
 
ESD器件对高速信号的影响是什么?
 
从眼图上看,两者有明显的差别,再观察其测量项,显然,带ESD器件TVS管的模型时,其结果更差。在此文中虽然结果还是符合USB3.0的规范要求,但是已经变得很差,如果在没有考虑TSV管的影响下结果就很差,那么在加上TVS管之后,很有可能就会导致结果不满足设计的要求。
 
下图是一个TVS管器件的S参数:
 
ESD器件对高速信号的影响是什么?

显然,当信号速率比较低时,其损耗比较小,但是随着速率的提升,显然损耗会变大很多。虽然目前很多公司都无法提供ESD器件的S参数,但是对于高速电路而言,这确实是需要考虑的影响因子之一。所以在选择器件时,不仅仅要看器件的防护等级,还需要注意其寄生效应。
 
 
 
 
推荐阅读:
什么是高速串行与并行总线?
振动传感器如何选型?
解析PCBA组装中PCB的断路缺陷的几种原因
分析放大电路的频率特性
一“粘”二“包”,包装胶带打造多样化的用户体验
要采购传感器么,点这里了解一下价格!
特别推荐
技术文章更多>>
技术白皮书下载更多>>
热门搜索

关闭

?

关闭