【导读】以下分别介绍可控硅调速电路,电磁调速电机控制图,三相四线电度表互感器接线,能耗制动,顺序起动,逆序停止,锅炉水位探测装置等34种自动控制原理图。
1. 可控硅调速电路

2. 电磁调速电机控制图

3. 三相四线电度表互感器接线

4. 能耗制动

5. 顺序起动,逆序停止

6. 锅炉水位探测装置

7. 电机正反转控制电路

8. 电葫芦吊机电路

9. 单相漏电开关电路

10. 单相电机接线图

11. 带点动的正反转起动电路

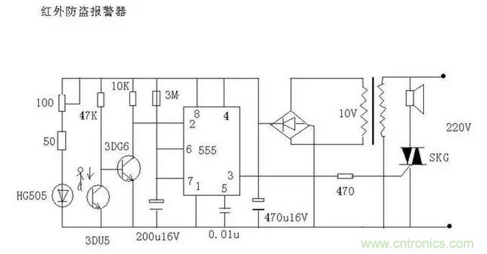
12. 红外防盗报警器

13. 双电容单相电机接线图

14. 自动循环往复控制线路

15. 定子电路串电阻降压启动控制线路

16. 按启动钮延时运行电路

17. 星形 - 三角形启动控制线路

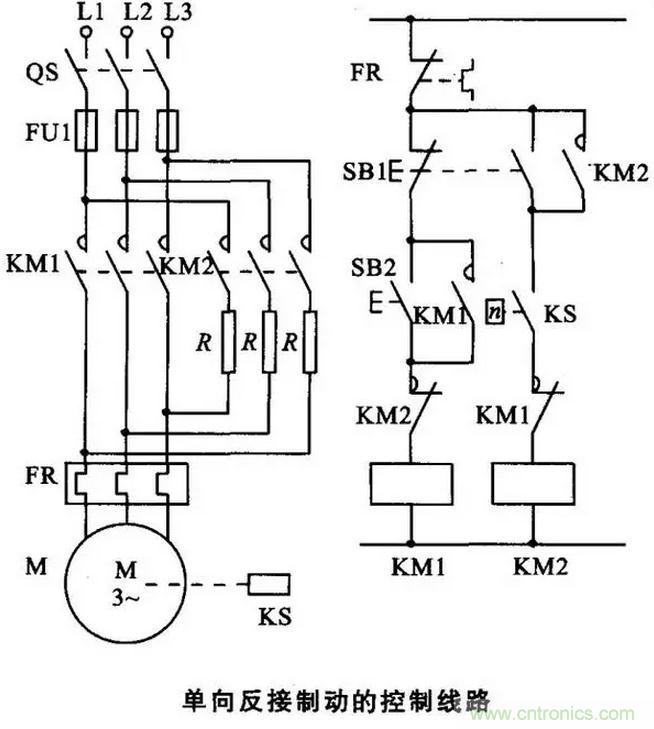
18. 单向反接制动的控制线路

19. 具有反接制动电阻的可逆运行反接制动的控制线路

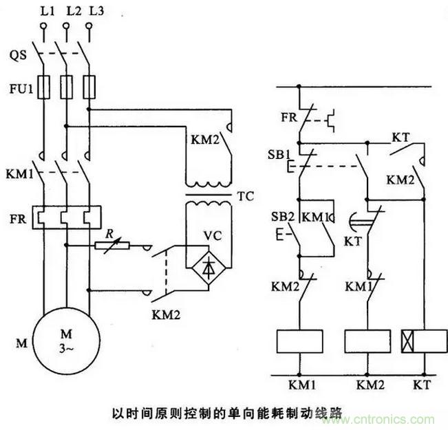
20. 以时间原则控制的单向能耗制动线路

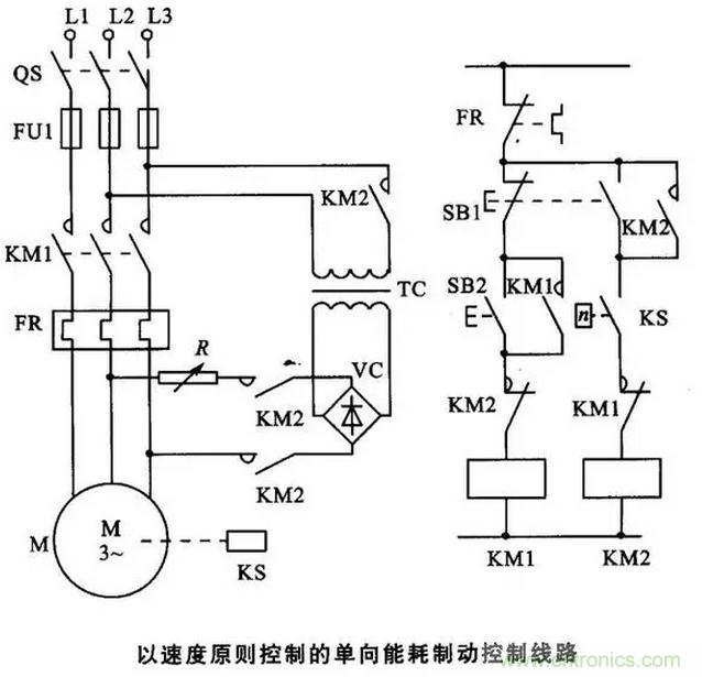
21. 以速度原则控制的单向能耗制动控制线路

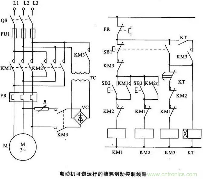
22. 电动机可逆运行的能耗制动控制线路

23. 双速电动机改变极对数的原理

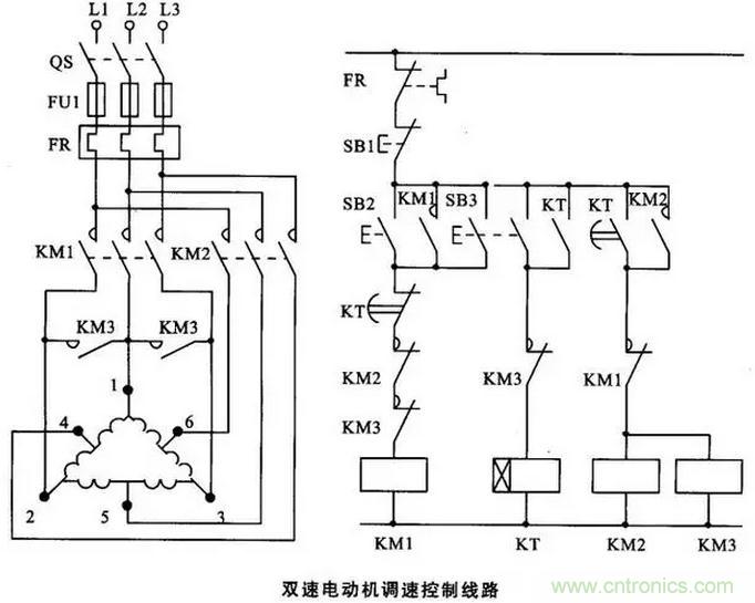
24. 双速电动机调速控制线路

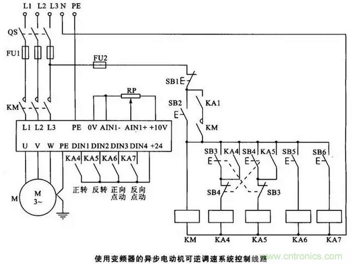
25. 使用变频器的异步电动机可逆调速系统控制线路

26. 正确连接电器的触点

27. 线圈的连接

28. 继电器开关逻辑函数

29. 三相半波整流电路图

30. 三相全波整流电路图

31. 三相全波6脉冲整流原理图

32. 六相12脉冲整流原理图

33. 负载两端的电压

34. 直流调速原理功能图




