【导读】机器视觉系统利用非常短的强光闪烁产生高速图像运用于各种数据处理应用。比如,快速移动的传送带通过机器视觉系统进行快速标签和缺陷检测。红外和激光LED闪光灯常用于近程和运动检测机器视觉。安全系统发出高速、难以察觉的LED闪光灯来检测运动,捕获和存储安全影像。
所有这些系统都存在的一个挑战,即产生非常高的电流和短时间(微秒)LED相机闪光波形,这些波形可能散开在较长时间内,例如100 ms到1 s以上。产生间隔较长时间的短时LED闪光方波并非易事。当LED(或LED串)的驱动电流上升到1 A以上,并且LED开启时间缩短到几微秒时,挑战难度进一步加大。许多具有高速PWM能力的LED驱动器可能无法有效处理较长关断时间和短时间的高电流,而又不降低适当处理高速图像所需的方波质量。
专有LED闪光灯
幸运的是,LT3932高速LED驱动器可为高达2 A的LED串提供机器视觉相机闪光灯,关断时间可以长达1秒、1小时、1天或更长时间。LT3932的特殊相机闪光灯功能允许其保持输出电容和控制环路充电状态,哪怕是在长关断时间内。对输出和控制环路电容的状态进行采样后,LT3932继续在长关断期间对这些元件进行涓流充电,以补偿通常都会有的漏电流,而这是其他LED驱动器未予考虑的。
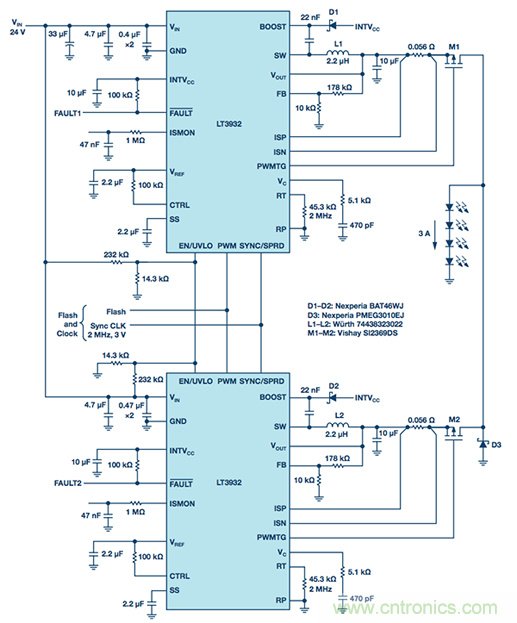
LT3932的专有闪光技术可以扩展,驱动器可以并联以提供更高的LED闪光电流。所需的闪光形状和完整性保持不变。图1显示了并联两个驱动器以支持3 A相机闪光灯是多么容易,高达4 A的设计也是可行的。

图1. 相对于标准PWM调光频率,并联LT3932 1.5 A LED驱动器产生具有长关断时间的3 A机器视觉LED脉冲
机器视觉系统的LED闪光灯要求远远高于标准PWM调光驱动器所能达到的要求。也就是说,大多数高端LED驱动器设计用于在至少100 Hz的PWM频率下提供PWM调光亮度控制。这是因为,若频率较低,哪怕LED波形是方形且可重复的,人眼看到的也是令人讨厌的闪烁或频闪。在100 Hz时,理论最大关断时间约为10 ms。
在10 ms关断时间内,如果设计正确,LED驱动器会损失极少输出电容电荷,使其在大约相同的状态下启动控制环路,从而结束最后一个PWM导通脉冲。电感电流和下一个LED PWM导通脉冲的快速响应和斜坡上升可以很快且可重复,并且启动时间极短。较长关断时间(频率低于100 Hz时)可能会导致输出电容因漏电而损失电荷,从而使LED重新开启时无法快速响应。
并联LED驱动器以提供更高电流
LED驱动器充当电流源,调节通过发光二极管发出的电流。电流仅沿单一方向流向输出,因此可将多个LED驱动器并联起来,其电流汇总后通过负载。电流源不需要防范电流通过一个转换器反向流动,也无需担心输出不匹配。另一方面,电压调节器本身并不擅长均流。如果它们都试图将输出电压调节到某一点,并且其反馈网络存在细微差异,则调节器可能会吸收反向电流。
LED驱动器会保持其输出电流不变,无论其他驱动器是否提供额外电流并汇总在输出负载上。这使得并联LED驱动器非常简单。例如,图1所示两个并联LT3932 LED驱动器构成的LED闪光灯系统能以3 A高效驱动4个LED,10μs短脉在机器视觉系统所定义的较长期间内冲散开来。在PWM导通时间内,每个LT3932转换器产生总串电流的一半;在PWM关断时间内,转换器关闭并保存其输出状态。关断时间可短可长,对闪光波形的重复性没有影响。

图2. 无论PWM关断时间是多少,图1所示并联LED驱动器的3 A相机闪光波形看起来相同。波形显示,(a) 10 ms之后和(b) 1 s之后的10μs脉冲是相同的。经过一天或更长的PWM关断时间之后,LT3932 LED闪光波形看起来也相同。
在长关断期间,并联相机闪光灯应用几乎与单个转换器一样简单。转换器观察最后一个PWM导通脉冲结束时的共享输出电压,让输出电容充电至该状态并保持,即使在长关断时间内也如此。
每个转换器将其PWM MOSFET与共享负载断开连接,并向其输出电容供应电流以补偿泄漏的能量,使该电容充电至接近最后电压状态并保持。这些电容在长关断时间内发生的任何泄漏都可以通过少量维持电流来补偿。当下一个PWM导通脉冲开始时,每个转换器的PWM MOSFET导通,输出电容以与最后一个脉冲大致相同的状态启动,无论是经过了10 ms还是一整天。
图2(a)和2(b)显示了LT3932并联LED驱动器以3 A驱动4个LED,机器视觉相机脉冲为10μs。无论是10 ms PWM关断时间(100 Hz)还是1 sPWM关断时间(1 Hz),LED脉冲都很陡峭且快速,这对于机器视觉系统是非常理想的。
实现更高电流亦可行
并联LED驱动器不限于两个转换器。三个或更多转换器也可以并联在一起,产生具有陡沿的更高电流波形。该系统没有主器件或从器件,因此所有转换器都提供相同量的电流并平均分担负载。建议所有并联LED驱动器转换器共享相同的同步时钟并保持同相。这样可确保所有转换器的输出电容纹波具有大致相同的相位,故而纹波电流不会反向流动或在不同转换器之间流动。PWM脉冲波形与2 MHz同步时钟保持同相很重要。这样可确保LED闪光波形保持方形且无抖动,从而产生最佳图像处理结果。
LT3932演示电路(DC2286A)设计为通过一个或两个LED(作为降压LED驱动器)驱动1 A的LED电流。如图1所示,它很容易进行更改和并联,以实现更高电流、更高电压或并联运行。图4显示了如何将两个这样的电路轻松连接在一起,从24 V输入以10μs、3 A脉冲驱动4个LED。出于测试目的,脉冲发生器可用于提供同步时钟信号,如图4所示。在量产机器视觉系统中,可利用时钟芯片生成同步时钟信号和PWM脉冲。如需更高电流脉冲,可使用相同的并联方案添加更多演示电路DC2286A转换器。

图3. 工业传送带上的机器视觉例子。检测系统以多种不同速度移动,但闪光技术必须快速而清晰。


图4. 两个DC2286A LT3932演示电路可轻松并联,以创建图1所示的3 A至4 A机器视觉LED闪光灯应用。
结语
机器视觉系统可以使用并联LED驱动器来创建自动图像处理所需的快速、方形、高电流波形。通过并联转换器,LT3932 LED驱动器的专有相机闪光灯技术可以扩展到更高的电流。采用并联LT3932转换器,即使关断时间较长,也可以实现3 A和更高的微秒级脉冲。无论LED闪光之间的关断时间有多长,LED相机闪光波形都能保持方形且无抖动。
推荐阅读:





