【导读】在设计LED驱动电路时必须要充分考虑并做好?;ご胧?,从而提高电路的可靠性,降低故障发生率, 本文下面就LED驱动电路的防护进行简单的探讨。希望能帮助到工程师朋友们。
LED灯具有高效、可靠、低耗能等特点,有着非常广泛的用途,常用来做照明、显示、信号灯等等。 但由于LED使用环境的复杂性,尤其是当LED是用在户外时,其驱动电路非常容易遭受到过电压和过电流的冲击而造成故障或损坏,引发不必要的财产损失甚至是人员伤亡,因此在设计LED驱动电路时必须要充分考虑并做好?;ご胧佣岣叩缏返目煽啃?,降低故障发生率, 下面就LED驱动电路的防护进行简单的探讨。
LED驱动电路一般由几个部分构成, 包括AC输入、整流,、DC/DC转换、等???, 根据各个??榈缪购偷缌骷翱赡茉馐艿降睦擞壳榭龅牟煌枰挚醋鲇姓攵缘姆阑?。
1、LED驱动电路浪涌保护应用

在交流电源AC输入端浪涌?;し桨?,可以采用压敏电阻(MOV) 或加气体放电管(GDT/SPG)组合来进行设计。在有接地的情况下,可以采用如图1差共模同时防护的理念,在L-N之间并联压敏电阻(MOV),可以有效地抑制差模所产生的浪涌过电压,起到对后级电路?;?/a>,在L/N-PE之间分别采用MOV 或MOV+GDT/SPG对地的电路连接方式可以有效的将共模浪涌能量泄放到大地, 防止浪涌引入到后级电路而造成损坏;如果在电源没有接地线情况下,如图2则在L-N线间可直接并联压敏电阻进行差模防护即可。为了避勉MOV保护元件在防护失效之后,出现短路失效着火燃烧的可能性,可以使用TMOV或PMOV进行?;ぁU攵陨厦?MOV交流耐受电压选择至少要高于线路最大交流工作电压1.2~1.4倍,以避勉误动作,在有同时使用放电管GDT/SPG时,放电管击穿电压的下限值必须至少高于电路的最大峰值电压,耐受电流必须根据自身浪涌等级的需求选择不同电流等级,以符合于浪涌测试标准的要求。
2、AC/DC后防护电路示意图

在有交流经过整流后,后端直流电路中的芯片对过压和过流非常敏感,芯片易受损坏,如图3所示,经整流之后并联瞬态抑制二极管TVS, 在有过压产生时,TVS会以皮秒级的反应速度动作而把过高电压钳制在一个安全的范围内,从而?;ず蠖诵酒馐芄沟某寤?。异常电流可以通过在电路中设计自恢复保险丝PPTC进行防护,PPTC在过流产生时阻抗能迅速的变大,从而有效地阻断异常电流,直至故障排除PPTC就可继续恢复低阻状态,使电路能继续恢复到正常工作状态。TVS选用时截止电压一般为正常工作电压峰值的1.2~1.4倍即可,TVS功率大小要根据过压的能量选择合适的等级。PPTC选择要结合电路工作电流及电压进行参考以及环境温度也是影响PPTC选择一个重要关键指标,PPTC的保持电流会随着应用环境温度的升高而降低。PPTC在电路中的位置一般串联在TVS前端,这样PPTC不仅可以对电路芯片有效的起到保护作用同时又可以对TVS管起到一定?;ぷ饔茫梢源蟠蟮奶岣逿VS管的使用寿命。
3、LED直接驱动电路防护示意图

LED发光的亮度是由通过LED的电流大小来控制, 不稳定的电流又极易烧坏LED,如图4在DC/DC??楹罂梢栽诘缏分写懔鞫芾椿竦梦榷ǖ牡缌?,,这样不仅可以使LED获得稳定的亮度,,又不至于因电流的不稳定而烧坏LED。低功率的LED灯工作电流一般为10mA到30mA,大功率的LED灯工作电流从200mA到1400mA不等,可以根据所需要的工作电流选择型号合适的恒流二极管。由于LED灯也易遭受到静电放电过压的干扰受损, 因此DC/DC电路后端的LED灯也需要做一定的有效过压防护,一般采用TVS管就可以。
[page]
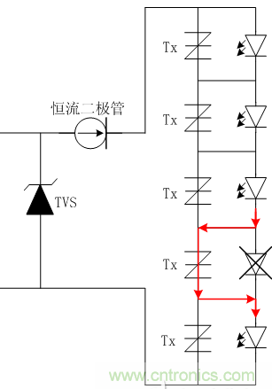
4、LED灯串起防护示意图
当多个的LED灯通过串联的方式进行连接时, 如图5所示,一旦出现LED灯出现失效开路故障,整个LED灯都会因为此故障而影响到其它LED灯正常工作,为了解决这个问题, 可以针对每个LED灯上并联一个防开路的LED?;て骷x,这样就可充分的提高每个LED的使用效率,当单个LED出现失效开路故障时, 与之并联的LED开路?;て骷x会立即导通, 使之可持续的维持处于通态,从而保证了电路中其它串联的LED不因单颗LED的开路故障而熄灭,但此防护措施成本相对比较高。

综上所述, LED驱动电路一般由AC输入、整流,、DC/DC转换、等??樽槌?,从而一个LED驱动电路大致整体的防护方案可以参考如图6所示:
图6 LED驱动电源整体防护示意图

在实际应用中,浪涌?;ぴ秃诺难≡裼氲缏返墓ぷ鞯缪沟缌?,电路要做的雷击浪涌测试等级标准,工作环境, 芯片的参数等诸多因素有着密切的关系, 因此在考虑和设计LED驱动电路防护时,必须要进行综合的考量分析,才能有针对性的设计出比较合理的防护方案。



