桃花源qm花论坛(品茶),凤楼阁论坛官网入口网址,一品楼品凤楼论坛最新动态,风楼阁全国信息2024登录入口

如何使用数字隔离器简化隔离系统设计

发布时间:2013-07-03 来源:ADI 责任编辑:eliane

【导读】工业环境中的测量器件往往需要进行隔离以确保安全。利用数字隔离器,可以优化隔离系统设计、降低功耗、保证系统性能,同时无需借助额外的设计裕量来补偿缺失或不完整的器件规格。本文将介绍使用数字隔离器进行隔离测量仪器的设计。

隔离系统设计简介

设计隔离测量仪器颇具挑战性,有时甚至会令人沮丧不已。隔离前端可以?;び没馐懿饬肯低持锌赡艽嬖诘闹旅缪沟纳撕?,同时允许工程师在高共模电压下进行精确的测量。图1所示为此类测量的一个典型示例。在高压燃料电池或电池组中,了解单个电池的电压有助于确保系统的安全运行,同时可以最大限度地延长电池寿命。在确定单个电池的电压时,我们必须在高达数百伏特的共模电压下进行测量。在用热电偶测量载流导体的温度时,会出现类似的情况。在本例中,系统必须具备测量毫伏级信号分辨率的能力,同时抑制高电平的60 Hz共模噪声,并保护操作员不受任何危险电压的伤害。

最初人们用隔离放大器来解决这个问题,但随着测量带宽和分辨率的增长,这种解决方案已经过时。现在,执行此类测量的最精确、最经济、最高效技术是隔离整个测量前端(包括模数转换器(ADC)),并对系统其余部分实施隔离串行链路,如图1所示。该链路可以是一个局部总线(如SPI),也可以是工业协议(如RS-485),用以将测量数据长距离传输至控制器单元。

图1:用隔离前端测量高压电池组中单个电池的电压
图1:用隔离前端测量高压电池组中单个电池的电压

数字隔离器可靠性设计

直到大约10年前,光耦合器仍然是隔离数字信号的少数可行解决方案之一。然而,如果问一问不得不用光耦合器进行设计的工程师,您就会了解到,用光耦合器开发高效、可靠的系统是多么的困难,尤其是需要将成本降至最低时。光耦合器使用LED来产生跨越隔离栅的光,以接通和关闭光电晶体管。在用光耦合器进行设计时,必须保证LED能产生足够的光来接通接收光电晶体管,同时,输出上升和下降时间也要足够快,以支持目标频率下的操作。光耦合器最重要的一个规格是电流传输比(CTR)。CTR是光电晶体管上出现的集电极电流与通过LED的电流的比值。

光耦合器CTR不但拥有极宽的容差,而且性能会随着时间和温度而下降。为了确保光耦合器能在高温下使用数年之后继续工作,工程师必须假设最差情况下的CTR,这本身就极具挑战性,因为光耦合器数据手册只列出了室温下的CTR规格。例如,典型光耦合器的规格表列出了25°C下50%–600%的保证CTR。另外,大多数数据手册都包含典型图表,显示80°C时的CTR仅为20°C时的CTR的大约50%。事实上,没有数据手册会列出85°C时的最小CRT,因此,您必须对该值做出假设。另外,有些研究对CTR随时间发生的下降进行了模拟,但该规格同样未列于数据手册中,因此,您必须决定增加多少额外的设计裕量,以保证最终产品能在预期寿命范围内可靠地运行。设计一个鲁棒的隔离器电路意味着,您必须做出许多工程设计假设,需要在增加的功耗和降低的工作速度之间取舍,留出足够的裕量以便产品在整个寿命期间可靠运行。

数字隔离器使用非光学方式来横跨隔离栅发送数据。例如,ADI公司的隔离器采用微变压器技术来横跨隔离栅发送脉冲,不存在与光耦合器相关联的时间和温度下降效应。这样,可以针对器件的整个工作温度范围发布保证最低和最大功耗、传播延迟和脉冲失真规格。有了完整的规格,就不需要在您的工作条件下对光耦合器进行广泛的特性测试,可以直接使用数据手册中的数据来计算最差情况下的系统性能。您只用看看数字隔离器的保证传播延迟、偏斜和功耗,即可利用这些数据来计算顶层系统时序规格,就像任何标准数字集成电路一样。也可使用其他非光学技术,例如容性、射频(RF)和巨磁阻(GMR)耦合。

表1:ADI公司ADuM140x系列数字隔离器的监管机构认证
表1:ADI公司ADuM140x系列数字隔离器的监管机构认证
 

由于磁性数字隔离器大部分功率消耗于从一个状态切换至另一状态时,故功耗与工作频率呈比例关系。因此,处于空闲状态或者开关速度极低的通道功耗非常小。一旦已确定应用的最大串行时钟速率,即可设计电源来提供支持该速率的充足电流。在利用光耦合器进行设计时,必须确保LED处于关闭状态时电路始终处于空闲状态,以将功耗降至最低。

光耦合器技术进入市场已超过30年;一些工程师对转向新的隔离器技术保持谨慎。大多数制造商都要将产品提交监管机构批准,并清楚展示其隔离器通过了哪些标准。诸如ADI公司数字隔离器的器件均以聚酰亚胺为绝缘体,这种材料也用于许多光耦合器之中。在某些情况下,它们是按照与光耦合器相同的安全标准进行测试,而在其他情况下(如VDE V 0884-10),则专门针对数字隔离器制定了具体标准。例如,表1展示了ADuM140x系列隔离器的机构认证。

其他问题涉及数字隔离器承受过压浪涌的能力,以及它们对共模电压和磁场干扰形式的瞬变的抗干扰能力。幸运的是,借助聚酰亚胺绝缘材料,ADI公司的数字隔离器可以承受最高6 kV的浪涌达10秒。由于隔离栅上只有极低的寄生电容,因此,磁性隔离器相对于其他技术还具有极佳的共模瞬变抗扰度(CMTI)。例如,典型高速光耦合器的CMTI规格为1至10 kV/_s,而磁性数字隔离器可抑制35 kV/_s以上的共模瞬变。
[page]
乍一看,对磁场干扰的担心似乎非常合理,因为采用微变压器的隔离器利用磁场来横跨隔离栅发射脉冲。有人可能认为,足够强的磁场可能会干扰脉冲,从而导致输出错误。然而,由于变压器及其空芯的半径非常小,因此只有非常大的磁场或极高的频率才能产生故障。图2所示的最大容许电流和频率仍可以保证AD344x隔离器的输出无故障。例如,只有超过500 A(1 MHz,距离器件5 mm)的电流才可能触发故障输出。理论上,产生错误输出所需要的幅度和频率组合远远超过了绝大多数应用的范围。

图2:ADuM344x可保证无错运行的最大容许电流和频率
图2:ADuM344x可保证无错运行的最大容许电流和频率
 

数字隔离器的高速运行

当隔离测量系统使用高采样速率时,用光耦合器隔离串行总线可能是比较困难的任务。接收器光电二极管的寄生电容限制了光耦合器传输数字信号的速度。您可以通过增加来自LED的光量来提高该寄生电容的充电速度,但这样做会增加功耗。另外,很少有光耦合器在每个封装内只沿同一方向提供两个以上的通道,而且通常不包括与通道间匹配相关的时序规格。虽然假定同一封装中的光耦合器之间具有良好匹配合乎逻辑,但缺少印制的规格意味着您必须做出工程设计假设。与依赖非印制规格的情况相同,大多数谨慎的工程师会选择留出充足的设计裕量,工作性能远远低于采用单个光耦合器时数据手册指示的性能。

使用数字隔离器的另一优势是,产品可采用4通道器件形式,保证速度最高可达150 Mbps。另外,所有数字隔离器制造商都在数据手册的时序部分提供了保证通道间匹配规格。例如,ADI公司的ADuM344x隔离器在整个工作温度范围内的保证通道间传播延迟失配小于2 ns。实际使用中,这意味着可以在数据手册列出的速度下使用数字隔离器,而无需针对较大或未知的器件间或通道间偏斜来下调系统性能。

数字隔离器的集成

由于数字隔离器技术兼容标准CMOS工艺,因此,集成额外的功能以简化系统设计相对较容易。例如,传统的热电偶测量器件可能用多个光耦合器来实现低速SPI接口,并用具有驱动器和调节器的隔离变压器来为隔离前端供电。利用集成隔离电源的数字隔离器( 如ADuM5401),整个隔离系统成为带四个数据通道和隔离电源的单个集成电路。与使用分立隔离器和隔离电源相比,这种方式提高了可靠性,节省了大量电路板空间,降低了成本。

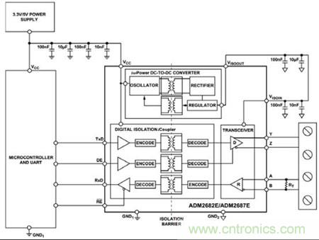
图3:可以用单个ADM2682E实现全双工、隔离式RS-485接口
图3:可以用单个ADM2682E实现全双工、隔离式RS-485接口

许多仪器内置隔离式RS-485端口,用于远程监控或控制。几年前,实现这样的隔离端口不但需要为数据线路配置隔离器,而且需要兼容RS-485差分信号和电源的收发器。图3显示了像ADM2682E这样的单个IC如何将所有功能集成到单个封装之中。

总结

过去,设计隔离式测量设备是一种昂贵、困难、有时甚至令人沮丧的任务,因为光耦合器存在诸多的技术问题。在过去几年中,数字隔离技术的进步大大简化了这一任务。数字隔离技术具有成本低、性能高、易用、集成度高的特点,有助于工程师按时完成开发进度。另外,监管机构认证以及承受高干扰水平的能力使其非常适合工业测量系统中常见的长寿命产品。

相关阅读:
Linear专家讲解:基于LT8300的隔离型反激式转换器设计
http://www.5r3h.cn/power-art/80020871
基于AD7280A完全隔离式锂电池监控系统设计
http://www.5r3h.cn/power-art/80021001
第四讲:隔离式LED驱动电源方案的新探索
http://www.5r3h.cn/couple-art/80016429
要采购隔离器么,点这里了解一下价格!
特别推荐
技术文章更多>>
技术白皮书下载更多>>
热门搜索
?

关闭

?

关闭