中心议题:
- 多路输出电源?;?/strong>
- CCFL逆光?;?/strong>
- LED逆光?;?/strong>
- 对I/O端口的过电流和过电压?;?/strong>
解决方案:
- 开关式电源的典型的电路保护设计方案
- 采用慢熔贴片保险丝和PolySwitch元件
先进的LCD 科技产生了更大的屏幕,更宽的可视角度,以及更高质量的视频图像。然而,当LCD 电视的屏幕变得更大更亮的时候,它们需要更多的能量来运行,这就增加了对更强劲更可靠的电路?;ぜ际醯男枨?。
有很多的电路?;ぴ梢杂美窗镏;CD屏幕,以避免由电流太大或者电压瞬变引起的破坏。对电流过大的保护可以是使用保险丝或者自复式PTTC(聚合正温度系数)元件的形式。决定到底是使用PTTC元件还是使用一次性的保险丝取决于LCD 的设计,该设备可能接触到的危险的类别,以及相关的安全要求?! ?br />
PTTC元件通常被运用于启动时有高瞬间起峰电流的电路。PTTC元件能适应瞬间起峰电流,可帮助降低保险丝烧断的损害。保险丝很合适于那些不希望自恢复的电路设计中,或者适于只有在系统失败的情况下才会发生故障的电路中。当用软启动的电路来限制瞬间起峰电流时,它们也是一个可行的解决办法。泰科电子提供了小尺寸的PTTC元件以及一次性的贴片保险丝,以给设计者们提供一系列的过流?;し桨?。泰科电子还为各种各样的LCD电视运用提供了如下所述的范围很广的过压以及ESD(静电放电)抑制元件?! ?br />
多路输出电源?;?/strong>
切换式电源(SMPS)为消费类电子产品提供了所需的大小、重量以及省电的优点,并且在包括LCD电视.在内的很多的应用中持续取代着线性调节器。然而,由于SMPS缺少前期设计中的固有阻抗,它们往往需要更强劲的电路?;??! ?br />
PolySwitch径向引线型过流电量?;ぴ梢园镏圃焐搪愣杂赟MPS的UL60950-1/LPS(有限能源)的要求,并帮助提高设备的安全性和可靠性?! ?br />
PolySwitch 元件在正常的运行电流下具有较低的阻抗值。在过流情况下,该元件“跳”到一种高阻抗性的状态。所增加的阻抗性通过将在故障的情况下流动的电流量降低至一个低的、平稳的水平,从而帮助保护电路中的设备。该元件会保留在其锁定位置直到故障被清除。一旦电源开始在电路中运行,PolySwitch元件将复位,并让电流流动重新开始,使电路恢复至正常状况?! ?br />
虽然PolySwitch元件不能防止故障的发生,但是它们反应迅速,将电流限制在一个安全的水平以防止间接伤害到后级元件。此外,PolySwitch 元件的小尺寸让它们在受空间限制的应用中使用更容易。
如图1所示,PolySwitch LVR元件可以同电源输入串联安装,以帮助避免由短路,超载电路或者用户滥用所造成的破坏。此外,横置于输入端的金属氧化物变阻器(MOV)帮助在LED模型中提供过压保护。
PolySwitch LVR元件也有可能在MOV之后放置。许多的设备生产商喜欢结合了具有上游自动故障?;さ淖愿词絇olySwitch元件的?;さ缏贰T谡飧隼又蠷1是一个同?;さ缏芬黄鹗褂玫奈攘鞯缱杵?。

图1. 开关式电源的典型的电路?;ど杓啤 ?br />
CCFL逆光?;?/strong>
冷阴极荧光灯(CCFLs)为LCD显示器提供了高效的逆光。该灯在高电压AC电源下运行,需要有效的、高电压DC/AC换流器。如图2所示, 电源是从5V 和12V的总线中得到的。LCD控制器本身和周围的逻辑控制器是从5V 的总线中得到电源的。LCD换流器以及电路板上其它的电子元器件是从12V 的总线中得到电源的?! ?br />
[page]
错误的连接以及错误的处置会引起系统的大的超载以及短路。此外,电路板上的部件故障可以引起致命性的后果。用保险丝或者PolySwitch元件将至关重要的电路隔离可以在此类故障中防止部件损坏,并帮助生产商达到UL限制电流的要求?! ?br />
许多换流器结合“软启动”电路以限制瞬间起峰电流,但是随着换流器老化,软启动电流可能会随着时间而有所增加。这就增加了瞬间起峰电流,而且如果没有足够的保护的话,可能会造成对主要电源的破坏或者恶化?! ?br />
泰科电子的慢熔式表面安装贴片保险丝帮助在正常运行中有大的且频繁的突波电流的系统提供过流保护。小波形系数的保险丝增强了电子系统的可靠性,并且在脉冲和高瞬间起峰电流的情况下采用帮助防止障碍启动的时间延迟设计,使其没有影响到对高电流故障情况的?;?。

图2. 慢熔贴片保险丝和PolySwitch元件帮助在CCFL逆光应用中提供过流?;ぁ ?/p>
LED逆光?;?/strong>
LED逆光增强了视觉感受,提供了更灵活的逆光结构,并且使得比传统的冷阴极荧光灯(CCFL)技术更薄的显示器设计成为可能。其它的好处包括:更高效,降低了能量消耗,更长的使用寿命,增强了耐用性,以及使屏幕有更高清晰度的更好的对比率?! ?br />
LED需要精确的电源和热量管理系统,这是因为大多数提供给LED的电源都转换成了热量而不是光。如果没有足够的热量控制,那么热量将对LED的寿命和色彩输出都产生负面影响?! ?br />
电源线耦合电压瞬变和浪涌也可以降低LED的预期使用寿命,许多的LED驱动器容易受到不合适的DC电压水平和极性的破坏。LED驱动器的输出也可能被短路破坏或者摧毁。大多数LCD电视应用的LED驱动器包括内置安全装置,包括热关闭以及开路、短路LCD检测。然而,可能还需要另外的过流?;ぴ园镏;ぜ傻缏?IC)以及其它敏感的电子元件。PolySwitch元件也可以被用来帮助防止当监测器的冷却口被堵塞时可能发生的热失控情况。由于其具有对温度过高的情况有检测和反应的能力,一个安装合适的PolySwitch元件可以在LCD没有足够电压运行的情况下中断电流?! ?br />
图3显示了在LCD电视监测器中PolySwitch元件可以安放的位置,以帮助提供过电流?;?。为了充分发挥PolySwitch元件的影响,可以将其和金属芯电路板或者LCD散热片热结合在一起。如果LCD没有内置的ESD保护,可以向ESD并联一个PESD保护元件,以帮助避免由ESD电压浪涌造成的破坏。

图3. LED逆光的过电流保护图解
对I/O端口的过电流和过电压?;?/strong>
I/O端口的?;ぐ镏蛊骷庥谑芏搪返钠苹?,并且提高了可靠性和消费者安全性。为了达到管理机构的要求,I/O端口必须在过载或者短路电路中提供一种中断或者限制电流的方法。
随着数据速率的增加以及电路系统变得更小、更敏感,防止由电路瞬变引起的对设备的破坏变得更加至关重要。HDMI、USB 以及DisplayPort的技术规格要求易于终端用户使用,对电源连接器实施过电流?;?。过电流?;ぴ匦胧亲愿词降?,没有使用者的机械的干扰,并且它的预设的跳闸电流必须要高于允许的瞬变电流,以避免错误的跳闸?! ?br />
PolySwitch元件已经展示了其在多种高速的界面应用中的有效性。正如传统的保险丝,当规定的极限值被超过之后它们会限制电流。然而,不像保险丝那样,PolySwitch元件具有在故障排除并且电源接通之后重新复位的能力。它们的低阻抗性,快速的动作时间,以及小波形因数使得它们成为许多电源总线构架所偏爱的过电流保护方法?! ?br />
电源端口也容易受破坏性的过电压瞬变的影响。包括ESD脉冲。图4显示了一个运用PolySwitch元件来进行过电流?;?,并运用PESD元件和多层变电阻(MLV)来帮助避免由过电压情况所引起破坏的典型的电路?;ど杓?。[page]

图4. 典型的运用MLV元件, PESD抑制元件以及PolySwitch过电流保护元件的显示端口电路?;ど杓啤?/p>
MLV提供了低电容的分路?;げ⑶姨峁┝薒CD电视应用的高电流处理和能量吸收的过电压?;?。PESD组件被安装在数据线上以帮助ESD避开敏感的电路系统。PESD的低电容帮助阻止高数据速率信号的降低?! ?br />
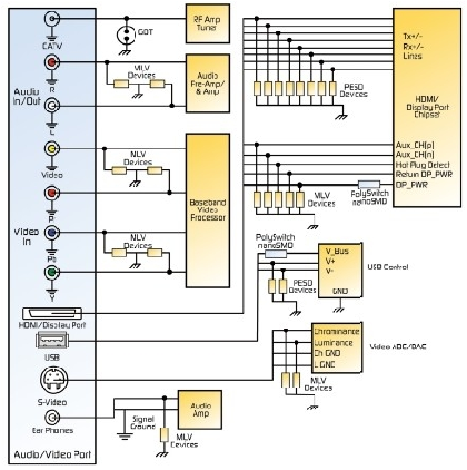
正如图5中所显示的,LCD电视具有一系列的附件端口,包括但是不局限于:VGA, DVI, S-Video,复合视频以及音频输入/输出端口。

图5. LCD电视附件端口的电流?;そㄒ椤 ?/p>
这个图表显示了泰科电子的气体排放管(GDT) MLV、PESD 以及PolySwitch元件可以被运用于相关的电路?;そ饩龇桨钢??! ?br />
LCD电视上的VGA端口起到从一个计算机视频卡有效连接的作用。ESD或者电缆脱落情况可以引起VGA端点的故障。IEC 61000-4-2要求在这里是可行的,并且诸如PESD 和3pF MLV
元件(图片6)的低电容?;ぴ梢园镏圃焐谭颖曜?。要注意这里信号线电压是RGB信号线上的-1Vp-p,并且对于控制线为小于等于5Vp-p。

图6. 低电容值MLV和PESD元件帮助?;GA端口
[page]
尽可能与芯片组的I/O和Vcc 插脚近距离地运用?;ぴ淖龇ㄗ苁呛玫?,因为电路板轨迹线可能更容易受所进行的瞬变的影响。好的接地做法与强劲的电路保护设备可以增强瞬变?;ぃ镏档臀藁厥蘸托薏狗延?,并且可以促进对应用标准的遵守?! ?br />
元器件建议
对LCD电视的界面的故障?;び忻魅返匾?,包括有涉及各种故障?;ば枨蟮木咛宓谋曜?。图片7总结了这些标准以及对每一种端口类型所建议的电路?;ど璞浮?br />

图7. 对LCD电视端口?;さ脑ㄒ?/p>





