- 基于CCD技术的非接触在线检测仪设计
- 探究CCD 光电检测系统
- 基于CCD 在线非接触检测的实例来解决
1.引言
检测技术是一门应用非常广泛的技术。在许多领域都会对各种加工件、各种运动物体进行检测,以保证产品的合格率和生产、生活的安全性。传统的检测方法有人工检测,也有用机械式、光学式或电磁式检测仪器进行的检测。尤其是人工检测全凭实际工作经验,若部件结构复杂,不但增加了工人的劳动强度,而且精度、效率也会随之降低,既不能完成非接触检测,又不能实现在线检测,同时还增加了检测时给工作人员所带来的危险性。因此,随着科技的日新月异,势必要有一种更加完美的检测技术,那就是CCD 技术。 在此,以一个基于CCD 在线非接触检测的实例——《拉升钢丝绳直径的在线检测仪》对CCD 技术进行 一下探讨。
2.系统组成
整个检测系统由照明系统、被测工件系统、成像物镜、CCD 光电检测系统和计算机测控系统(8031 单片机和8279 键盘/显示芯片等)构成。稳压稳流调光电源为远心照明系统提供稳定的照明光,被照明的工件经成像物镜成像在线阵CCD 的光敏阵列面上。由于工件不透光,工件的像在中间部分形成暗带,两侧形成亮带。 暗带的宽度就是工件尺寸所成像的大小。线阵CCD 在驱动脉冲的作用下完成光电转换并产生视频信号。其系 统原理图如图1。

3.CCD 光电检测系统
在CCD 光电检测系统中,CCD 的选型是十分重要的。CCD 的种类繁多,而且它们都有各自的特点和不同的应用,所以CCD 型号的正确与否将直接影响到所测信息的正确与否。在本系统中要求的测量范围为15mm~45mm,测量精度和相对要求较高,所以只要选择1000 像元以上 的线阵CCD 就可以满足本测量系统的精度要求。因此本系统应选用TCD1206UD,它的有效像元数为2160,像元尺寸为0.014×0.014mm,像元中心距为0.014mm,足以满足本测量系统的要求。
该器件的主要技术指标:
像元单元数2160 像元总长为30.24mm
像元中心距14μm 驱动频率1MHz
行周期2.5ms 灵敏度45 V/lx·s
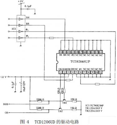
在1MHz 数据率情况下工作时,有效像元输出时间为2.16ms,钢丝绳直径信号产生于2.16ms 期间。输出信号的暗电平可控制在1.0V 左右。而高电平可接近10V,相差比较大。当光学系统调整得比较好时,图像边缘的信号比较陡,测量误差较小。TCD1206UD 的工作原理和驱动电路如下:

(1)工作原理。 TCD1206UD 在图2 所示的驱动脉冲作用下工作。当ΦSH 脉冲的高电平到来时,正值Φ1 电极下均形成深势阱,同时ΦSH 的高电平使Φ1 电极下的深势阱与MOS 电容存储势阱沟通。
如图3 所示,MOS 电容中的信号电荷包通过转移栅转移到模拟移位寄存器的Φ1 电极下的势阱中。当 ΦSH 由高变低时,ΦSH 低电平形成的浅势阱将存储栅下势阱与Φ1 电极下的势阱隔离开。存储栅势阱进入光 积分状态,而模拟移位寄存器将在Φ1 与Φ2 脉冲的作用下驱使转移到Φ1 电极下势阱中的信号电荷向左转移, 并经输出电路由OS 电极输出。由于结构上的安排,OS 端首先输出13 个虚设单元信号,再输出51 个暗信号, 然后才连续输出S1 到S2160 的有效像素单元信号。第S2160 信号输出后,又输出9 个暗信号,再输出2 个奇 偶检测信号,以后便是空驱动??涨靠梢允侨我獾摹S捎诟闷骷橇搅胁⑿蟹制?、偶传输的,所以在 一个ΦSH 周期内至少要有1118 个Φ1 脉冲,即TSH>1118T1。ΦR 为复位级的复位脉冲,复位一次输出一个 信号。


[page]
4.二值化数据采集与单片机接口
本系统是用于运动过程中的工件尺寸的检测。由于工件在运动过程中会因摆动而发生位置变化,从而导致CCD 输出的视频信号幅值浮动,而且光源强度变化也会引起CCD 的视频信号起伏变化,如果选用浮动阈值法,当由于上述原因引起CCD 的视频信号起伏变化时,可以通过电路将光源的起伏或CCD 视频信号的起伏变 化反馈到阈值上,使阈值电位跟着变化,从而使CCD 视频信号经二值化电路后产生的方波脉冲的宽度基本不变。所以选用浮动阈值法的二值化处理方法。
CCD 驱动器除产生CCD 所需要的各种驱动脉冲,还要产生行同 步脉冲ΦC 和用作二值化计数的输入脉冲Φt,要求ΦC 与SH 同周期,ΦC 的上升沿对应于CCD 输出信号的第 一个有效像素单元,要求Φt 脉冲频率是复位脉冲ΦR 频率的整数倍。将定时器T0 的方式寄存器TMOD 的GATE 位置1,这里定时器T0 受外部引脚输入电平的控制,即INT0 控制T0 的运行。将二值化电路输出的方波脉冲 信号和行同步脉冲ΦC 一起输入“与”门,它们的输出信号接到单片机的INT0 引脚,并由INT0 来控制单片 机定时器T0 的启动,同时将复位脉冲ΦR 接到单片机的P3.4 引脚。当行同步脉冲ΦC 和二值化方波脉冲信号都出现高电平时,“与”门输出的也是高电平,用这个高电平去启动单片机的定时器T0 对复位脉冲ΦR 进 行记数,当行同步脉冲ΦC 和二值化方波脉冲信号有一个出现低电平时,“与”门输出的Y 也为低电平,定时器T0 停止记数。这里定时器T0 所记的数即为复位脉冲数,由于复位脉冲ΦR 与CCD 像元同周期,帮定时器 T0 所记的数即为二值化方波脉冲信号高电平所覆盖像元数。这样便完成了CCD 输出信号的处理工作,在定时器T0 中记下了与工件尺寸有关的数据,即CCD 像元数。在光学系统中的放大率为1,所以用测量所得的像元 数去乘以CCD 的像元中心距,其结果就是在误差允许范围内的工作尺寸的真实值。
5.程序流程图
由此程序流程图便可以完成汇编程序的编制,在此不再详述。


由于机械式、光学式、电磁式的测量仪器的制造技术已十分成熟,因此,在目前的检测领域中,它们还占据着重要位置。但是相信随着制造技术的提高,CCD 像感元件的制作成本将会随之降低,而其精度却会进 一步提高。到那时不管在精密检测领域,还是在一般检测系统中将会大量地应用CCD 技术,CCD 技术将成为将来检测领域的主导技术。




