中心议题:
- 过压?;て骷枰薷牡缏?/strong>
- 讨论两种类似应用
解决方案:
- 增大电路的最大输入电压
- 增加一个电阻和齐纳二极管,用来对IN的电压进行箝位
- 利用输出端电容储能
引言
MAX6495–MAX6499/MAX6397/MAX6398过压?;?OVP)器件用于保护后续电路免受甩负载或瞬间高压的破坏。器件通过控制外部串联在电源线上的n沟道MOSFET实现。当电压超过用户设置的过压门限时,拉低MOSFET的栅极,MOSFET关断,将负载与输入电源断开。
过压保护(OVP)器件数据资料中提供的典型电路可以满足大多数应用的需求(图1)。然而,有些应用需要对基本电路进行适当修改。本文讨论了两种类似应用:增大电路的最大输入电压,在过压情况发生时利用输出电容存储能量。

图1. 过压?;さ幕镜缏?/p>
增加电路的最大输入电压
虽然图1电路能够工作在72V瞬态电压,但有些应用需要更高的?;ぁR虼?,如何提高OVP器件的最大输入电压是一件有意义的事情。图2所示电路增加了一个电阻和齐纳二极管,用来对IN的电压进行箝位。如果增加一个三极管缓冲器(图3),就可以降低对并联稳压器电流的需求,但也提高了设计成本。

图2. 增大最大输入电压的过压?;さ缏?/p>

图3. 通过三极管缓冲器增大输入电压的过压?;さ缏?/p>
齐纳二极管的选择,要求避免在正常工作时消耗过多的功率,并可承受高于输入电压最大值的电压。此外,齐纳二极管的击穿电压必须小于OVP的最大工作电压(72V),击穿时齐纳二极管电流最大。
串联电阻(R3)既要足够大,以限制过压时齐纳二极管的功耗,又要足够小,在最小输入电压时能够维持OVP器件正常工作。
图2中电阻R3的阻值根据以下数据计算:齐纳二极管D1的击穿电压为54V;过压时峰值为150V,齐纳二极管的功率小于3W。根据这些数据要求,齐纳二极管流过的最大电流为:
3W/54V = 56mA
根据这个电流,R3的下限为:
(150V - 54V)/56mA = 1.7kΩ
R3的峰值功耗为:
(56mA)² × 1.7kΩ = 5.3W
如果选择比5.3W对应电阻更小的阻值,则会在电阻和齐纳二极管上引起相当大的功率消耗。
为了计算电阻R3的上限,必须了解供电电压的最小值。保证MAX6495正常工作的最小输入电压为5.5V。例如,假设供电电压的最小值为6V,正常工作时R3的最大压降为500mV。由于MAX6495的工作电流为150µA (最大),相应电阻的最大值为:
500mV/150µA = 3.3kΩ
图2中的R3设置为2kΩ,可以保证供电电压略小于6V时OVP器件仍可以正常工作。
注意,发生过压故障时,R3和D1 (图2)需要耗散相当大的功率。如果过压条件持续时间较长(如:几十毫秒以上),图3所示电路或许更能胜任应用的要求。图中射极跟随器通过降低从R3与D1节点抽取的电流大大增加R3所允许的最大值。以β值为100的三极管为例,此时150µA的器件工作电流变成1.5µA。这种情况下,不能忽略5µA的二极管反向漏电流。R3为10kΩ,因此,由于漏电流在R3上产生的压降会达到50mV。
在IN和GND间使用一个1µF (最小值)的陶瓷电容。确保器件的电压范围满足输入电压的要求,须注意MOSFET的VDS_MAX额定值。
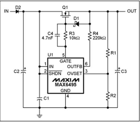
利用输出端电容储能
发生过压时,典型应用电路能够对输出电容自动放电,以?;は掠蔚缏?图4),有些应用需要利用输出电容储存能量,并且能够在瞬间高压的条件下继续维持下游电路的供电,利用图5电路可以达到这一目的。

图4. 典型的限压电路提供输出电容放电通道
MAX6495–MAX6499/MAX6397/MAX6398通过内部100mA的电流源(见图4)连接到GATE输出,以对栅极电容和输出电容放电。电流源先对GATE放电(电流I1,绿色箭头),直到GATE的电压等于OUTFB电压,然后断开FET,电流源继续降低GATE电压,最后,直到内部的箝位二极管变为正向偏置,对输出电容放电(电流I2,红色箭头)。

图5. 带有输出电容储能功能的过压限制电路
如果OUTFB没有连接,则断开了通过箝位二极管放电的通路,不再对输出电容放电。然而,MOSFET的栅极就不再有?;ん槲欢?,VGS_MAX有可能超出额定值。
在MOSFET源极和栅极之间增加一个外部箝位二极管(图5中的D1)可重新建立输出端与100mA恒流源之间的通路。在栅极和GATE引脚之间增加一个串联电阻(图5中的R3),将会限制输出电容的放电电流,降低电流。限制放电电流的同时会增加电路的断开时间,也降低了电路对瞬态过压的响应速度。在串联电阻两端并联一个电容(图5中的C4)可以减轻对响应时间的影响,还可以选择使用电阻R4,避免OUTFB浮空。
如果将SET外部的分压电阻连接到输出端,而不是输入端(参考上述电路图),使MAX6495–MAX6499/MAX6397/MAX6398工作在限幅模式,发生过压时,电路会定期地对输出电容进行充电。电容电压跌落到过压门限的滞回电压以下时,MOSFET导通,对电容充电;当电容电压达到过压门限时,MOSFET断开。
图6给出了MAX6495–MAX6499/MAX6397/MAX6398工作在过压监控模式的电路。输入电压经过电阻分压后连接到SET引脚,当输入过压时,断开MOSFET,并将一直维持断开状态,直到解除输入过压故障。

图6. 过压监测模式下的过压比较配置



