【导读】围绕储能系统(ESS)展开,先介绍其可储存煤炭、核能等不同发电方式的能量,再聚焦热门的电池储能系统(BESS)。BESS 应用广泛,住宅场景中可作备用电源并帮用户节省电费,商业场景下能管理清洁能源、缓解电网压力。文中还给出交流耦合电池储能系统框图,推荐安森美解决方案,涵盖 SiC 器件、IGBT 等关键产品,为该领域电源方案选型提供参考。
_20251015143612_566.jpg)
高功率高电压储能系统电源方案选型指南 :安森美解决方案架构与性能解析
作者:安森美
储能系统(ESS)能将来自不同发电方式(煤炭、核能、风能、太阳能等)的能量,以多种形式储存起来,例如电化学储能、机械储能等。电池储能系统(BESS,Battery Energy Storage System)在住宅和商业场景中均有广泛应用,是比较热门的一个研究领域。
在住宅场景下,电池储能系统可作为备用电源,避免突发停电问题,同时通过将电能从电价低谷时段转移至电价高峰时段使用,帮助用户节约用电成本。在商业场景下,储能系统的规模通常更大,其能高效存储和管理太阳能逆变器产生的清洁能源,从而实现低碳排放。如今,电池储能系统的另一关键作用在于,它能缓解因电动汽车(EV)充电需求日益增长而带来的电网压力。本文将全面介绍储能系统和市场情况,以及安森美(onsemi)的领先产品与解决方案。
框图 - 交流耦合电池储能系统
下图展示了安森美推荐的交流耦合电池储能系统解决方案。 该系统通过使用一个逆变器, 可实现交流电储能, 兼具灵活性和可靠性。 安森美提供其中的关键产品,包括分立式碳化硅(SiC) 器件和IGBT, 电源???、 隔离栅极驱动器以及电源管理控制器, 适用于住宅和商业应用。
框图 - 直流耦合电池储能系统
下图展示了安森美推荐的直流耦合电池储能系统解决方案。 该系统直接从光伏组件存储电能, 最大程度降低转换损耗, 保障系统效率。 安森美提供的关键产品包括分立式碳化硅(SiC) 器件和IGBT, 电源???、隔离型栅极驱动器以及电源管理控制器, 适用于住宅、 商业和公用事业应用。

用于电池储能系统的电源??榻饩龇桨?/span>

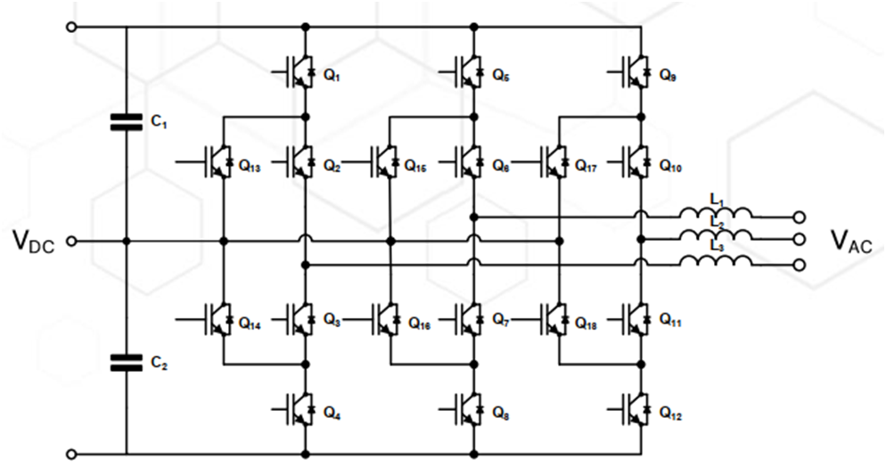
图 1:三电平 I-NPC 拓扑

图 2:三电平 ANPC 拓扑
三电平I-NPC和三电平ANPC是电源转换系统(PCS) 中常见的双向拓扑结构, 可满足输出功率不断增长的需求。 与两电平拓扑相比, 三电平拓扑需要更多的元器件、 驱动信号以及更复杂的控制结构。 但其优势也十分明显:三电平结构能够有效降低功率损耗和电流纹波(由于所承受电压减半) , 并具有更好的抗电磁干扰(EMI) 性能。
· NXH800H120L7QDSG 是安森美最新推出的 QDual3 系列 1200V 800A 半桥 IGBT 电源??椋?具有更低的导通损耗和开关损耗, 从而实现高效率和卓越的可靠性。 通过并联多个 QDual3 ???, 可以构成三电平 ANPC ???, 系统的设定输出功率可高达 1.6MW 至 1.8MW。
· NXH600N105L7F5S1HG 是安森美最新推出的 F5BP 系列1050V 600A I-NPC IGBT 电源模块。 该 F5BP ??樵谌刃阅芊矫姹硐殖錾?, 其热阻比 F5-PIM ??榈?9%。 它结合了硅(Si) 和碳化硅(SiC) 器件, 优化了设计灵活性, 支持1500V DC系统, 是公用事业级应用的理想之选。

图 3: QDual3 封装

图 4: F5BP 封装

DESAT(去饱和) 是大功率转换中首选的重要?;ご胧┲?/span>。它可以通过尽快关断开关器件来防止 IGBT/MOSFET 因短路而损坏。
NCD57000 集成了去饱和检测功能, 当 VCESAT 达到设定阈值时, 内部的 STO(软关断) MOSFET 会被激活, 对栅极电容放电, 以降低因高 dV/dt 引起的过压应力和损耗。
此外, 这款单通道栅极驱动器还具有高达 4A/6A 的拉灌电流能力, 5 kVrms 的电气隔离, 以及其它?;すδ?, 如欠压锁定(UVLO) 、 有源米勒钳位等。




