桃花源qm花论坛(品茶),凤楼阁论坛官网入口网址,一品楼品凤楼论坛最新动态,风楼阁全国信息2024登录入口

你的位置:首页 > 互连技术 > 正文

SiC JFET并联的五大难题,破解方法终于来了!

发布时间:2025-03-10 来源:安森美 责任编辑:lina

【导读】随着Al 相关的工作负载日益复杂且能耗不断提升,能够兼具高能效与高压处理能力的可靠硅碳化物(SiC)JFET 变得愈发关键。在此背景下,安森美(onsemi)的SiC Cascode JFET技术成为了焦点。本文将深入剖析安森美SiC Cascode JFET,涵盖Cascode(共源共栅)结构的关键参数解析、并联振荡现象的探讨,以及实用的设计指导原则。接下来,文章将进一步阐述在并联应用中面临的挑战。


随着Al 相关的工作负载日益复杂且能耗不断提升,能够兼具高能效与高压处理能力的可靠硅碳化物(SiC)JFET 变得愈发关键。在此背景下,安森美(onsemi)的SiC Cascode JFET技术成为了焦点。本文将深入剖析安森美SiC Cascode JFET,涵盖Cascode(共源共栅)结构的关键参数解析、并联振荡现象的探讨,以及实用的设计指导原则。接下来,文章将进一步阐述在并联应用中面临的挑战。


并联的挑战


前文我们介绍并联设计的挑战如静态电流失配、动态电流失配,接下来将继续讲解其他挑战。


并联振荡


对于高增益、快速开关器件来说,并联振荡可能是一个问题。由于 SiC JFET cascode(简称cascode)内部有两个有源器件:一个低电压 Si MOSFET 和一个 SiC JFET,因此这尤其令人担忧。持续的并联振荡(如图 1所示)可能会因开关损耗过高而导致器件失效。


使用示波器很难观察到振荡。波形可能看起来很好,但在几个开关周期内就会开始振荡。造成这种情况的原因有很多,例如负载电流、电压和温度的变化。主要原因是cascode的快速开关,尤其是在大电流时更易发生,此时di/dt 和 dv/dt 的速度会更快。


SiC JFET并联的五大难题,破解方法终于来了!

图 1 双脉冲测试期间两个并联cascode进入持续并联振荡状态


尽管很复杂,但分析具有Kelvin源引脚的两个并联cascode的工作情况还是很有用的,包括相关的电容和电感,如图4所示。TO-247-3L和D2Pak-3L封装没有Kelvin源引脚,这种情况将在后面讨论。


SiC JFET并联的五大难题,破解方法终于来了!

图 2 两个并联cascode在动态电流失配的情况下导通


如前所述,由于阈值电压的变化,动态电流失配实际上几乎是不可避免的,而且电路布局的不对称性可能会加剧这种情况。


在图 2 中,我们可以想象有两个cascode导通,左边的cascode导通时间比右边的稍早。左侧cascode中的较大电流会导致左侧源极电感两端产生较高的电压。在极端情况下,右侧cascode的电流可能会暂时反向流动。无论情况如何,源极电压失配会诱导电流流经Kelvin源连接,如图4和图5所示。


SiC JFET并联的五大难题,破解方法终于来了!

图 3 顶部图表:Kelvin源极电流大大超过栅极电流。中间和底部图表:每个Cascode的 VGS和 ID


图 3 显示了两个并联 UF3SC120009K4S 带电感负载硬开关导通的仿真结果。每个器件都有一个 680 pF 加 4.7 Ω 的漏极-源极缓冲电路(snubber)。一个cascode的 JFET 和 MOSFET 的阈值电压比典型值低 10%,而另一个则比典型值高 10%,从而导致动态电流失配。


尽管这种情况可能发生,但概率较低。这里没有增加额外的Kelvin源阻抗。顶部图表显示的Kelvin源电流峰值大大超过cascode栅极电流。理想情况下,栅极电流和Kelvin源电流在幅度上是相等的(差分)。中间图形中的cascode栅极-源极电压显示出异相振铃,这是栅源电压不平衡的一个典型特征,在某些情况下会演变为持续的、破坏性的并联振荡。图 5 的底图显示了漏极电流的失配,这种不匹配最终导致了Kelvin源极电流的增大。动态电流失配会稳定在接近零的状态。


源极和/或漏极电感不匹配也会导致动态失配。当这种情况与阈值电压的随机变化相结合时,可能会随机产生并联振荡,尤其是在使用coscode电路时,因为JFET和MOSFET的阈值电压变化都会导致动态电流失配。


一个看似简单的解决方案是将所有栅极环路电阻移动到每个Kelvin源连接处,或者在使用不同的导通/关断电阻时尽量这样做,如图6(b)所示。然而,这可能会导致持续振荡。


为什么会这样呢?增加Kelvin源电阻确实可以减少峰值Kelvin源电流。然而,考虑到进出cascode MOSFET 栅漏电容的电荷是通过cascode的栅极电阻。栅极电阻越小,栅极电流峰值越高,MOSFET 的 dVDS/dt 峰值越高,JFET 的 dVGS/dt 峰值也就越高。此外,栅极电阻为MOSFET输出电容 - 源极电感及其他LC谐振电路提供了阻尼。如果将所有栅极环路电阻移到Kelvin源连接处,则会移除cascode MOSFET栅极的阻尼,加上栅极电流与Kelvin源电流之间的巨大不匹配,这些因素结合起来会导致振荡。


如何实现栅极阻尼最大化,同时最小化栅极电流与Kelvin源极电流的失配?首先,我们将每个cascode 的栅极电阻留在栅极连接中,而不是留在Kelvin源极连接中。我们需要最大限度地提高每个栅极的阻尼,不应使用公共栅极电阻,见图 3(a)。将所有栅极电阻置于每个cascode 栅极连接中。并根据用户指南推荐的栅极电阻值进行初步测试。


其次,我们可以在栅极和Kelvin源极连接处添加共模电感(common-mode choke,CMC)或差分耦合电感,如图 5(a)所示。这将使栅极和Kelvin源极电流大小更加匹配。实验表明,在 10 MHz 频率下,CMC 阻抗至少为 100 Ω(如 Pulse AWCU00453226223TT2 或 Bourns SRF4530A-220Y 或类似产品)时,可消除持续振荡。具体参数无需严格限定,特别是因为 CMC 对延迟时间没有影响。


第三,并联时必须安装缓冲电路。除了降低开关压摆率外,缓冲电路还能通过缓冲电阻抑制振铃。因此,增加缓冲电路可大大降低振荡的可能性。最后,尽可能依靠缓冲电路来设定开关速度,以最小化栅极电阻。这与直觉相反,但在《cascode 入门》中已有解释。用户手册推荐的栅极电阻值为实现干净开关的最小值。并联器件可以共享一个共用的缓冲电路,或者每个cascode 都有独立的缓冲电路。重要的是保持布局对称性,并使缓冲电路连接的电感最小化。


SiC JFET并联的五大难题,破解方法终于来了!

图 4 并联时应避免的事项


SiC JFET并联的五大难题,破解方法终于来了!

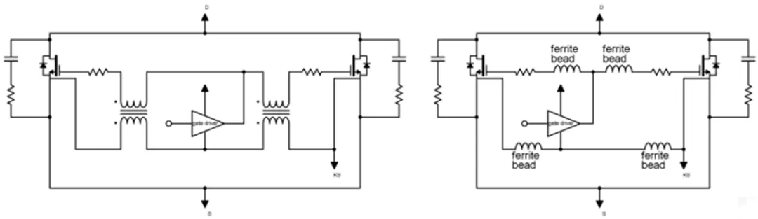
图 5 建议的Kelvin源并联方法


对于共模电感来说,布线是一项挑战。而铁氧体磁珠则非常小巧,更容易安装在狭小的电路板布局中,如图 5(b)所示。与 CMC 一样,每个Kelvin源极和栅极连接中的铁氧体磁珠都能避免振荡。但与 CMC 不同的是,铁氧体磁珠会导致延迟时间明显增加。推荐的阻抗范围是在100 MHz下70到400 Ω,如 Bourns MU2029-301Y。与添加 CMC 一样,除了在栅极连接中使用常规的栅极电阻外,在Kelvin源极和栅极连接中使用铁氧体磁珠也能防止振荡。

SiC JFET并联的五大难题,破解方法终于来了!

图 6 建议的无Kelvin源并联方法


无Kelvin源引脚的器件


不带Kelvin源引脚的器件也可以并联。但一般来说,最好并联带有Kelvin源引脚的器件,因为消除了部分栅极驱动环路中的负载电流,可大大降低栅极振铃。在没有Kelvin源引脚的情况下,建议在栅极和栅极驱动返回连接到每个cascode 源时,都安装一个铁氧体磁珠,如图 6 所示。此图仅为概念图。根据栅极驱动器的不同,在使用负关断电压时,栅极驱动环流可能会连接到栅极驱动电源,而不是直接连接到栅极驱动器。


其他设计技巧


如前所述,cascode通常需要使用缓冲电路,并联时尤其需要。漏极-源极缓冲电路可降低开关压摆率,从而减少产生振荡的可能性。 


直流母线电容和去耦电容必须靠近cascode,以尽量减少电感。建议在cascode旁边安装表面贴装陶瓷电容(直流母线),并配合使用大容量薄膜电容器和/或铝电解电容(作为去耦电容)。对称电源布局非常重要。当大电流(例如大于 100 A)和高 di/dt 压摆率时,磁场可能“推动”相邻器件及导体中的电流偏向一侧,从而引发电流失衡及其他与噪声相关的干扰问题。


靠近栅极驱动器及其电源的地方必须有足够的旁路电容;此处电容不足会导致振荡。建议使用表面贴装陶瓷电容器。


栅极走线可以较长,而且由于我们处理的开关频率一般不在 MHz 范围内,因此即使走线的长度不同也不会有影响。不过,栅极走线必须屏蔽,最好在相邻电路板层上设置电源层。切勿让栅极走线跨越电源层边界。


未完待续,后续推文将讲解演示和测试结果。


文章来源:安森美,本文作者:Jonathan Dodge, P.E., Mike Zhu, Shusun Qu ,Mike Tian

 

免责声明:本文为转载文章,转载此文目的在于传递更多信息,版权归原作者所有。本文所用视频、图片、文字如涉及作品版权问题,请联系小编进行处理。


我爱方案网


推荐阅读:

技术洞察:12V 和 48V 系统的通用驱动平台简化电动汽车启动发电机设计

【解码CITE2025】全球数字化变局中的"中国突围":本土科技巨头如何重构产业新生态

瑞萨面向RZ/T和RZ/N系列微处理器推出经认证的PROFINET-IRT和PROFIdrive软件协议

如何利用4200A-SCS参数分析仪研究光伏材料和太阳能电池的电学特性

贸泽电子全新推出内容丰富的硬件项目资源中心



特别推荐
技术文章更多>>
技术白皮书下载更多>>
热门搜索
?

关闭

?

关闭