桃花源qm花论坛(品茶),凤楼阁论坛官网入口网址,一品楼品凤楼论坛最新动态,风楼阁全国信息2024登录入口

你的位置:首页 > 互连技术 > 正文

集成理想二极管、源选择器和eFuse有助于增强系统鲁棒性

发布时间:2023-12-18 责任编辑:lina

【导读】理想二极管使用低导通电阻功率开关(通常为MOSFET)来模拟二极管的单向电流行为,但没有二极管的压降损失。借助额外的背靠背MOSFET和控制电路,该解决方案可以提供更多的系统控制功能,例如优先源选择、限流、浪涌限制等。在传统解决方案中,这些功能分散在不同的控制器中,因此实现完整的系统?;せ岷芨丛忧衣榉场U饫镂颐墙芯坷硐攵艿闹饕缏饭娓?,并介绍一个应用示例和新的理想二极管解决方案,该解决方案还在单个IC中集成了实现整体系统?;に璧钠渌δ?。


摘要


本文研究具有背靠背MOSFET的理想二极管以及其他更先进的器件。文中还介绍了一种集成多种功能以提供整体系统?;さ睦硐攵芙饩龇桨?。二极管是非常有用的器件,对许多应用都很重要。标准硅二极管的压降为0.6 V至0.7 V。肖特基二极管的压降为0.3 V。一般来说,压降不是问题,但在高电流应用中,各个压降会产生显著的功率损耗。理想二极管是此类应用的理想器件。幸运的是,MOSFET可以取代标准硅二极管,并提供意想不到的应用优势。


简介


理想二极管使用低导通电阻功率开关(通常为MOSFET)来模拟二极管的单向电流行为,但没有二极管的压降损失。借助额外的背靠背MOSFET和控制电路,该解决方案可以提供更多的系统控制功能,例如优先源选择、限流、浪涌限制等。在传统解决方案中,这些功能分散在不同的控制器中,因此实现完整的系统?;せ岷芨丛忧衣榉场U饫镂颐墙芯坷硐攵艿闹饕缏饭娓?,并介绍一个应用示例和新的理想二极管解决方案,该解决方案还在单个IC中集成了实现整体系统?;に璧钠渌δ堋?/p>


理想二极管基础知识


图1显示了采用N沟道功率MOSFET的基本理想二极管。将MOSFET放置在适当的方向,使其本征体二极管与要模拟的二极管功能方向相同(上方)。当VA高于VC时,电流可以自然地从左向右流过本征二极管。当电流沿该方向流动时,控制电路使MOSFET导通,以减小正向压降。当VC高于VA时,为了防止电流反向(从右到左)流动,控制电路必须将MOSFET快速关断。理想二极管的压降很低,由MOSFET的RDS(ON)和电流大小决定。例如,在1 A负载下,10 mΩ MOSFET的端子会产生1 A × 10 mΩ = 10 mV的压降,而常规二极管的典型压降为600 mV。理想二极管的功耗为1 A2 × 10 mΩ = 10 mW,明显低于常规二极管的1 A × 600 mV = 600 mW(典型值)。


集成理想二极管、源选择器和eFuse有助于增强系统鲁棒性

图1.二极管和理想二极管


得益于MOSFET技术的进步,现在出现了低RDS(ON)的MOSFET。如果在理想二极管解决方案中添加背靠背MOSFET,虽然会使压降略微增加,但也会带来许多系统控制功能。图2显示了此电路概念。


集成理想二极管、源选择器和eFuse有助于增强系统鲁棒性

图2.具有背靠背MOSFET的理想二极管


原有的Q1可以控制和阻断从VB流向VA的反向电流。添加的MOSFET Q2可以控制和阻断从VA流向VB的正向电流。



此解决方案通过导通/关断一个或两个MOSFET,或者限制任一方向的电流流过,可实现全面的系统控制。


理想二极管应用实例及主要规格


理想二极管有许多应用。以工业UPS备用电源系统(图3)为例。该系统使用24 V主电源。此电源的工作范围为19.2 VDC至30 VDC,瞬态电压可高达60 V。将24 V电池用作备用电源。为确保备用电源充分可用,在正常运行期间(当电池处于待机状态时),电池充满至24 V。当主电源中断时,电池提供备用电源,从24 V放电至19.2 V以下,直至系统不再运行,或者直至主电源恢复,以较早出现的情形为准。这里需要一个理想二极管电路来提供ORing功能,用于在系统电源和备用电池之间切换。除了ORing功能,该系统还需要过压、欠压、热插拔和eFuse?;ぃ苑婪冻<南低彻收?,增强系统鲁棒性。


集成理想二极管、源选择器和eFuse有助于增强系统鲁棒性

图3.工业UPS备用电源系统


ORing与源选择器


图4展示了电源ORing概念。为简单起见,这里使用二极管符号代替理想二极管电路。在这种简单的ORing配置中,电压较高的电源占主导地位并为负载供电,另一个电源处于待机状态。如果两个电源具有不同的电压值,该解决方案会很有效。当两个电压彼此接近时,或者当存在电压波动而导致电压值交叉时,电源可能会来回切换。


集成理想二极管、源选择器和eFuse有助于增强系统鲁棒性

图4.输入电源ORing


在这个用例中,简单的ORing功能是不够的,原因有二。首先,电池电压与系统标称电压24 V差不多。两个电源可能会来回切换,这是我们不希望看到的。源阻抗和负载电流的影响进一步放大了这个问题。例如,当VS为负载供电时,负载电流会在VS源阻抗两端产生压降,使其端电压降至略低于电池端电压(当前空载)的水平。电池随即接通,现在承载负载电流,这同样会在电池阻抗两端产生压降,导致电池端电压下降。同时,在无负载情况下,主电源端电压升高,使得VS试图接管。在这种情况下,就会在两个电源之间持续振荡直到两个电压彼此偏离为止。


其次,24 V系统电源的电压范围为19.2 VDC(最小值)至30 VDC(最大值),峰值电压瞬态可高达60 V。备用电池电压充电至24 VDC,当主电源电压下降到电池电压以下但仍在其工作范围内时,将由电池供电。这也是我们不希望看到的,因为电池会放电至非理想备用电压。每当系统电压低于24 V且高于其最小工作范围时,系统便可能会尝试同时对电池进行充电和放电。源选择器在这种情况下很有用。图5显示了使用具有背靠背MOSFET的理想二极管的源选择器概念。通过背靠背MOSFET,控制器可以完全切断两个方向的电流路径,就像机械开关断开一样。图6是具有背靠背MOSFET的理想二极管的符号表示。此符号在图5中表示可实现源选择器功能。在此配置中,VS设置为高优先级。VB关断,只有在VS低于其工作电压范围时才导通。


集成理想二极管、源选择器和eFuse有助于增强系统鲁棒性

图5.输入源选择器



集成理想二极管、源选择器和eFuse有助于增强系统鲁棒性

图6.具有背靠背MOSFET的理想二极管的符号表示


图7显示了电池处于待机状态和备用期间的电源选择器操作。


集成理想二极管、源选择器和eFuse有助于增强系统鲁棒性

图7.输入源选择器操作


其他重要系统?;ひ?/p>


虽然图6所示是一个闭合或断开的机械开关,但请注意,借助适当的电流检测电路,控制器也可以调节电流。浪涌限制(热插拔)、过载/短路保护(eFuse)和欠压/过压(UV/OV)等重要功能,均可利用已有的相同功率MOSFET来实现。


热插拔


如图3所示,当电路板插入背板(主系统电源和备用电池所在的板)时,系统板需要热插拔功能来限制给输入电容C充电时的浪涌电流。这种热插拔功能通过检测和控制流过图2中Q2的电流来实现。


eFuse


此功能可?;は低趁馐芄骰蚨搪非榭龅挠跋?。使用图2中相同的Q2,可监测、限制和关断流经Q2的电流。eFuse应用中的限流阈值精度对于优化系统功耗预算非常重要。


UV/OV


控制器持续监测电源电压。欠压保护(UVLO)使Q2(图2)保持安全关断状态,直至电源电压上升到其最低工作电平(本例中为19.2 V)以上。当输入瞬态电压超过设定的最大电平(本例中选择电压值>30 V)时,过压?;?OV)功能就会将Q2关断。


重要的理想二极管电路规格及其对系统性能的影响


我们回到理想二极管,研究其用于ORing或源选择器功能时的一些关键规格。


反向电流响应时间


参考图2,这是Q1在电压VA和VB反转并使VB大于VA之后关断的时间。此反向电流响应时间tR必须很小(100 ns),以防反向电流从VB流回VA。在该系统中,当主导电源VS(在驱动负载时)关断、瞬变至较低电压或短路时,电压可能反向。在这种情况下,tR防止反向电流从板电容C或从备用电池流回VS,或者尽可能减小反向电流。


过压情况后的恢复


在没有备用电池的系统中(图8),电容C提供备用电源,通常称其为保持电容。在这种配置中,VS上的瞬态过压条件会触发Q2(图8)关断。电容提供必要的电力以保持系统运行,同时其电压因放电而下降。当VS回到正常工作范围时,Q2重新导通。Q2重新导通的时间tON必须很短,使电容压降尽可能低。图9显示了一个相对比较结果,在保持电容量相同的情况下,一半tON可将压降降低一半。


集成理想二极管、源选择器和eFuse有助于增强系统鲁棒性

图8.具有保持电容的系统


集成理想二极管、源选择器和eFuse有助于增强系统鲁棒性

图9.压降与tON的关系


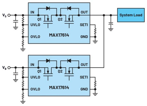
我们研究了不同功能,如源选择器、热插拔、eFuse、UV/OV和关键规格,目的是防范常见的系统故障,增强系统鲁棒性。使用许多单一功能IC来实现所有这些功能会很麻烦。这种解决方案很复杂,需要许多元器件。MAX17614是一款全新的高集成度解决方案,通过单个IC即可实现高性能理想二极管功能以及许多其他功能,从而为电源系统提供全面?;ぁ8闷骷墓ぷ鞯缪狗段?.5 V至60 V,提供3 A输出,具有理想二极管/优先电源选择器功能,以及可调限流、热插拔、eFuse、UV和OV?;すδ?。图10和图11分别显示了MAX17614在ORing应用和优先电源选择器应用中的简化原理图。


集成理想二极管、源选择器和eFuse有助于增强系统鲁棒性

图10.MAX17614的电压ORing应用


集成理想二极管、源选择器和eFuse有助于增强系统鲁棒性

图11.MAX17614的优先电源选择器应用,其中VS具有优先权


结语


背靠背MOSFET解决方案可提供更多系统控制功能,如源选择、热插拔、eFuse、UV/OV等。使用单一功能IC的组合来提供完整系统?;さ拇辰饩龇桨讣雀丛佑致榉?。我们研究了UPS备用电源应用,并简要介绍了一种理想二极管解决方案,该解决方案还将其他需要的功能集成到单个IC中,以实现整体系统?;?。



免责声明:本文为转载文章,转载此文目的在于传递更多信息,版权归原作者所有。本文所用视频、图片、文字如涉及作品版权问题,请联系小编进行处理。



推荐阅读:

悉尼科技大学利用MVG紧缩型吸波暗室成为澳大利亚天线研究领域领导者

意法半导体加快边缘人工智能应用,助力企业产品智能化转型

意法半导体:边缘AI开发的挑战及ST的解决方案

瑞萨推出基于云的开发环境以加速车用AI软件的开发与评估


特别推荐
技术文章更多>>
技术白皮书下载更多>>
热门搜索

关闭

?

关闭